Запчасти Bobcat GRAPPLES INDUSTRIAL GRAPPLE 68 (1727mm) Bucket & 78 (1981mm) Fork Loader

Схема запчастей Bobcat GRAPPLES - INDUSTRIAL GRAPPLE 68 (1727mm) Bucket & 78 (1981mm) Fork Loader
FIT
1:1
100%

Артикул

Название

Примечание

Количество

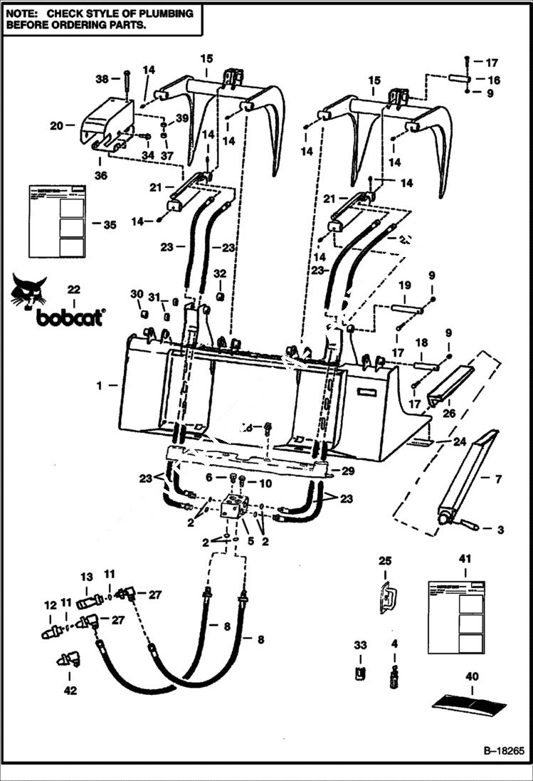
1

BUCKET NLA - grapple - 68''(1727mm) - Was Sales #6713716

1

FORK NLA - grapple - 78''(1981mm) - Was Sales #6713744

2

79K6

O RING 10

3

14J3740

PIN

4

6678574

RELIEF VALVE Was 6599161 - B

5

6806339

BLOCK, PORT

6

90KV5

PLUG

7

6569861

TOOTH, GRAPPLE

8

6806721

HOSE

9

85D6

NUT, 5

10

35C608

BOLT

11

79K12

O RING 10

12

6674688

COUPLER, FF MALE straight - Was 6667808 - A

12

6679841

SEAL Was 6672026 - A

13

6672960

COUPLER, FF FEMALE straight

14

10H25

FITTING, GREASE 5

15

6567775

TOOTH

16

6547593

PIN, PIVOT

17

17C640

BOLT 5

18

6547595

PIN

19

6531433

PIN

20

6588040

SHIELD W/Weld-on Bushing

21

CYLINDER See Illustration CYLINDER - Grapple Fork/ C2893

22

6727323

DECAL, LOGO BOBCAT AND HEAD LH - Was 6567987 - A

22

6727324

DECAL, LOGO BOBCAT AND HEAD RH - Was 6567988 - A

23

6806722

HOSE

24

6588369

CUTTING EDGE

25

6706160

GUIDE

26

6569867

MOUNT angle - weld on

27

6589193

ELBOW

28

84G3708

SCREW

29

6806340

COVER tubeline

30

6555987

BUSHING

31

6555989

BUSHING

32

6588044

BUSHING

33

FITTING NLA - Was 6672340 - A

34

35C612

BOLT

35

6900396

INSTRUCTIONS mounting

36

6588042

COVER

37

61D6

NUT 5

38

17C6104

BOLT

39

7D6

NUT

40

KIT NLA - restrictor - order Ref. 33 & 41

41

6900519

INSTRUCTIONS

42

6678056

ELBOW w/built-in .070'' orifice

Выбрано товаров: 45