Запчасти Bobcat GRAPPLES INDUSTRIAL GRAPPLE 80 (2032mm) Bucket Loader

Схема запчастей Bobcat GRAPPLES - INDUSTRIAL GRAPPLE 80 (2032mm) Bucket Loader
FIT
1:1
100%

Артикул

Название

Примечание

Количество

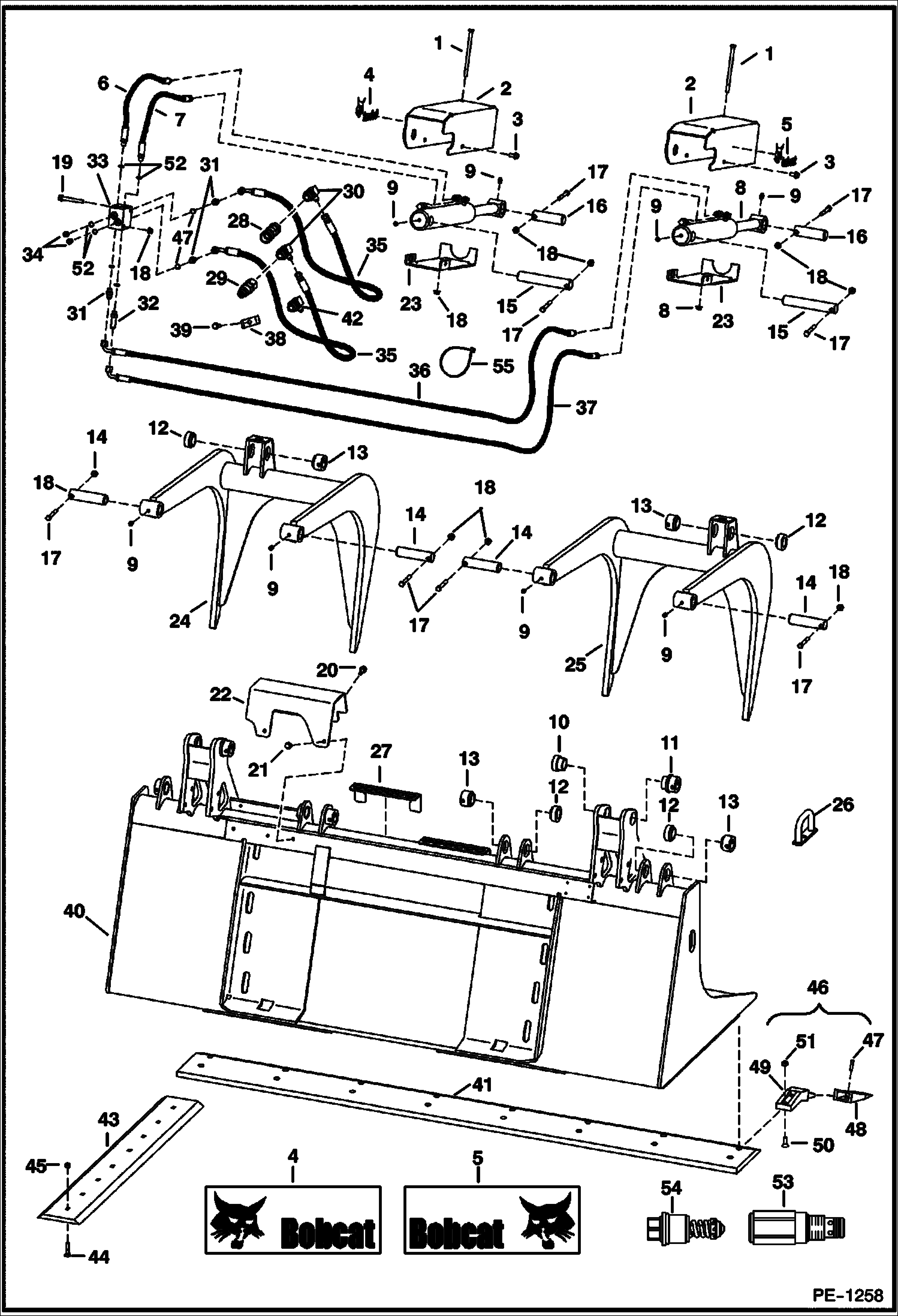
1

17C696

BOLT

2

6808023

COVER, TOP W/A

3

35C612

BOLT

4

6727323

DECAL, LOGO BOBCAT AND HEAD L.H.

5

6727324

DECAL, LOGO BOBCAT AND HEAD R.H.

5

7109473

DECAL, LOGO BOBCAT AND HEAD Use on both sides

6

6808838

HOSE

7

6807636

HOSE

8

CYLINDER See Illustration CYLINDER/ PE3041 See Illustration CYLINDER/ B18269

9

10H25

FITTING, GREASE 5

10

6808801

BUSHING

11

6588044

BUSHING

12

6555989

BUSHING

13

6555987

BUSHING

14

6547595

PIN

15

6531433

PIN

16

6547593

PIN, PIVOT

17

17C640

BOLT 5

18

57D6

NUT 5

19

35C648

BOLT

20

84G3716

SCREW 5

21

84G3712

BOLT 5

22

6807981

SHIELD

23

6588042

COVER

24

6807727

TOOTH

25

6807634

TOOTH

26

6706160

GUIDE

27

6716014

STEP

28

6672960

COUPLER, FF FEMALE straight

29

6674688

COUPLER, FF MALE straight

30

17KB0612

FITTING, HYD ELBOW Was 6589193 - B

31

15KB0606

FITTING, HYD CONNECTOR

32

16KB0606

FTG HYD L CONNECTOR Was 16K5 - B

33

6806339

BLOCK, PORT

34

90K5

PLUG Was 90KV00005B - B

35

6807635

HOSE, HYD ASSY

36

6807638

HOSE

37

6808839

HOSE

38

6502426

CLAMP

39

84G3724

BOLT

40

6807556

BUCKET, GRAPPLE IND bucket only

41

6729371

EDGE, CUTTING WELD-ON 80'' W/HOLES

42

6678056

ELBOW with built-in .70'' orfice

43

6718008

EDGE, CUTTING BOLT-ON 80''

44

39C1032

BOLT

45

85D10

NUT, 5

46

6737322

KIT, TOOTH BUCKET 8 with 8 tooth assy's & hardware - Was 6732465 - A

47

14J3732

PIN, STRAIGHT 5 See BTI376

47

6737326

PIN, FLEX BUCKET TOOTH See BTI376

48

7107319

TOOTH, BUCKET 10 See BTI376 - 114,3 mm (4.5'') long - Was 6716001 - A

48

6737325

TOOTH, BUCKET 10 See BTI376 - 140 mm (5.5'') long - Was 6728801 - A

48

7102097

TOOTH, WIDE 4 See BTI376 - 140 mm (5.5'') long x 114,3 mm (4.5'') wide - Used on corners of bucket - not in kit - Was 6728811 - A

49

SHANK NLA - order 6737322

50

57D10

NUT

51

6729510

BOLT

52

79K6

O RING 10

53

6678574

RELIEF VALVE

54

6687148

RELIEF VALVE 3100 psi - use with D series loader valves

55

6624289

STRAP, TIE

Выбрано товаров: 0