Запчасти Bobcat GRAPPLES INDUSTRIAL GRAPPLE - 68 2400 Series - S/N 00186 & Below Loader

Схема запчастей Bobcat GRAPPLES - INDUSTRIAL GRAPPLE - 68 2400 Series - S/N 00186 & Below Loader
FIT
1:1
100%

Артикул

Название

Примечание

Количество

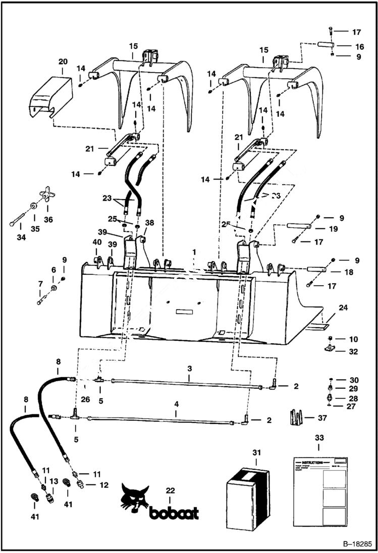
1

BUCKET NLA - Was Sales - A

2

88F5

ELBOW

3

6531339

TUBE

4

6531340

TUBE

5

90F5

TEE

6

6585808

STOP

7

17C628

BOLT

8

6635256

HOSE

9

85D6

NUT, 5

10

6593680

RETAINER

11

731795

CONNECTR Was 731695 - D

12

6598757

COUPLER, POPPET MALE straight

12

6674688

COUPLER, FF MALE straight - Was 6667808 - A

12

6679841

SEAL Was 6672026 - A

13

6598758

COUPLER, POPPET FEMALE straight

13

6672960

COUPLER, FF FEMALE straight - Was 6667807 - A

14

10H25

FITTING, GREASE 5

15

6567775

TOOTH

16

6547593

PIN, PIVOT

17

17C640

BOLT 5

18

6547595

PIN

19

6704288

PIN, PIVOT Was 6553061 - A

20

6567770

SHIELD

21

6593329

CYLINDER, GRAPPLE See Illustration CYLINDER - 943 & 953/ C2893B WAS 6593327 - A

22

6567987

DECAL, LOGO BOBCAT AND HEAD

23

6630942

HOSE

24

6588369

CUTTING EDGE Was 6567758 - A

25

86F5

NUT

26

6569312

ORIFICE Dump Restr. For Grapple Cyl.

27

79K10

O RING 10 Dump Restriction For Tilt Cyl. - Was 79K000014B - B

28

12K7

UNION Dump Restriction For Tilt Cyl. - Was 6567731 - B

29

RESTRICTOR NLA - Dump Restriction For Tilt Cyl. Was 6662901 - A

30

6579152

RESTRICTOR .095'' - Dump Restriction For Tilt Cyl. on Loader S/N 12001 & Abv.

31

6570922

INSTRUCTIONS Dump Restriction - Was 6570352

32

RESTRICTOR NLA - .110'' - Dump Restriction for Tilt Cylinder - Was 6592762 - A

33

6532606

KIT Dump Restrictor- Ref. 10, 27-29, 31, 32 & 37

34

17C648

BOLT 5

34

17C680

BOLT

35

25E17

WASHER 5

36

6647668

KNOB

37

6587315

ORIFICE .110''(2.974mm)

38

6588044

BUSHING

39

6555989

BUSHING

40

6555987

BUSHING

41

6668096

ADAPTER Use with flush face couplers

Выбрано товаров: 45