Запчасти Bobcat GRAPPLES ROTATING GRAPPLE (Model 30) (Model 40) Экскаваторы

Схема запчастей Bobcat GRAPPLES - ROTATING GRAPPLE (Model 30) (Model 40) Экскаваторы
FIT
1:1
100%

Артикул

Название

Примечание

Количество

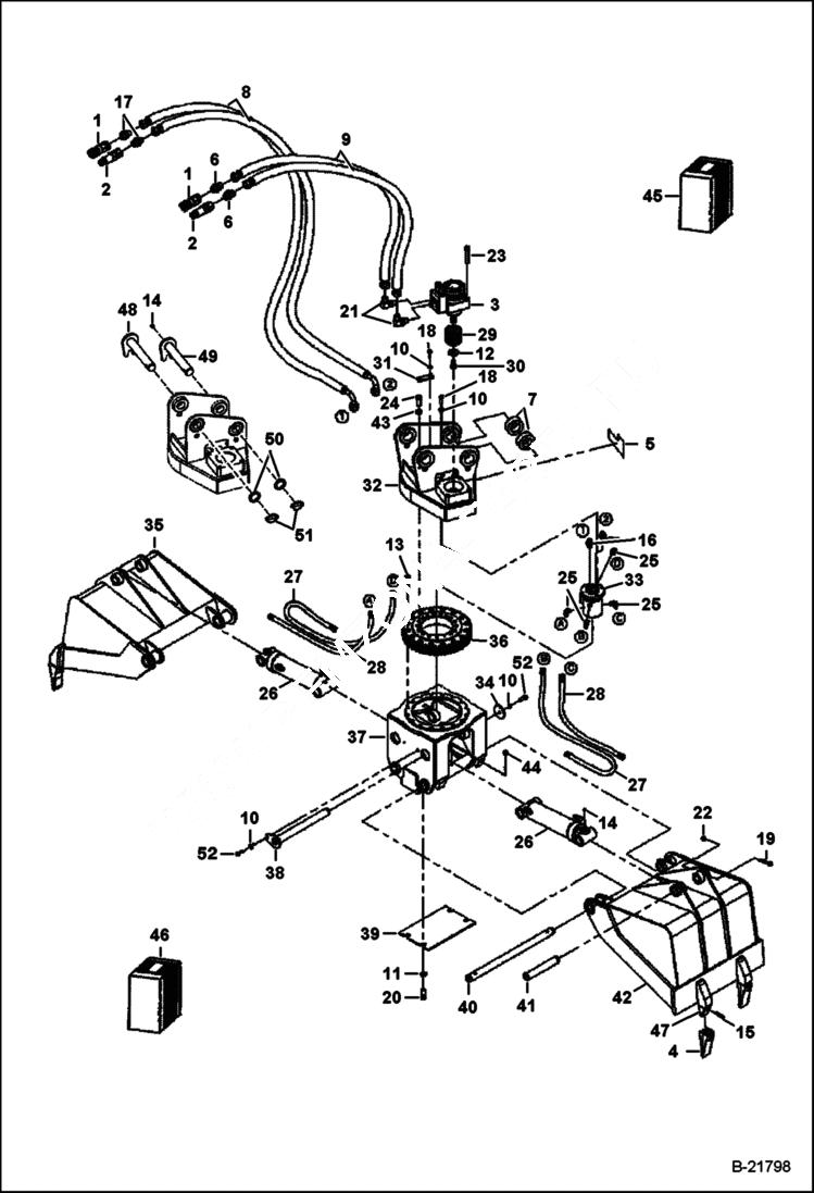
1

6672960

COUPLER, FF FEMALE straight

2

6674688

COUPLER, FF MALE straight

3

6680302

MOTOR See Illustration ROTATING GRAPPLE/ B21803 - model 40

3

6680301

MOTOR See Illustration ROTATING GRAPPLE/ B21803 - model 30

4

7107319

TOOTH, BUCKET 10 See BTI376 - 114,3 mm (4.5'') long

5

7109473

DECAL, LOGO BOBCAT AND HEAD

6

6906926

FITTING, ORIFICE

7

6958274

BUSHING 45 mm (1.785'') ID x 76 mm (3.0'') OD

7

6958275

BUSHING 35 mm (1.39'') ID x 67 mm (2.63'') OD

8

6958282

HOSE 2642 mm (104'') long

8

6958283

HOSE 2261 mm (89'') long

8

6958284

HOSE 2032 mm (80'') long

8

7209584

HOSE, HYD 2870 mm (113'') long

8

7209581

HOSE, HYD 2413 mm (95'') long

9

6958285

HOSE 2489 mm (98'') long

9

6958286

HOSE 2159 mm (85'') long

9

6958287

HOSE 1905 mm (75'') long

9

7209583

HOSE, HYD 2286 mm (90'') long

9

7209585

HOSE, HYD 2819 mm (111'') long

9

7209580

HOSE, HYD 2565 mm (101'') long

10

27E6

WASHER 5

11

27E8

WASHER 10

12

27E10

WASHER

13

10GM1260

BOLT

14

10H25

FITTING, GREASE 5

15

14J3732

PIN, STRAIGHT 5 See BTI376

15

6737326

PIN, FLEX BUCKET TOOTH See BTI376

16

15KB0808

FITTING, HYD CONNECTOR

17

15KB1012

FITTING, HYD CONNECTOR

18

17C624

BOLT 5

19

17C640

BOLT 5

20

17C824

BOLT 5

21

17KB0808

FITTING, HYD ELBOW

22

59D6

NUT

23

73G848

BOLT

24

7CM1440

BOLT

25

83F5

ELBOW

26

CYLINDER See Illustration ROTATING GRAPPLE/ B21800 See Illustration ROTATING GRAPPLE/ B21799

27

6683966

HOSE, CYL BASE model 40

27

6683968

HOSE, CYL BASE model 30

28

6683967

HOSE, CYL ROD model 40

28

6683969

HOSE, CYL ROD model 30

29

6683921

GEAR, PINION pinion

30

6683922

BOLT, PINION GEAR

31

6683923

COVER

32

6683924

HEAD, UPPER 40 upper - model 40

32

6683925

HEAD, UPPER 30 upper - model 30

33

6683926

SWIVEL ASSY

34

6683927

CAP, PIN

35

6683928

BUCKET, 3 TOOTH 40 dirt - 3 tooth - model 40

35

6683929

BUCKET, 3 TOOTH 30 dirt - 3 tooth - model 30

35

7103852

BUCKET, BOULDER boulder - 3 tooth - model 40

35

7104523

BUCKET, BOULDER boulder - 3 tooth - model 30

36

6683930

GEAR

37

6683931

HEAD, LOWER 40 lower - model 40

37

6683932

HEAD, LOWER 30 lower - model 30

38

6683933

PIN, CYL. BASE 40 cylinder base - model 40

38

6683934

PIN, CYL. BASE 30 cylinder base - model 30

39

6683935

COVER

40

6683936

PIN, BUCKET 40 bucket - model 40

40

6683937

PIN, BUCKET 30 bucket - model 30

41

6683938

PIN, CYL. ROD cylinder rod

42

6683939

BUCKET, 2 TOOTH 40 dirt - 2 tooth - model 40

42

6683940

BUCKET, 2 TOOTH 30 dirt - 2 tooth - model 30

42

7103856

BUCKET, BOULDER boulder - 2 tooth - model 40

42

7104524

BUCKET, BOULDER boulder - 2 tooth - model 30

43

15EM140

WASHER

44

12H15

FITTING, GREASE 5 Was 12H25 - A

45

6958324AR

TRANSLATION KIT

45

6958324BR

TRANSLATION KIT

46

KIT, HOSE SALES #6958387 - Use W/long arm - Ref. 1, 2, 6, 8 (6958282 hose), 9 (6958285 hose), 16, 17 & 21

46

KIT, HOSE SALES #6958388 - Ref. 1, 2, 6, 8 (6958283 hose), 9 (6958286 hose), 16, 17 & 21

46

KIT, HOSE SALES #6958389 - Ref. 1, 2, 6, 8 (6958284 hose), 9 (6958287 hose), 16, 17 & 21

46

KIT, HOSE SALES #7209586 - Ref. 1, 2, 6, 8 (6958283 hose), 9 (7209583 hose), 16, 17 & 21

46

KIT, HOSE SALES #7209590 - Ref. 1, 2, 6, 8 (7209584 hose), 9 (7209585 hose), 16, 17 & 21

46

KIT, HOSE SALES #7209587 - Ref. 1, 2, 6, 8 (6958282 hose), 9 (7209580 hose), 16, 17 & 21

46

KIT, HOSE SALES # 7209589 - Ref. 1, 2, 6, 8 (7209581 hose), 9 (6958285 hose), 16, 17 & 21

47

7102759

SHANK, TOOTH See BTI376 W/O tooth

48

6806971

PIN, PIVOT X-CHANGE W/grease zerk - model 30

48

6807053

PIN, PIVOT X-CHANGE W/grease zerk - model 40

49

7128921

PIN, W/A W/O grease zerk - model 30

49

7128923

PIN W/O grease zerk - model 40

50

6534111

WASHER model 30

50

6628547

WASHER model 40

51

6560382

PIN, LOCK model 30

51

6668928

LOCK PIN model 40

52

17C620

BOLT

Выбрано товаров: 87