Запчасти Bobcat HYDRA-TILT HYDRA-TILT (325,328,329,331,334,337,341) (8578) Экскаваторы

Схема запчастей Bobcat HYDRA-TILT - HYDRA-TILT (325,328,329,331,334,337,341) (8578) Экскаваторы
FIT
1:1
100%

Артикул

Название

Примечание

Количество

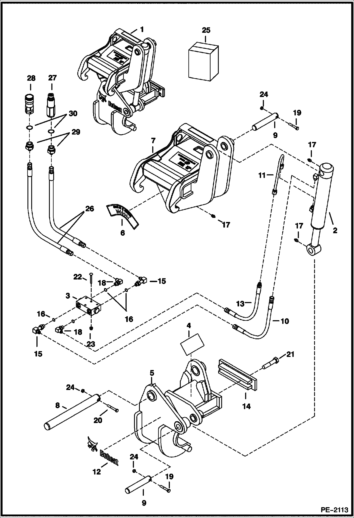
1

HYDRA TILT SALES #6728578 - Ref. 2-24 - Also Order Ref. 25

2

CYLINDER, TILT See Illustration HYDRA-TILT/ TS1128

3

6675589

VALVE

4

6719405

DECAL warning

5

6725420

FRAME

6

6725519

DECAL angle

7

6725520

FRAME upper

8

6725556

PIN hinge

9

6725557

PIN cylinder

10

6725558

HOSE

11

6725560

TUBE

12

6727323

DECAL, LOGO BOBCAT AND HEAD LH

13

6728508

HOSE

14

6804485

PLATE

15

ELBOW NLA - W/Ref. 16 - Was 6805242 - A

15

97K6

O RING flare end

15

6812815

FITTING

16

99K6

O RING

17

10H25

FITTING, GREASE 5

18

17KB0606

FITTING W/Ref. 16 - Was 17KV00005B - A

19

17C532

BOLT 5

20

17C536

BOLT

21

17C1048

BOLT

22

37C432

SCREW

23

83D4

NUT 10

24

85D5

NUT 5

25

KIT, HOSE NLA - Ref. 26-30 - Order components - 325 & 331 - Was 6729174 - D

25

KIT, HOSE NLA - Ref. 26-30 - Order components - 328, 334 & 337 - Was 6729175 - D

25

KIT, HOSE NLA - Ref. 26-30 - Order components - 341 - Was 6729176 - D

26

6728786

HOSE 325, 331

26

6728787

HOSE 328, 334, 337

26

6728788

HOSE 341

27

6672960

COUPLER, FF FEMALE straight

28

6674688

COUPLER, FF MALE straight

29

ADAPTER NLA - tapered boss face - Was 6715186 - A

29

97K12

O'RING flared end

29

15KB0612

FITTING, HYD CONNECTOR flat boss face

30

99K12

O RING tapered boss face

30

79K12

O RING 10 flat boss face

Выбрано товаров: 39