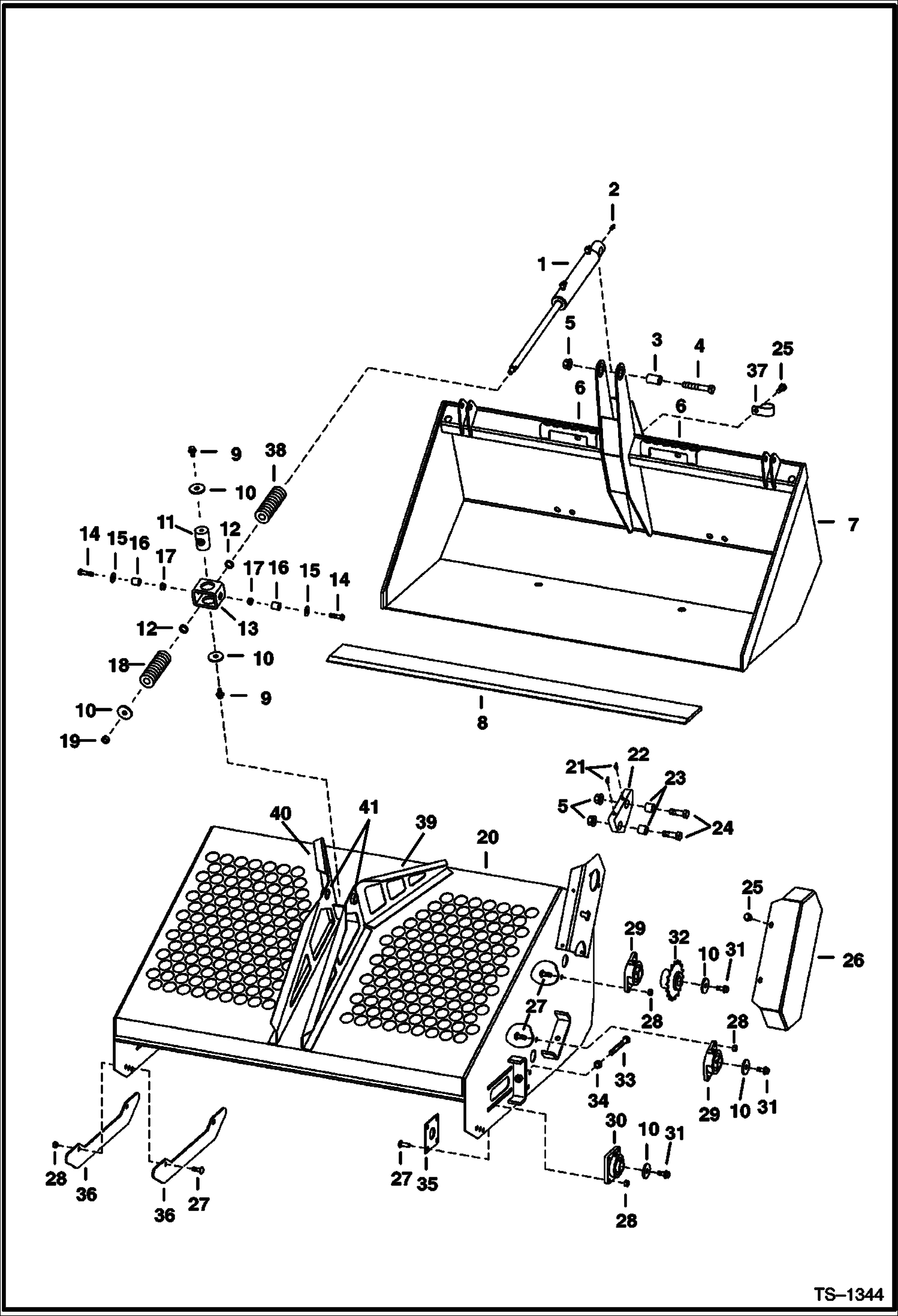
Запчасти Bobcat LANDSCAPE RAKE LANDSCAPE RAKE (Main Frame) (B Series) (5 Foot & 6 Foot) Loader

Схема запчастей Bobcat LANDSCAPE RAKE - LANDSCAPE RAKE (Main Frame) (B Series) (5 Foot & 6 Foot) Loader
FIT
1:1
100%

Артикул

Название

Примечание

Количество

1

CYLINDER See Illustration LANDSCAPE RAKE/ B13916A

2

10H25

FITTING, GREASE 5

3

6711291

BUSHING

4

17C1280

BOLT Was 31C001272B - B

5

53D12

NUT Was 83D000012B - B

6

6577917

STEP

7

6709123

BUCKET 5 ft.(1524mm)

7

6704950

BUCKET, 72'' 6 ft.(1829mm)

8

7101774

EDGE, CUTTING WELD ON BEVELED 60'' 5 ft.(1524mm) - Was 6704571 - A

8

7101775

EDGE, CUTTING WELD ON BEVELED 72'' 6 ft.(1829mm) - Was 6704572 - A

9

31C816

BOLT

10

6704978

WASHER

11

6704958

PIVOT

12

1657083

WIPER ROD

13

6706320

PIVOT

14

17C830

BOLT Use W/Ref. 15

14

35C828

BOLT Use W/o washer

15

25E22

WASHER Use W/17C-830 bolt

16

6704573

BUSHING

17

57D8

NUT 10

18

6594434

SPRING, COMPRESSION

19

92D10

NUT

20

6709110

RAKE ASSY 5 ft.(1524mm)

20

6704985

RAKE ASSY 6 ft.(1829mm)

21

11H15

GREASE FITTING

22

6704965

LINK

23

6710368

BUSHING

24

17C1240

BOLT

25

84G3712

BOLT 5

26

6710362

COVER

27

10C824

BOLT Was 6529377 - A

28

61D8

NUT 5

29

6667728

BEARING

30

6667727

BEARING

31

31C820

BOLT

32

7110859

SPROCKET 5 ft.(1524mm) - 13 teeth - Was 6704993 - A

32

6709889

SPROCKET 6 ft.(1829mm) - 18 teeth

32

7110859

SPROCKET 6 ft.(1829mm) - 13 teeth - Was 6704993 - A

33

6704973

BOLT

34

61D10

NUT

35

6706199

PLATE

36

6704953

SKID PLATE

37

30H60

CLIP

38

6713592

SPRING

39

6704974

MOUNT L.H. L.H.

40

6704975

MOUNT R.H. R.H.

41

6549146

BUSHING

Выбрано товаров: 0