Запчасти Bobcat LOADER - ATTACHMENTS UTILITY GRAPPLE (General Purpose) (55 A2W3) Use W/ 62. 68, 74 General Purpose Buckets Компактные тракторы

Схема запчастей Bobcat LOADER - ATTACHMENTS - UTILITY GRAPPLE (General Purpose) (55 A2W3) Use W/ 62. 68, 74 General Purpose Buckets Компактные тракторы
FIT
1:1
100%

Артикул

Название

Примечание

Количество

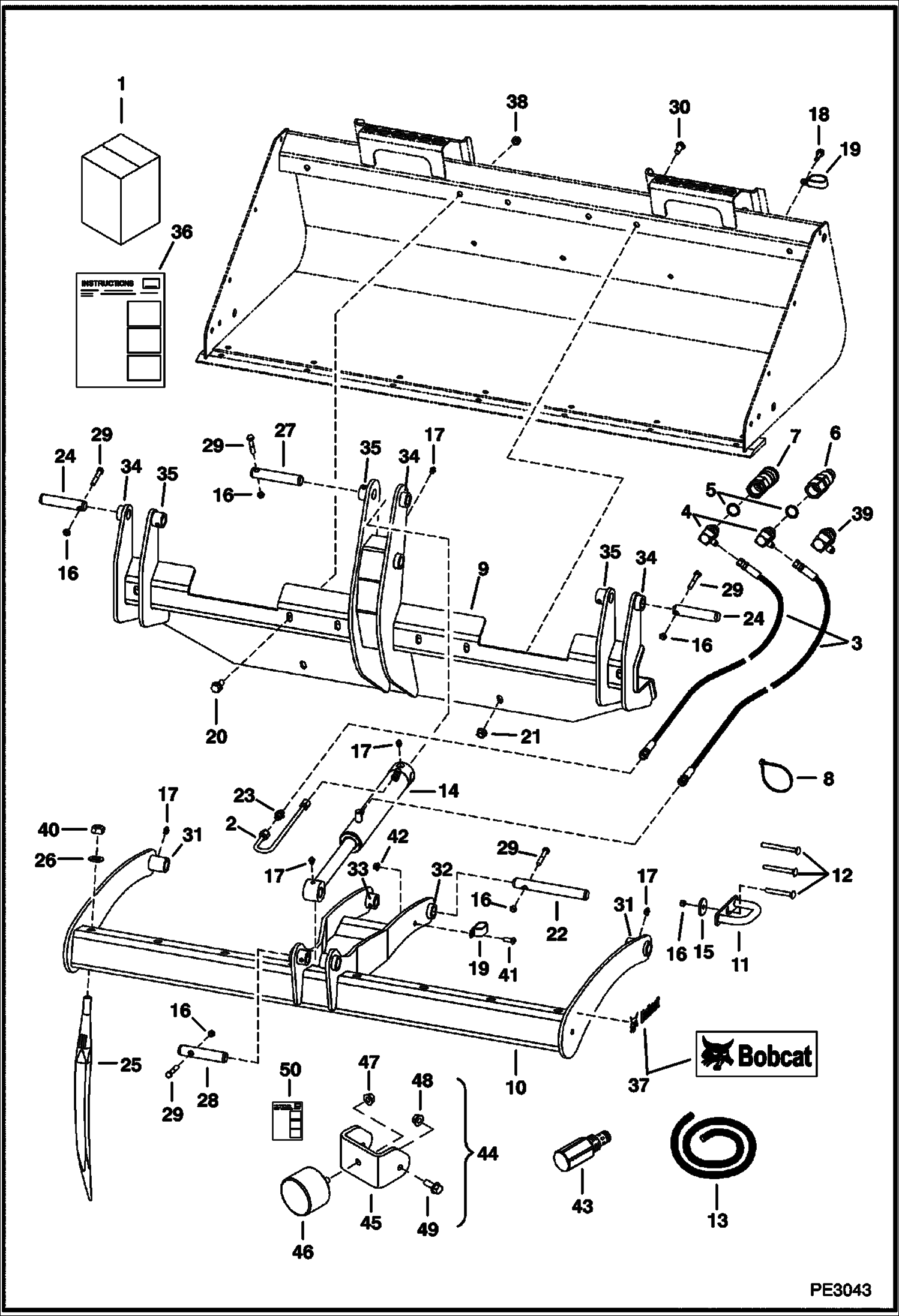
1

GRAPPLE ASSY SALES #7125371 - 55'' utility - Ref. 2-42

2

6577936

TUBE

3

6705360

HOSE

4

17KB0612

FITTING, HYD ELBOW W/Ref. 5

5

79K12

O RING 10

6

6674688

COUPLER, FF MALE straight

6

6679841

SEAL Was 6672026 - A

7

6672960

COUPLER, FF FEMALE straight

8

6624289

STRAP, TIE

9

7112873

MOUNT grapple

10

7102179

MOUNT tooth

11

6706160

GUIDE

12

37C648

BOLT

12

37C656

BOLT

12

37C664

BOLT

13

HOSE NLA - 85'' (2159 mm) long - Order 6656155 hose cover

13

6656155

HOSE COVER bulk - sold per foot

14

CYLINDER, TILT See Illustration UTILITY GRAPPLE/ B18262

15

872229

WASHER

16

85D6

NUT, 5

17

10H25

FITTING, GREASE 5

18

84G3716

SCREW 5

19

31H42

CLIP

20

31C820

BOLT

21

57D8

NUT 10

22

6717474

PIN

23

87F5

FITTING Was 87FN00005B - A

23

97K6

O RING

24

6551663

PIN, PIVOT

25

6675362

TOOTH

26

25E27

WASHER

27

6704649

PIN

28

6718940

PIN

29

17C632

BOLT 5

30

25G816

BOLT

31

6563831

BUSHING

32

6705218

BUSHING

33

6704647

BUSHING

34

6549146

BUSHING

35

6549186

BUSHING

36

6901007

INSTRUCTIONS

37

7109473

DECAL, LOGO BOBCAT AND HEAD

38

85D8

NUT, 5

39

6678056

ELBOW W/built-in .070'' orfice

40

6DM20

NUT 20 mm

41

25G616

SCREW

42

57D6

NUT 5

43

6678574

RELIEF VALVE

44

6818369

KIT, GRAPPLE STOP Ref. 45-50 - Use W/ 5600 & 5610 toolcat

44

7120201

KIT GRAPPLE STOP Ref. 45-50 - Use W/ 5600 & 5610 toolcat

45

6818370

BRACKET, GRAPPLE Use W/Ref. 44 (6818369 kit)

45

7120202

BRACKET Use W/Ref. 44 (7120201 kit)

46

6692924

MOUNT ISOLATOR Was 6680152 - A

47

51DM10

NUT

48

55D6

NUT

49

35C620

BOLT 5

50

6902639

INSTRUCTIONS Use W/Ref. 44 (6818369 kit)

50

6904281

INSTRUCTIONS Use W/Ref. 44 (7120201 kit)

Выбрано товаров: 58