Качественные детали и логистика
Оригинальные и аналоговые запчасти с доставкой по России, Казахстану и Беларуси
©2022 PartSell ООО "Система" ИНН 2463123282 ОГРН 1212400004838
Центральный офис: г. Красноярск, Академика Киренского, д.87, пом.4
Телефон: 8 (800) 777-65-74 Email: zakaz@partsell.ru
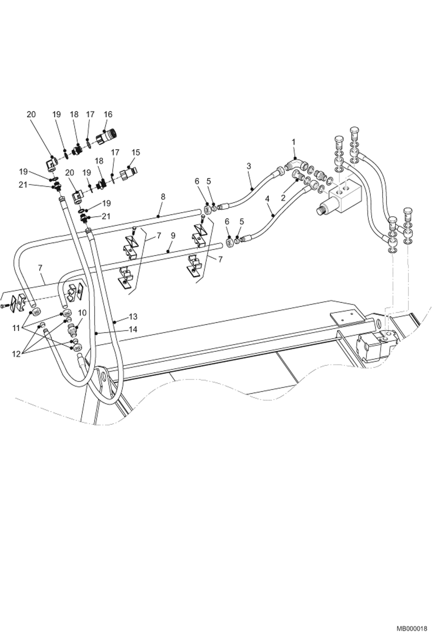
Hoses & tube lines 991002023 & below
№
Артикул
Название
Примечание
Количество
1
6674632
Elbow
2
6674633
Banjo, bolt
3
6690235
Electro valve
4
6690222
Flex tube
5
6690223
Head
6
6674619
Nut
7
6674644
Twin clamp
8
6674643
Iron
9
6674642
10
6690224
Joint
11
12
13
6674635
14
6674634
15
6674638
Female quick-fit coupling
16
6674639
Male quick-fit coupling
17
6674637
O-ring gasket
18
6674636
Nipple
19
6674625
Washer, sealed
20
6674647
21
6674641
Выбрано товаров: 0