Запчасти Bobcat MOWER MOWER (90 2307) Loader

Схема запчастей Bobcat MOWER - MOWER (90 2307) Loader
FIT
1:1
100%

Артикул

Название

Примечание

Количество

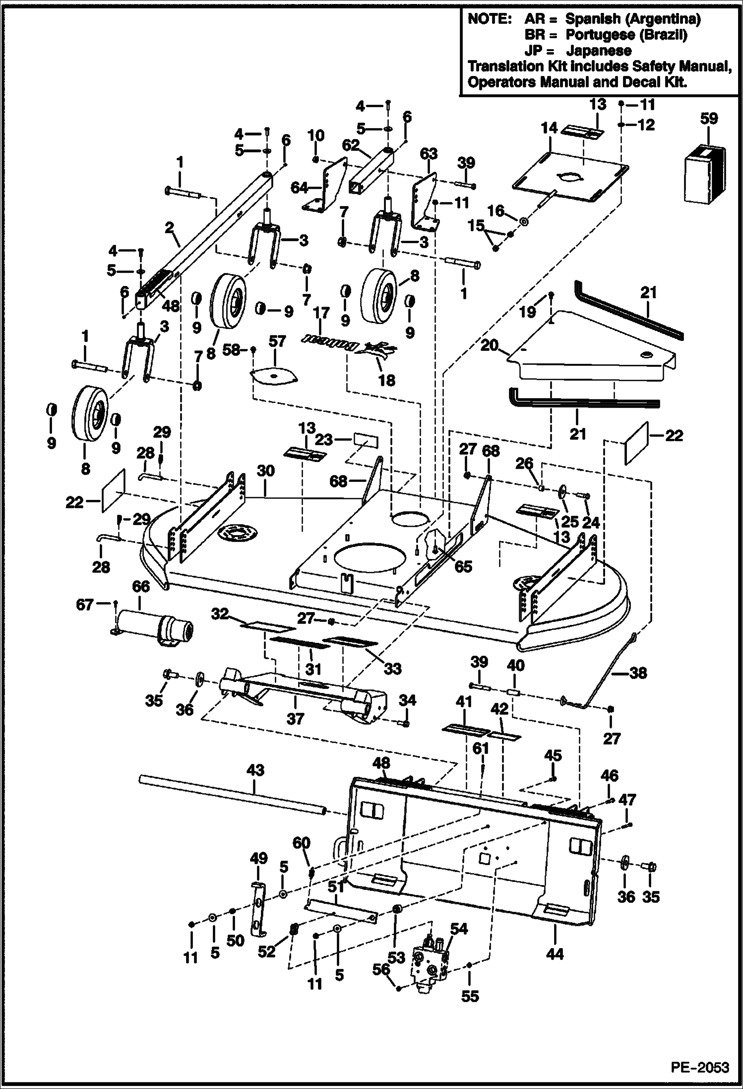
1

17C1288

BOLT

2

6814756

ARM

3

6734338

MOUNT caster

4

17C620

BOLT

5

619021

WASHER, 5

6

10H35

FITTING, GREASE 10

7

89D12

NUT

8

6685620

TIRE, MOWER ASSY wheel & tire sold only as an assembly - includes Ref. 9 - Was 6681855 - A

9

6683826

BEARING

10

89D8

NUT

11

89D6

NUT

12

25E18

WASHER

13

6734443

DECAL, WARNING

14

6734336

MOUNT motor

15

61D8

NUT 5

16

25E22

WASHER

17

6732488

DECAL Bobcat

18

6732489

DECAL Bobcat head

19

84G3708

SCREW Was 84G003710B - B

20

6814755

SHIELD

21

6513152

SEAL 18.50'' long - bulk-sold per foot

22

6734440

DECAL, DANGER

23

DECAL NLA - patent - Was 6557224 - C

24

17C828

BOLT

25

25E22

WASHER Was 6704978 - B

26

6503955

TUBE

27

83D8

NUT 5

28

6734335

PIN

29

6649706

PIN

30

6814742

MAIN FRAME

31

6734440

DECAL, DANGER

32

6734442

DECAL danger

33

6734439

DECAL service

34

35C820

BOLT

35

31C1236

BOLT

36

6552871

WASHER

37

6734327

BRACKET pivot

38

6814763

CABLE

39

17C852

BOLT 5

40

6734331

SPACER

41

6734441

DECAL operation

42

7152860

DECAL, FLOW MAX Was 6814635 - C

43

6734324

SHAFT pivot

44

6734325

MOUNT bobtach

44

7128622

MOUNT Bobtach

45

17C624

BOLT 5

46

17C640

BOLT 5

47

17C552

BOLT

48

6569838

STEP

49

6734323

BRACKET

50

6586115

BUSHING

51

6818157

BAR

52

6715370

LINK

53

6715397

MOUNT

54

VALVE See Illustration MOWER/ MS2208B See Illustration MOWER/ PE2421C shutoff

55

25E15

WASHER

56

89D5

NUT

57

6734329

COVER

58

84G3708

SCREW

59

6734604AR

TRANSLATION KIT

59

6734604BR

TRANSLATION KIT

59

6734605AR

DECAL KIT

59

6734605BR

DECAL KIT

59

6734605JP

DECAL KIT

60

6563128

SPRING

61

1304227

PIN

62

6817700

ARM

63

6817697

BRACKET R.H.

64

6817698

BRACKET L.H.

65

37C616

BOLT

66

7108147

CONTAINER, MANUAL W/ 6686517 tube

66

6686517

TUBE fits inside container

67

84G3712

BOLT 5

68

7117914

BRACKET, CABLE cable - bolt on

Выбрано товаров: 74