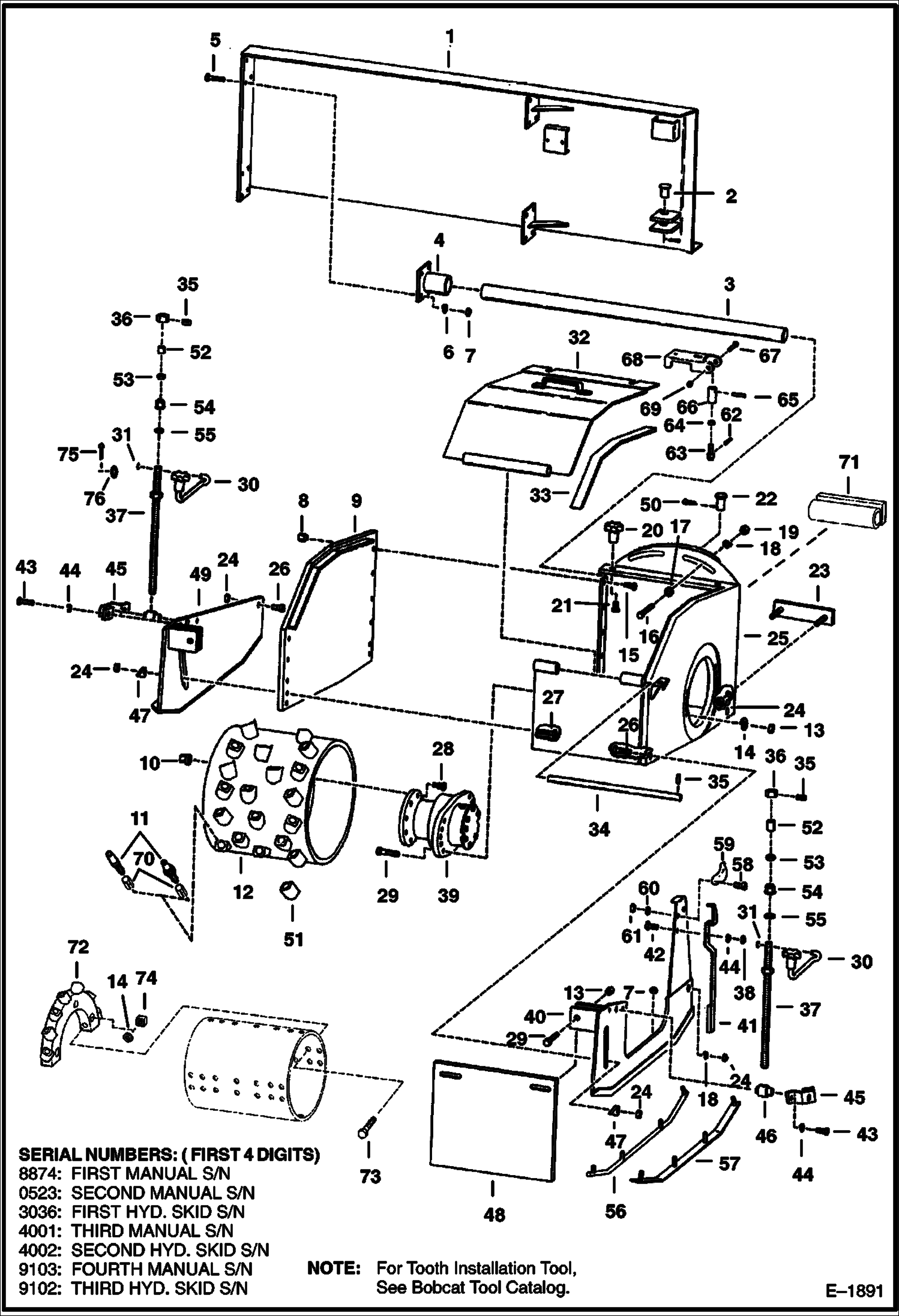
Запчасти Bobcat PLANERS PLANER (Main Frame) (052300101 - 00699) (303600100) Loader

Схема запчастей Bobcat PLANERS - PLANER (Main Frame) (052300101 - 00699) (303600100) Loader
FIT
1:1
100%

Артикул

Название

Примечание

Количество

1

6650159

FRAME Bob-Tach

2

PIN NLA - Was 6650160 - A

3

6650161

ROD SLIDE

4

6650162

END CAP

5

BOLT NLA - carriage bolt 1/2'' x 2 1/4'' - grade 2 - Was 17C000834B - A

6

4E8

WASHER

7

61D8

NUT 5

8

6610379

NUT Was 6650163 - A

9

6650164

SIDE

10

6651480

NUT

11

6672259

BIT std all purpose - sharp point

11

6650137

BIT, TOOTH BLUNT POINT 70 all purpose - blunt point for longer life

11

6650138

BIT, TOOTH CARBIDE 70 concrete

11

6659946

BIT, TOOTH CARBIDE heavy duty

12

DRUM SALES #6662756 - 51 mm (2'') wide all purpose - 24 bits

12

DRUM SALES #6652876 - 102 mm (4'') wide all purpose - 39 bits

12

DRUM SALES #6661408 - 152 mm (6'') wide all purpose - 34 bits

12

DRUM SALES #6658181 - 203 mm (8'') wide all purpose - 34 bits

12

DRUM SALES #6658182 - 305 mm (12'') wide all purpose - 40 bits

12

DRUM SALES #6651216 - 406 mm (16'') wide asphalt - 50 bits

12

DRUM SALES #6652875 - 406 mm (16'') wide all purpose - 62 bits

13

61D10

NUT

14

4E10

WASHER

15

6650191

STUD

16

37C1240

BOLT Was 17C001232B - B

17

25E27

WASHER

18

23E12

WASHER Was 4E12 - A

19

61D12

NUT

20

6650165

KNOB

21

17C832

BOLT

22

6650166

PIN

23

6650167

CLAMP

24

59D12

NUT

25

HOUSING NLA - Order (1) of 6650168 housing, (1) of 6650167 clamp , (2) of 6667550 wear plate, (2) of 6667551 cover, (2) of 37C001240B bolt, (2) of 25E000027B washer, (4) of 84G003716B bolt & (4) of 61

25

6650168

HOUSING

26

17C1240

BOLT Was 6654219 - A

27

17C1252

BOLT Was 6654220 - A

28

6650213

STUD

29

17C1032

BOLT

30

6905797

CRANK adj. - Was 6650169 - A

31

CLIP NLA - Was 6650192 - A

32

DOOR NLA - Was 6650170 - A

32

6655953

DOOR

33

CUSHION SEAL NLA - Order 610 mm (2') of Ref. 6906931 - Was 6653205 - A

34

6650171

PIN

35

14J2524

ROLL PIN

36

NUT NLA - Order Ref. 52 - 55

37

6650173

BOLT

38

61D6

NUT 5

39

MOTOR See Illustration PLANER/ C3346

40

SKID PLATE NLA - Order 6669028 plate, 6669029 mount (4) of 84G003710B bolt and Ref. 56 or 57 - Was 6650175 - A

40

SKID PLATE NLA - Order 6669028 plate, 6669029 mount (4) of 84G003710B bolt and Ref. 56 or 57 - Was 6656392 - A

41

LEVER NLA - Was 6650174 - A

42

17C616

BOLT 5

43

17C716

BOLT

44

4E7

WASHER

45

6662310

BRACKET Was 6650176 - A

46

6650177

SWIVEL

47

6650178

WASHER arrow

48

6659863

FLAP Was 6650179 - A

49

SKID PLATE NLA - Order 6656390 , 61D000008B & Ref. 56 or Ref. 57 - Was 6650180 - A

49

6659864

SKID PLATE Was 6656390 - A

50

1F832

COTTERPIN

51

6654056

BLOCK

52

6654889

SPACER

53

7D6

NUT Was 6654890 - A

54

6654891

NUT

55

6654892

WASHER

56

6655955

WEAR BAR Round

57

6655954

WEAR BAR Flat

58

41G812

SCREW

59

SLOPE METER NLA - Was 6655956 - A

60

17E8

WASHER

61

12D8

NUT

62

6599361

PIN

63

6565629

SCREW

64

6565627

NUT

65

33G404

SET SCRW5

66

6565628

NUT

67

6564599

BOLT

68

6563681

HANDLE

69

85D5

NUT 5

70

6664475

RETAINER

71

6665660

TUBE Welded on

72

RING NLA - Was 6707993 - A

73

17C1040

BOLT

74

61D10

NUT Was 6707999 - A

75

1F420

CTTR PIN cotter

76

25E21

WASHER 5

Выбрано товаров: 89