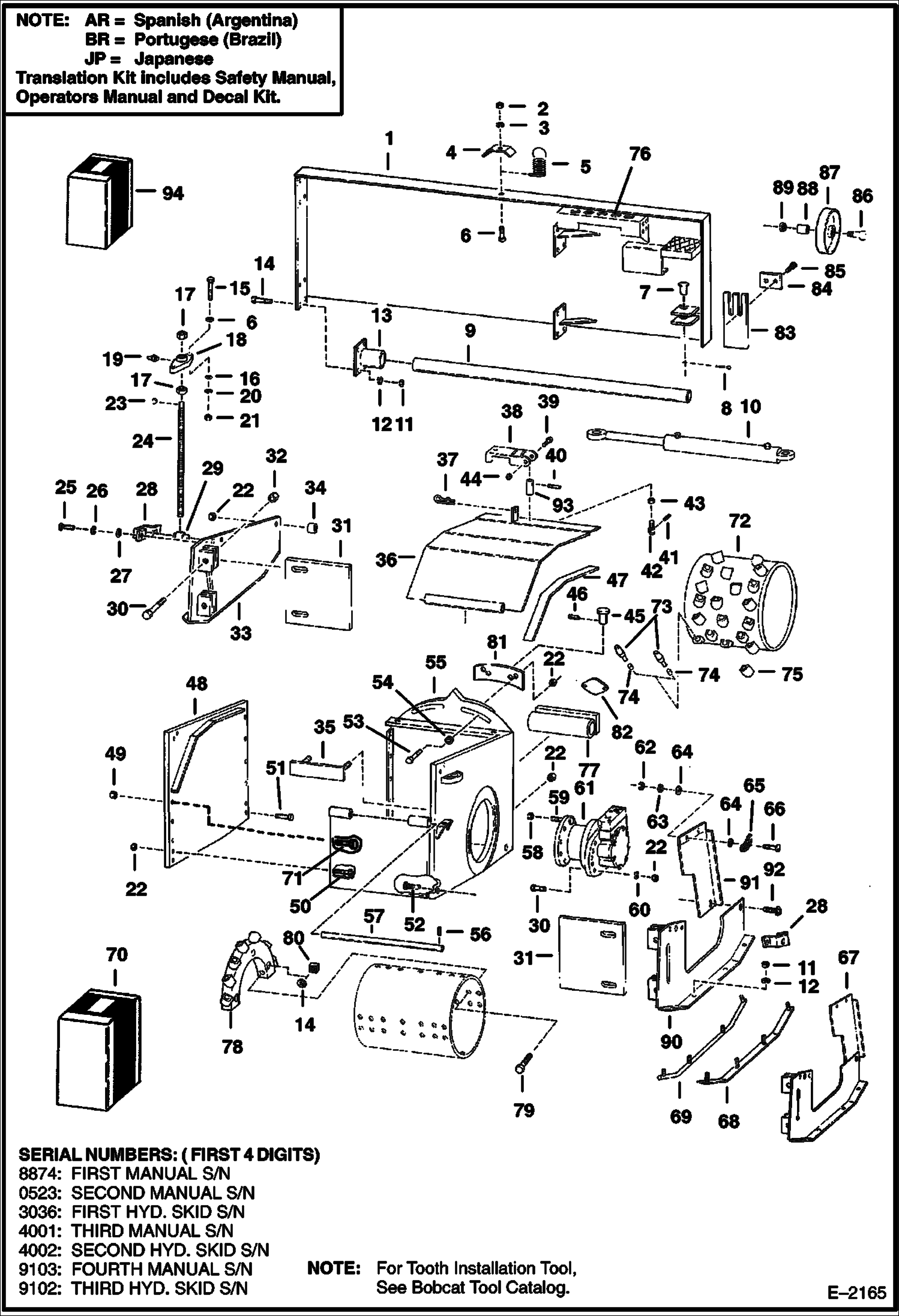
Запчасти Bobcat PLANERS PLANER (Main Frame) (052300701 & Above) (303600101 & Above) Loader

Схема запчастей Bobcat PLANERS - PLANER (Main Frame) (052300701 & Above) (303600101 & Above) Loader
FIT
1:1
100%

Артикул

Название

Примечание

Количество

1

6650159

FRAME

2

61D5

NUT

3

4E5

WASHER

4

6648599

CLAMP

5

30H82

CLAMP INSULATED Was 6660002 - A

6

17C520

BOLT 5

7

PIN NLA - Was 6650160 - A

8

1F832

COTTERPIN

9

6650161

ROD SLIDE

10

CYLINDER See Illustration PLANER/ B12574

11

61D8

NUT 5

12

4E8

WASHER

13

6650162

END CAP

14

BOLT NLA - carriage bolt 1/2'' x 2 1/4'' - grade 2 - Was 17C000834B - A

15

17C624

BOLT 5

16

25E17

WASHER 5

17

7D16

NUT Was 6654890 - A

17

6661764

NUT

18

6659867

BEARING

19

10H35

FITTING, GREASE 10

20

4E6

WASHER

21

61D6

NUT 5

22

59D12

NUT

23

5J606

KEY

24

SCREW NLA - adjusting - Order Ref. 70

24

6661760

BOLT adjusting

25

17C716

BOLT

26

4E7

WASHER

27

25E17

WASHER 5

28

6650176

BRACKET

28

6662310

BRACKET

29

6660275

SWIVEL block

29

6661761

SWIVEL block

30

17C1032

BOLT

31

6659863

FLAP

32

59D10

NUT

33

6659864

SKID PLATE

34

6662259

BUSHING

35

6650167

CLAMP

36

6655953

DOOR

37

6648587

PIN, SNAP

38

6563681

HANDLE

39

38C624

BOLT 5 Was 6564599 - A

40

33G404

SET SCRW5

41

6599361

PIN

42

6565629

SCREW

43

6565627

NUT

44

85D5

NUT 5

45

6650166

PIN

46

1F832

COTTERPIN

47

CUSHION SEAL NLA - Order 2' of Ref. 6906931 - Was 6653205 - A

48

FRAME NLA - Was 6659861 - A

49

6610379

NUT

50

17C1252

BOLT Was 6654220 - A

51

17C1240

BOLT

52

17C1240

BOLT Was 6654219 - A

53

37C1240

BOLT Was 17C001232B - B

54

25E27

WASHER

55

HOUSING NLA - Order (1) of 6650168 housing, (1) of Ref. 35, (2) of Ref. 81, (2) of Ref. 82, (2) of 37C001240B bolt, (2) of 25E000027B washer, (4) of 84G003716B bolt & (4) of 61D000012B nut

55

6650168

HOUSING

56

14J2524

ROLL PIN

57

6650171

PIN

58

6651480

NUT

59

6650213

STUD

60

4E10

WASHER

61

MOTOR See Illustration PLANER/ C3275 See Illustration PLANER/ C3346 See Illustration PLANER/ B15176

62

12D8

NUT

63

17E8

WASHER

64

25E8

WSHR

65

SLOPE METER NLA - Was 6655956 - A

66

41G812

SCREW

67

SKID PLATE NLA - Order 6669028 plate, 6669029 mount (4) of 84G003710B bolt and Ref. 68 or 69 - Was 6656392 - A

68

6655954

WEAR BAR flat

69

6655955

WEAR BAR round

70

SCREW KIT NLA - For Hydraulic Skis - Order 17, 24, 28 & 29 - Also 6661765 orifice & 6661762 Cover - Was 6662311 - A

70

SCREW KIT NLA - For Manual Skis - Order 17, 24, 28 & 29 - Also 6659868 Adapter - For One Side - Was 6662312 - A

71

6650191

STUD

72

DRUM NLA - 2'' wide all purpose - 24 bits - Order 6905178 drum from Sales - Was Sales #6662756 - A

72

DRUM NLA - 4'' wide all purpose - 39 bits - Order 6958406 drum from Sales - Was Sales #6652876 - A

72

DRUM SALES #6661408 - 6'' wide all purpose - 34 bits

72

DRUM SALES #6658181 - 8'' wide all purpose - 34 bits

72

DRUM SALES #6658182 - 12'' wide all purpose - 40 bits

72

DRUM NLA - 16'' wide asphalt - 50 bits - Order 6715339 or 6715340 from Sales - Was Sales #6651216 - A

72

DRUM NLA - 16'' wide all purpose - 62 bits - Order 6715339 or 6715340 from Sales - Was Sales #6652875 - A

73

6672259

BIT std all purpose - sharp point

73

6650137

BIT, TOOTH BLUNT POINT 70 all purpose - blunt point for longer life

73

6650138

BIT, TOOTH CARBIDE 70 concrete

73

6659946

BIT, TOOTH CARBIDE heavy duty

74

6664475

RETAINER

75

6654056

BLOCK

76

6577917

STEP

77

6665660

TUBE Welded on

78

RING NLA - Was 6707993 - A

79

17C1040

BOLT

80

61D10

NUT Was 6707999 - A

81

WEAR STRIP NLA - Was 6667550 - A

82

6667551

COVER

83

6668932

SCRAPER

84

6668954

PLATE

85

84G3712

BOLT 5

86

38C1264

BOLT shoulder

87

6670683

WHEEL W/Ref. 88 - Was 6668933 - A

88

6668934

BUSHING

89

59D10

NUT

90

6669028

PLATE

91

6671104

MOUNT, LEVEL Was 6669029 - A

92

84G3710

SCREW

93

6565628

NUT

94

6716760AR

KIT decal - SEE NOTE

94

6716760BR

KIT decal - SEE NOTE

94

6716760JP

KIT decal - SEE NOTE

94

6716761AR

KIT translation - SEE NOTE

94

6716761BR

KIT translation - SEE NOTE

Выбрано товаров: 113