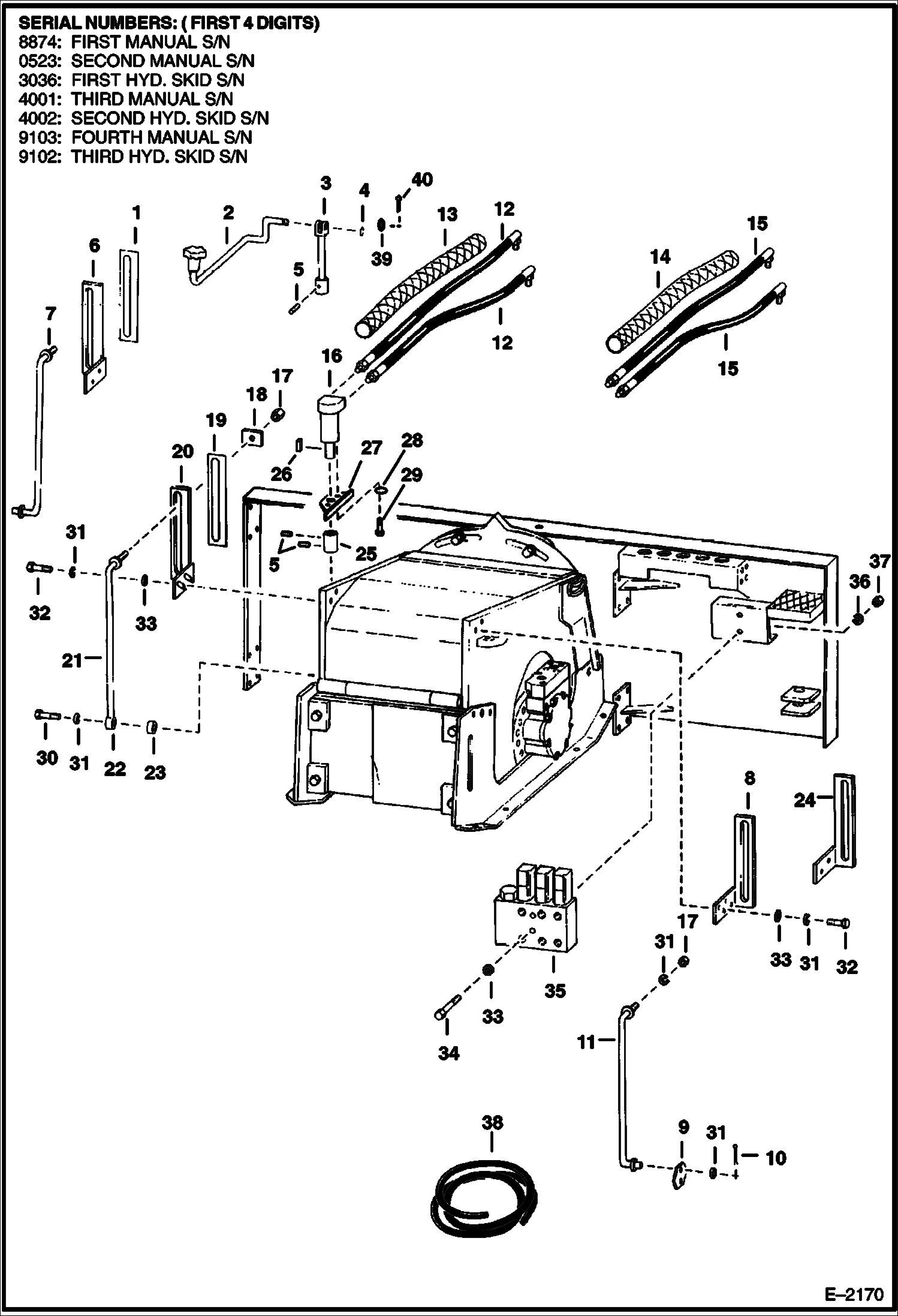
Запчасти Bobcat PLANERS PLANER (Manual & Hydraulic Ski Adjusters) (052300701 & Above) (303600101 & Above) Loader

Схема запчастей Bobcat PLANERS - PLANER (Manual & Hydraulic Ski Adjusters) (052300701 & Above) (303600101 & Above) Loader
FIT
1:1
100%

Артикул

Название

Примечание

Количество

1

6650153

DECAL Use W/Ref. 2

2

6905797

CRANK Was 6650169 - A

3

6659868

ADAPTER See Illustration PLANER/ E2165 FOR SCREW ADJUSTERS DOES NOT INCLUDE REF. 5

4

CLIP NLA - Was 6650192 - A

5

15G406

SCREW

6

6659871

PLATE R.H. Indicator

7

6659872

ROD R.H. Indicator

8

6659870

PLATE L.H. Indicator

9

6659873

MOUNT L.H. Indicator

10

1F424

PIN

11

6659869

ROD L.H. Indicator

12

6659876

HOSE 75''

13

WRAP NLA - Order 72'' (1828,8mm) of Ref. 38

14

WRAP NLA - Order 53'' (1346,2mm) of Ref. 38

15

6659877

HOSE 55''

16

MOTOR See Illustration PLANER/ B13604

17

59D6

NUT

18

6662274

POSITION PIECE

19

6662275

DECAL

20

6662271

PLATE

21

6662270

ROD

22

6662269

BALL END

23

6662268

SPACER

24

6662277

PLATE

25

6661762

COLLAR does not include Ref. 5 - Was 6659875 - A

26

7J2012

KEY Was 5J000404B - B

27

6659874

BRACKET

28

4E4

WASHER

29

17C412

BOLT 5

30

17C636

BOLT Was 17C000634B - A

31

4E16

WASHER

32

17C616

BOLT 5

33

25E16

WSHR

34

17C556

BOLT

35

VALVE See Illustration PLANER/ B25259

36

4E5

WASHER

37

61D5

NUT

38

6649389

HOSE COVER bulk - Sold Per Foot - Was 6659994 - A

39

25E21

WASHER 5

40

1F420

CTTR PIN

Выбрано товаров: 40