Запчасти Bobcat PLANERS PLANER (Hydraulic Circuitry) (40 9914) Loader

Схема запчастей Bobcat PLANERS - PLANER (Hydraulic Circuitry) (40 9914) Loader
FIT
1:1
100%

Артикул

Название

Примечание

Количество

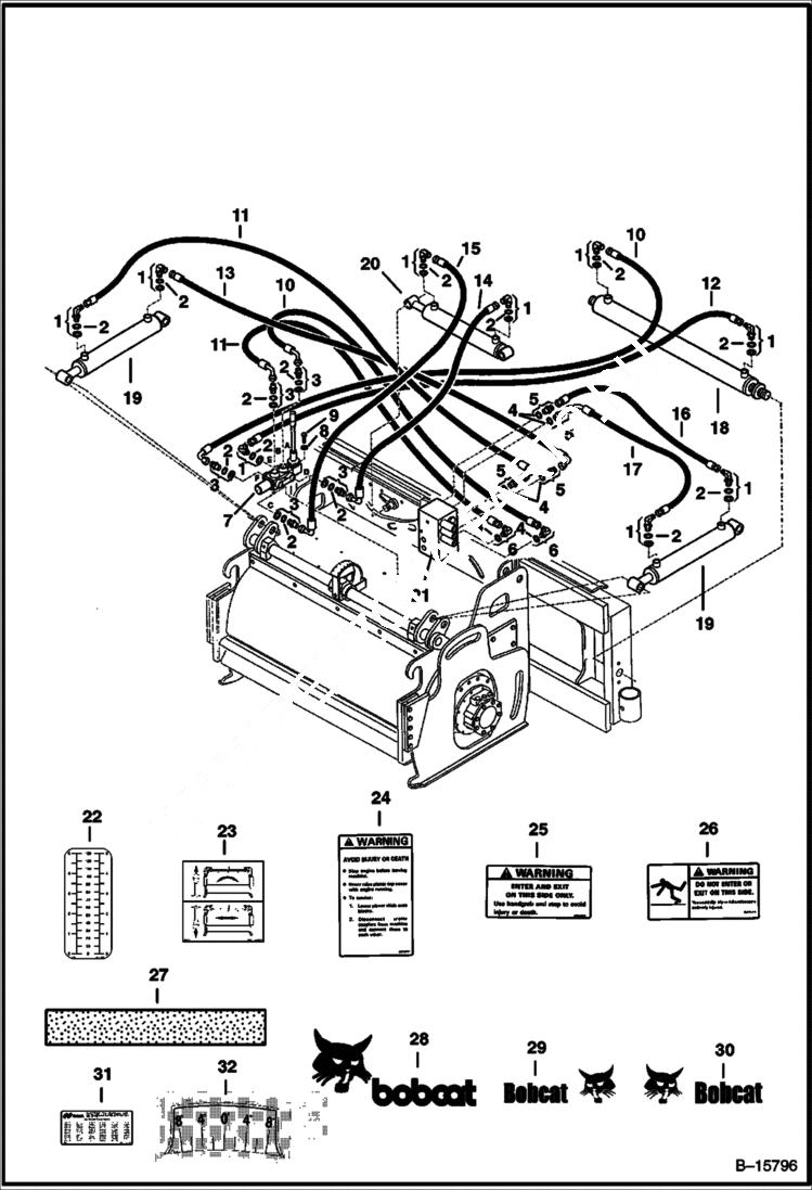
1

6676899

ADAPTER

2

6676880

O-RING

3

6676900

ADAPTER

4

6676901

O-RING

5

6676902

ADAPTER

6

6676903

ELBOW

7

6676860

VALVE

8

6676779

WASHER

9

6676861

BOLT

10

6676862

HOSE

11

6676863

HOSE

12

6676864

HOSE

13

6676869

HOSE

14

6676865

HOSE

15

6676866

HOSE

16

6676867

HOSE

17

6676868

HOSE

18

6676827

CYLINDER See Illustration PLANER/ B15792 SIDE SHIFT

19

6676838

CYLINDER, DEPTH CONTROL See Illustration PLANER/ B15793

20

6676843

CYLINDER, TILT See Illustration PLANER/ B15794

21

VALVE See Illustration PLANER/ B18102A

21

VALVE, CONTROL See Illustration PLANER/ NA2833A

22

6726639

DECAL depth

23

6726637

DECAL valve

24

6578779

DECAL, WARNING

25

6594488

DECAL, WARNING warning-enter/exit this side only

26

6701391

DECAL, EXIT

27

6726638

SAFETY TREAD 102 mm (4'') x 851 mm (33.50'')

28

6729098

DECAL 424 mm (16.7'') x 195 mm (7.7'') - Was 6703645 - B,D

28

6735900

DECAL, LOGO BOBCAT AND HEAD logo - 622 mm (24.5'') x 178 mm (7'')

29

6727323

DECAL, LOGO BOBCAT AND HEAD LH - 210 mm (8.25'') x 80 mm (3.14'')

30

6727324

DECAL, LOGO BOBCAT AND HEAD RH - 210 mm (8.25'') x 80 mm (3.14'')

30

7109473

DECAL, LOGO BOBCAT AND HEAD Use on both sides - 210 mm (8.25'') x 68 mm (2,68'')

31

DECAL NLA - patent - Was 6557224 - C

32

6684626

DECAL degree

Выбрано товаров: 35