Запчасти Bobcat PLANERS PLANER (Hydraulic Circuitry) (Standard Flow Planer) (14 231200101 & Above) Loader

Схема запчастей Bobcat PLANERS - PLANER (Hydraulic Circuitry) (Standard Flow Planer) (14 231200101 & Above) Loader
FIT
1:1
100%

Артикул

Название

Примечание

Количество

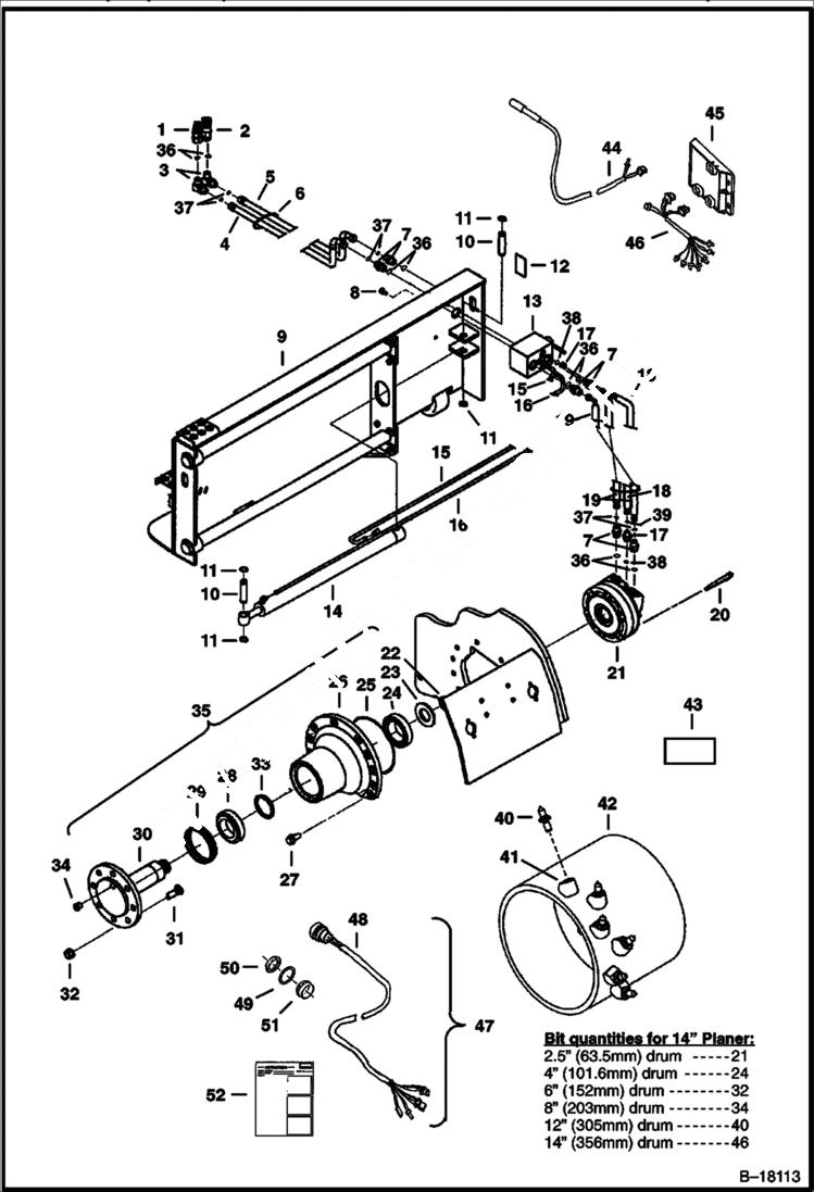
1

6688454

COUPLER, FF MALE straight - Was 6674688 - B

2

6687636

COUPLER, FF FEMALE straight - Was 6672960 - B

3

17KB1212

FITTING, HYD ELBOW 90 degree elbow (shown) - Was 17KV00008B - A

3

15KB1212

FITTING, HYD CONNECTOR straight adapter

4

6716338

HOSE Use with 90 degree elbow

4

7179465

HOSE, HYD Use with straight adapter

5

6716339

HOSE Use with 90 degree elbow

5

7178854

HOSE, HYD Use with straight adapter

6

6624289

STRAP, TIE

7

15KB1212

FITTING, HYD CONNECTOR Was 15KN00008B - A

8

35C616

BOLT 5

9

6713465

MAIN FRAME

10

6714997

PIN

11

1320431

RING, SNAP

12

6905881

DECAL

13

6905874

VALVE, SELECTOR See Illustration PLANER/ B18114

14

7108418

CYLINDER See Illustration PLANER/ TS1147B Was 6587878 - A

15

6707443

HOSE

16

6716337

HOSE

17

15KB0808

FITTING, HYD CONNECTOR Was 15KN00006B - A

18

6905502

HOSE, HYD

19

7170590

HOSE, HYD Was 6905898 - A

20

3GM1290

BOLT

21

6675290

MOTOR ASSY See Illustration PLANER/ B18103A

22

6672822

RING, RETAINER W/pin holes

22

7176088

RING, RETAINER W/O pin holes

23

6905108

THRUST WASHER

24

6671955

BEARING CONE

24

6671956

BEARING CUP

25

25K30816

O-RING Was 25K30812 - B,D

26

6905109

CARRIER bearing

27

49C1024

BOLT

28

6648780

BEARING CONE Was 6448780 - D

28

6648782

BEARING CUP Was 6448782 - D

29

6670237

SEAL

30

SHAFT NLA - output - Use W/Ref. 22 (6672822 retaining ring W/pin holes) - Order 7191373 shaft & Ref. 53 (7176088 retaining ring W/O pin holes) - Was 6905110 - A

30

7191373

SHAFT output - Use W/Ref. 22 (7176088 retaining ring W/O pin holes) - Whenever the shaft is replaced or removed, Also Order Ref. 22 (7176088 retaining ring W/O pin holes)

31

6592304

BOLT

32

84D12

NUT

33

6674123

SEAL pressure

34

90K3

PLUG Was 90KV3 - D

35

6905613

CARRIER ASSY W/Ref. 22-24, 26, 28-31, 33 & 34 - use Mobile DTE extra heavy oil for lubrication

35

6988438

OIL, BOBCAT GEAR AND BEARING, 16OZ

36

99K12

O RING

37

97K12

O'RING flared end

38

99K8

O-RING

39

97K8

O-RING

40

6672259

BIT std all purpose - sharp point - See Chart for Quantities

40

6650137

BIT, TOOTH BLUNT POINT 70 all purpose - blunt point - See Chart for Quantities

40

6650138

BIT, TOOTH CARBIDE 70 concrete - carbide - See Chart for Quantities

40

6659946

BIT, TOOTH CARBIDE heavy duty - carbide - See Chart for Quantities

41

6634443

HOLDER, BIT See Chart for Quantities

42

DRUM SALES #6905178 - 63,5 mm (2.5'') wide - slotcutting - 21 bits

42

DRUM SALES #6958406 - 101,6 mm (4'') wide - slotcutting - 24 bits

42

DRUM SALES #6661408 - 152 mm (6'') wide - all purpose - 32 bits

42

DRUM SALES #6658181 - 203 mm (8'') wide - all purpose - 34 bits

42

DRUM SALES #6658182 - 305 mm (12'') wide - all purpose - 40 bits

42

DRUM SALES #6905404 - 356 mm (14'') wide - all purpose - 46 bits

43

6905216

DECAL, DRUM Use W/Ref. 42 (SALES #6905178 drum)

43

6958408

DECAL, DRUM Use W/Ref. 42 (SALES #6958406 drum)

43

6905217

DECAL, DRUM Use W/Ref, 42 (SALES #6661408 drum)

43

6905218

DECAL, DRUM Use W/Ref. 42 (SALES #6658181 drum)

43

6905219

DECAL, DRUM Use W/Ref. 42 (SALES #6658182 drum)

43

6905760

DECAL, DRUM Use W/Ref. 42 (SALES #6905404 drum)

44

6725385

HARNESS 7-pin

45

6678675

CONTROLLER, ACD Was 6676514 - A

46

6719694

HARNESS ACD to valve

47

6725383

KIT 14-pin harness conversion - converts 7-pin planers to be used with 14-pin loader - W/Ref. 76 - 80

48

6719697

HARNESS 14-pin conversion

49

6664037

WASHER

50

6664036

NUT

51

6673680

RECEPTACLE, TWIST-LOC

52

6901005

INSTRUCTIONS

Выбрано товаров: 73