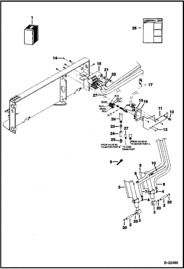
Запчасти Bobcat PLANERS PLANER (Hydraulic Upgrade Depth Control Kit W/O Case Drain) (Standard Flow Planer) (14 231200101 & Above) Loader

Схема запчастей Bobcat PLANERS - PLANER (Hydraulic Upgrade Depth Control Kit W/O Case Drain) (Standard Flow Planer) (14 231200101 & Above) Loader
FIT
1:1
100%

Артикул

Название

Примечание

Количество

1

KIT, UPGRADE HYD NLA - depth control - Ref. 2-26 - Order components - Was SALES #6905992 - A

2

6713964

PIN, PIVOT

3

6680632

CYLINDER See Illustration PLANER/ B22496C See Illustration PLANER/ TS1489B Was 6801313 - B,D

4

17KB0606

FITTING

5

6715662

DECAL depth

6

6624289

STRAP, TIE

7

6716336

HOSE, HYD

8

6716333

HOSE, HYD

9

6716334

HOSE, HYD

10

6716335

HOSE, HYD

11

6905873

COVER, VALVE

12

25G616

SCREW

13

6675128

CAP

14

35C616

BOLT 5

15

97D6

NUT 10

16

6678675

CONTROLLER, ACD Was 6676514 - A

17

6725385

HARNESS 7-pin

18

6719694

HARNESS ACD to valve

19

6669981

VALVE, CONTROL See Illustration PLANER/ B18102B

20

1320431

RING, SNAP

21

21KB1212

FITTING, HYD TEE

22

6905817

ADAPTER reducer

23

15KB1212

FITTING, HYD CONNECTOR

24

6958226

CHECK VALVE

25

6655444

ADAPTER

26

6901206

INSTRUCTIONS

27

6905502

HOSE, HYD not in kit

28

7170590

HOSE, HYD not in kit - Was 6905898 - A

Выбрано товаров: 28