Запчасти Bobcat POWER RAKE POWER RAKE (Caster Wheel Assy) (72 925100720 & Above) Loader

Схема запчастей Bobcat POWER RAKE - POWER RAKE (Caster Wheel Assy) (72 925100720 & Above) Loader
FIT
1:1
100%

Артикул

Название

Примечание

Количество

1

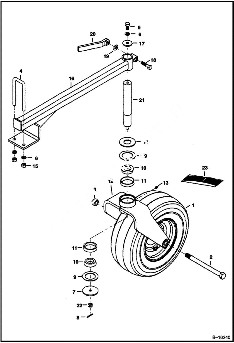
WHEEL & TIRE See Illustration POWER RAKE/ B24278 NLA - Order 6686562 wheel & tire kit - Was 6678214 - A

1

TIRE 16.5 x 6.5-8 - puchase locally

2

6678216

BOLT

3

85D12

NUT, 5

4

6678211

U-BOLT

5

17C812

BOLT

6

4E8

WASHER

7

6666959

WASHER

8

1F416

PIN

9

6666958

WASHER Felt

10

6666957

BEARING

11

6666956

CUP

12

6678215

FORK

13

10H35

FITTING, GREASE 10

14

28E20

WASHER

15

85D8

NUT, 5

16

6678213

SUPPORT

17

6666952

WASHER

18

18C832

BOLT

19

28E8

WASHER

20

6666951

HANDLE

21

6678212

SHAFT

22

6666949

NUT Slotted

23

6678287

BEARING KIT for wheel axle

Выбрано товаров: 24