Запчасти Bobcat ROTARY CUTTER ROTARY CUTTER (60 467000101 - 02281) Loader

Схема запчастей Bobcat ROTARY CUTTER - ROTARY CUTTER (60 467000101 - 02281) Loader
FIT
1:1
100%

Артикул

Название

Примечание

Количество

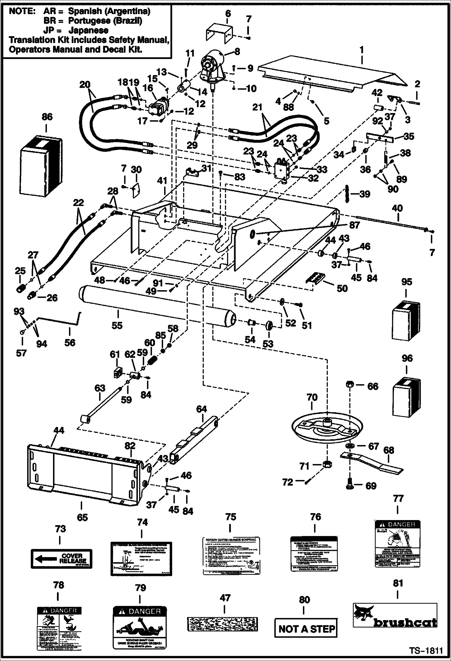
1

6714714

COVER

2

6564340

PIN

3

6562225

HINGE

4

35C716

BOLT

5

6568047

NUT

6

6714687

COVER

7

84G3712

BOLT 5

8

GEARBOX See Illustration ROTARY CUTTER/ D2408

9

17C1032

BOLT

10

89D10

NUT

11

17C848

BOLT

12

89D8

NUT

13

15G410

SET SCREW

14

6714930

COUPLER

15

7J4204

KEY

16

MOTOR

17

93G828

BOLT

18

15KB1010

FITTING, HYD CONNECTOR W/Ref. 19 - Was 15KV00007B - A

18

97K10

O-RING 10 for flared end

19

99K10

O'RING

20

6816334

HOSE Was 6807342 - A

21

6809881

HOSE Was 6715386 - A

22

6715387

HOSE

23

15KB1212

FITTING, HYD CONNECTOR W/Ref. 24 - Was 15KN00008B - A

23

97K12

O'RING flared end

24

99K12

O RING

25

6672960

COUPLER, FF FEMALE straight

26

6674688

COUPLER, FF MALE straight - Was 6667808 - A

27

79K12

O RING 10

28

88F7

ELBOW bulkhead

28

88F7

ELBOW bulkhead - W/O-ring on flare end Was 88FN00007B - A

28

97K10

O-RING 10 for flared end

29

86F7

LOCK NUT

30

6714713

COVER

31

6665531

LATCH

32

VALVE See Illustration ROTARY CUTTER/ D2417 SHUTOFF

33

83D5

NUT 5

34

6715370

LINK

35

6714717

ARM shutoff

36

6715397

MOUNT

37

89D6

NUT

38

6715840

SPRING

39

6714698

CHAIN

40

6714695

ROD

41

HOUSING NLA - order 6812734 housing, 6812807 cover, (2) of 6728966 hose & (2) of 6679764 latch - Was 6714673 - A

41

6812734

HOUSING

42

6562224

BUSHING weld on

43

6555989

BUSHING outer - weld on

44

6555987

BUSHING inner - weld on

45

6703572

PIN, PIVOT

46

17C640

BOLT 5

47

6577947

SAFETY TREAD 190,5 x 381 mm (7.5 x 15'')

48

25G416

BOLT

49

17C552

BOLT

50

6905990

STEP Was 6701943 - B

51

31C1236

BOLT

52

6552871

WASHER

53

6671962

BEARING, BALL

54

6714694

MOUNT, BEARING 2.10'' (53,34mm) long

55

6714691

ROLLER, MOWER

56

6714708

ROD

57

6672326

COVER

58

8D16

NUT

59

1657083

WIPER ROD wiper

60

6594434

SPRING, COMPRESSION

61

6717059

SPACER

62

6809668

BUSHING Also Order Ref. 59 - Was 6717341 - A

63

6810712

SHAFT, ROD CYL POWER BOB-TACH Was 6716946 - A

64

6714704

MOUNT

65

6812808

MOUNT Was 6714699 - A

66

NUT NLA - without flange-with nylon insert- order 6810800 nut & 6813014 bolt

66

6810800

NUT with flange-without nylon insert

67

WASHER NLA - 3.00'' O.D. - Order 6809851 washer & 6809869 bolt - Was 6813014 - C

67

6809851

WASHER 4.50'' O.D.

68

BLADE NSS - standard - 3'' offset - Order Ref. 95 - Was 6715080 - A

68

BLADE NSS - 2'' offset - cut is approx. 1'' higher than standard blade - Order Ref. 95 - Was 6719541 - A

69

BOLT NLA - Order 6809851 washer & 6813014 bolt - Was 6714929 - C

69

BOLT NLA - without nylon patch - order 6813014 bolt & 6810800 nut - Was 6809869 - A

69

6813014

BOLT with nylon patch

70

6719729

MOUNT Was 6715062 - A

71

6672818

NUT

72

1F632

PIN

73

6715355

DECAL, INSTRUCTIONS release

74

6715356

DECAL, INSTRUCTIONS See Illustration ROTARY CUTTER/ NA6229 - nut torque

74

7214473

DECAL, INSTRUCTIONS See Illustration ROTARY CUTTER/ NA6229 - no-text - nut torque

75

6809665

DECAL service - Was 6715357 - A

76

6715358

DECAL operation

77

6715359

DECAL danger/service

78

6715360

DECAL, DANGER See Illustration ROTARY CUTTER/ NA6229

78

7214474

DECAL, DANGER See Illustration ROTARY CUTTER/ NA6229 - no-text

79

6715361

DECAL, DANGER See Illustration ROTARY CUTTER/ NA6229 - rotating shaft

79

7214475

DECAL, DANGER - no-text

80

6657351

DECAL, STEP See Illustration ROTARY CUTTER/ NA6229

80

7130136

DECAL, STEP See Illustration ROTARY CUTTER/ NA6229 - no-text

81

6717587

DECAL Brushcat - Was 6711327 - B

82

6577917

STEP

83

6655399

BUMPER

84

10H25

FITTING, GREASE 5

85

58D16

NUT

86

6716976AR

KIT decal - SEE NOTE

86

6716976BR

KIT decal - SEE NOTE

86

6716976JP

KIT decal - SEE NOTE

86

6716975AR

KIT translation - SEE NOTE

86

6716975BR

KIT translation - SEE NOTE

87

6714688

BUSHING weld on

88

25E19

WASHER

89

31C640

BOLT

90

55D6

NUT

91

25E15

WASHER

92

619021

WASHER, 5

93

25E14

WSHR

94

61D4

NUT 5

95

6732897

BLADE KIT standard 3'' offset - W/qty. 2 ea. of Ref. 66, 68 & 69

96

6732896

BLADE KIT 2'' offset - cut is 1'' higher than standard blade - W/qty. 2 ea. of Ref. 66, 68 & 69

Выбрано товаров: 114