Запчасти Bobcat ROTARY CUTTER ROTARY CUTTER (60 467002282 & Above, 4672000101 & Above) Loader

Схема запчастей Bobcat ROTARY CUTTER - ROTARY CUTTER (60 467002282 & Above, 4672000101 & Above) Loader
FIT
1:1
100%

Артикул

Название

Примечание

Количество

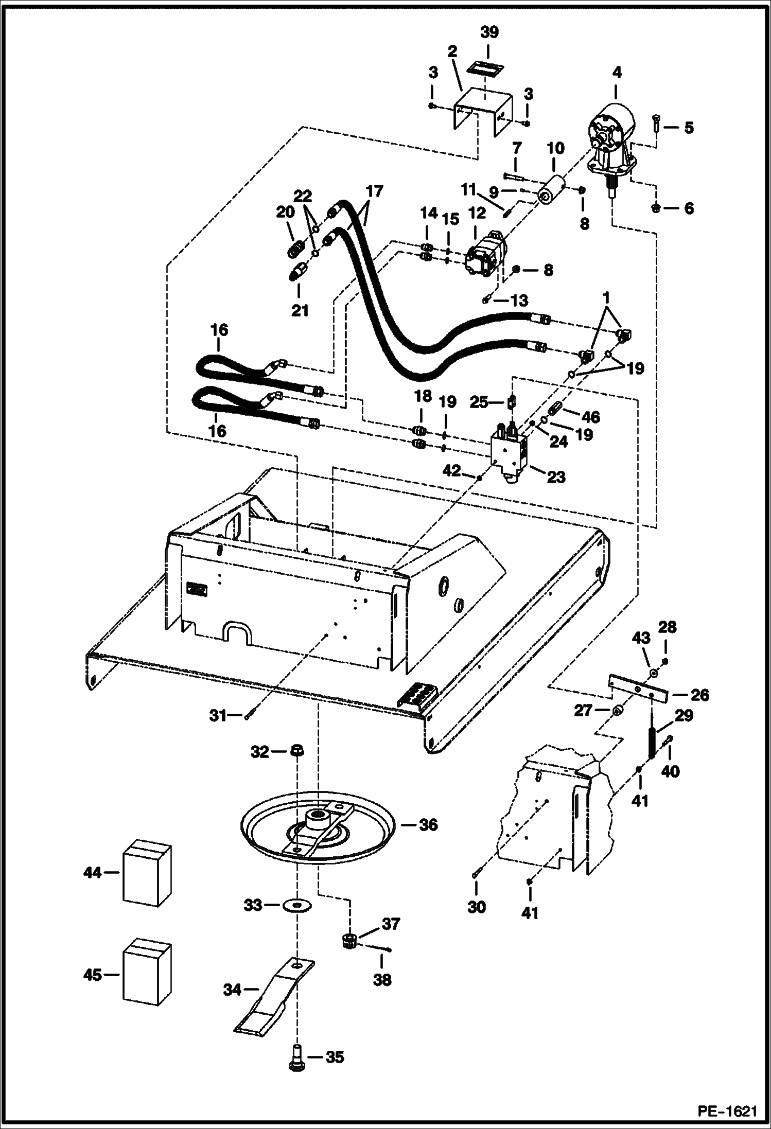
1

ELBOW NLA - W/Ref. 19 - tapered boss face - Was 17KV00008B - A

1

17KB1212

FITTING, HYD ELBOW W/Ref. 19 - flat boss face

1

97K12

O'RING flared end

2

6714687

COVER

3

84G3712

BOLT 5

4

GEARBOX See Illustration ROTARY CUTTER/ D2408

5

31C1032

BOLT Was 17C001032B - B

6

83D10

NUT 5 Was 89D000010B - B

7

17C848

BOLT

8

89D8

NUT

9

15G410

SET SCREW

10

6714930

COUPLER

11

7J4204

KEY

12

MOTOR

13

93G828

BOLT

14

ADAPTER NLA - W/Ref. 15 - tapered boss face - Was 15KV00007B - A

14

15KB1010

FITTING, HYD CONNECTOR W/Ref. 15 - flat boss face

14

97K10

O-RING 10 for flared end

15

99K10

O'RING for tapered boss face

15

79K10

O RING 10 for flat boss face

16

6816334

HOSE Was 6807342 - A

17

6816333

HOSE, HYD ASSY Was 6728966 - A

18

ADAPTER NLA - W/Ref. 19 - tapered boss face - Was 15KN00008B - A

18

15KB1212

FITTING, HYD CONNECTOR W/Ref. 19 - flat boss face

18

97K12

O'RING flared end

19

99K12

O RING for tapered boss face

19

79K12

O RING 10 for flat boss face

20

6672960

COUPLER, FF FEMALE straight

21

6674688

COUPLER, FF MALE straight

22

79K12

O RING 10

23

VALVE See Illustration ROTARY CUTTER/ D2417 SHUTOFF

24

83D5

NUT 5

25

6715370

LINK

26

7106684

ARM shutoff - Was 6714717 - A

27

6715397

MOUNT

28

89D6

NUT

29

6715840

SPRING

30

17C640

BOLT 5

31

17C552

BOLT

32

6810800

NUT

33

6809851

WASHER 4.50'' O.D.

34

BLADE NSS - standard - 3'' offset - Order Ref. 44 - Was 6715080 - A

34

BLADE NSS - 2'' offset - cut is approx. 1'' higher than standard blade - Order Ref. 45 - Was 6719541 - A

35

6813014

BOLT

36

6719729

MOUNT

37

6672818

NUT

38

1F632

PIN

39

6715361

DECAL, DANGER See Illustration ROTARY CUTTER/ NA6229 - rotating shaft

39

7214475

DECAL, DANGER See Illustration ROTARY CUTTER/ NA6229 - no-text

40

31C640

BOLT

41

55D6

NUT

42

25E15

WASHER

43

619021

WASHER, 5

44

6732897

BLADE KIT standard 3'' offset - W/qty. 2 ea. of Ref. 32, 34 & 35

45

6732896

BLADE KIT 2'' offset - cut is 1'' higher than standard blade - W/qty. 2 ea. of Ref. 32, 34 & 35

46

6817737

FUSE, VELOCITY

Выбрано товаров: 56