Запчасти Bobcat ROTARY CUTTER ROTARY CUTTER (High Flow) (72 A01C) Loader

Схема запчастей Bobcat ROTARY CUTTER - ROTARY CUTTER (High Flow) (72 A01C) Loader
FIT
1:1
100%

Артикул

Название

Примечание

Количество

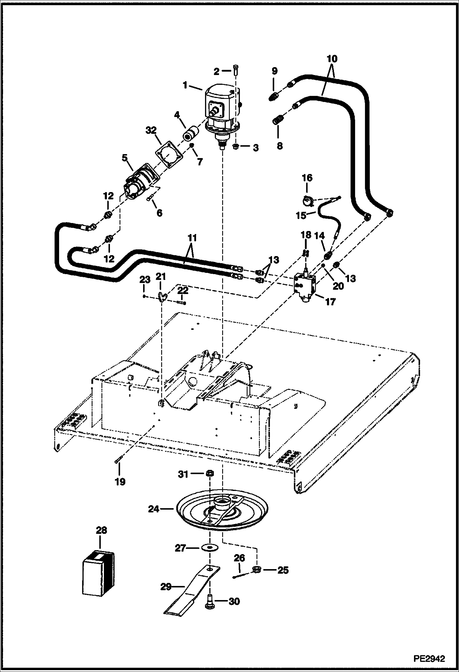
1

6692661

DRIVE RIGHT ANGLE See Illustration ROTARY CUTTER/ MS2237 Was 6689061 - A

2

17C1236

BOLT

3

83D12

NUT

4

6728623

COUPLER

5

6688569

MOTOR See Illustration ROTARY CUTTER/ B26204

6

17C844

BOLT

7

83D8

NUT 5

8

6687636

COUPLER, FF FEMALE straight

9

6688454

COUPLER, FF MALE straight

10

7108556

HOSE

11

7108555

HOSE

12

15KB1216

FITTING, HYD CONNECTOR

13

15KB1212

FITTING, HYD CONNECTOR

14

6704693

TEE

15

7113633

HOSE

16

6689577

GAUGE

17

6688659

VALVE

18

6715370

LINK

19

17C560

BOLT Was 17C552 - B,D

20

89D5

NUT

21

7136721

LEVER stop - Was 7108623 - A

22

38C620

SCREW

23

87D5

NUT

24

7108488

MOUNT

25

6690671

NUT

26

6690667

PIN

27

6809851

WASHER

28

7120495

KIT, BLADE OFFSET 3'' standard 3'' offset blades - W/Qty. 2 each of Ref 29-30

28

7120494

BLADE KIT 2'' offset blades - cut is 1'' higher than standard blades - W/Qty. 2 each of Ref 29-30

29

BLADE NSS - order Ref 28 blade kit

30

6813014

BOLT

31

6810800

NUT

32

7113549

ADAPTER

Выбрано товаров: 33