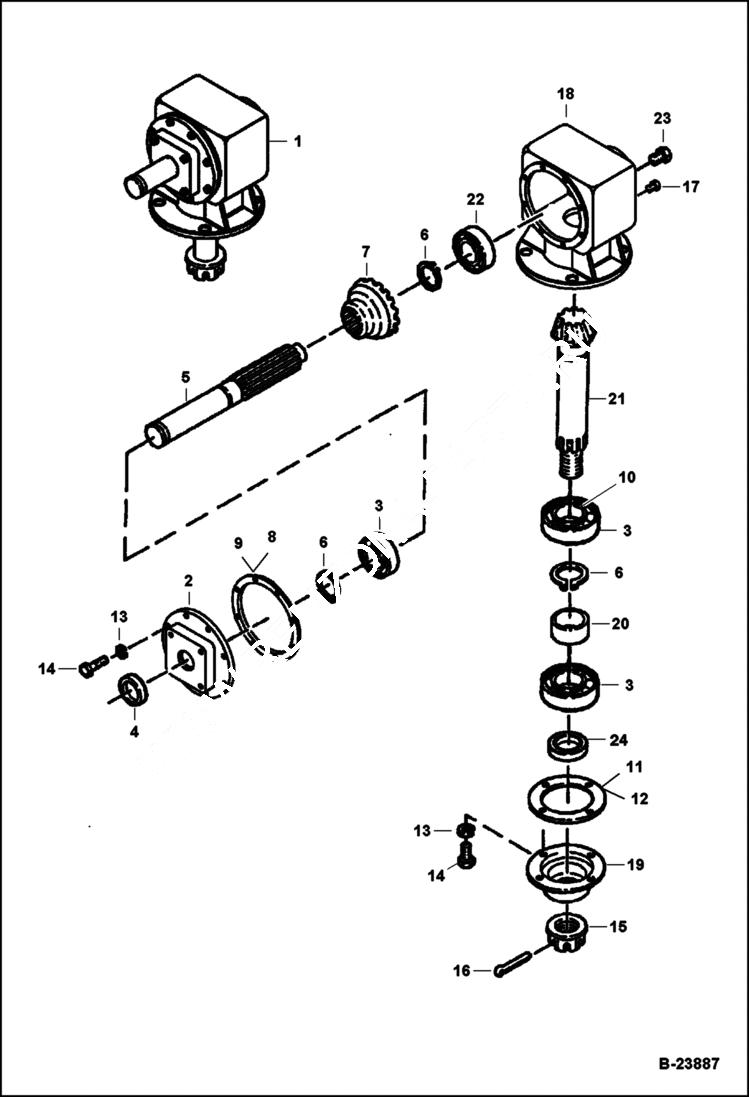
Запчасти Bobcat ROTARY CUTTER ROTARY CUTTER (Gearbox) (3RC60 A7RR) (3RC70 A7RS) Компактные тракторы

Схема запчастей Bobcat ROTARY CUTTER - ROTARY CUTTER (Gearbox) (3RC60 A7RR) (3RC70 A7RS) Компактные тракторы
FIT
1:1
100%

Артикул

Название

Примечание

Количество

1

6696992

GEARBOX W/Ref. 2-23

2

6696974

CAP input

3

6696975

BEARING

4

6696976

SEAL

5

6696977

SHAFT input

6

6696978

RING retaining

7

6696979

GEAR input

8

6696980

GASKET 0.30

9

6696981

GASKET 0.13

10

6696982

SHIM steel - 0.20

11

6696983

GASKET 0.30

12

6696984

GASKET 0.13

13

4E6

WASHER lock

14

17C616

BOLT 5

15

7001728

NUT slotted

16

1F640

PIN cutter

17

6696991

PLUG oil level - 1/8''

18

6696973

HOUSING

19

6696986

CAP output

20

6696987

SPACER

21

6696988

TOOTH output

22

6696989

BEARING

23

6696990

PLUG oil fill - 1/4''

24

6696985

SEAL

Выбрано товаров: 24