Запчасти Bobcat SEEDER SEEDER (Drive Chains & Sprockets) (72 0180) Loader

Схема запчастей Bobcat SEEDER - SEEDER (Drive Chains & Sprockets) (72 0180) Loader
FIT
1:1
100%

Артикул

Название

Примечание

Количество

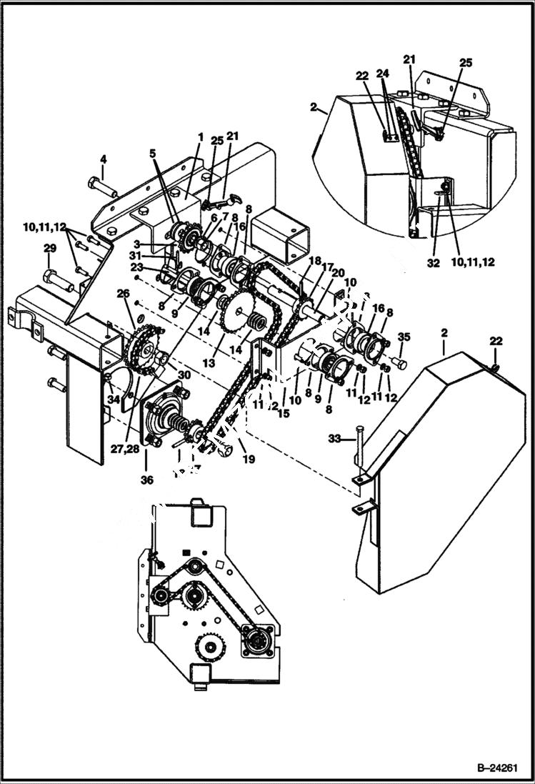
1

6686406

ANGLE

2

6686407

GUARD

3

6686408

SPROCKET idler

4

17C1040

BOLT

5

25E25

WASHER 10

6

4E10

WASHER

7

61D10

NUT

8

6686409

FLANGE

9

6686410

BEARING

10

17C516

BOLT

11

4E5

WASHER

12

61D5

NUT

13

6686411

SPROCKET

14

6686412

BUSHING

15

6686413

BRACKET

16

6686414

BEARING With collar

17

6686415

SPROCKET

18

14J2524

ROLL PIN

19

6686416

CHAIN

20

6686417

SHAFT

21

6686418

LATCH

22

CLIP NSS - Was 6686419 - A

23

6686420

SHAFT

24

6686421

RIVET

25

6686422

RIVET

26

6686423

SPROCKET

27

6686424

CHAIN

28

6686425

CONNECTOR

29

6686426

BOLT

30

61D12

NUT

31

14J1824

ROLL PIN

32

6686427

CLIP

33

17C648

BOLT 5

34

85D6

NUT, 5

35

6686428

BOLT

36

BEARING ASSY See Illustration SEEDER/ B24263

Выбрано товаров: 36