Запчасти Bobcat SEEDER SEEDER (Main Frame) (72 0180) Компактные тракторы

Схема запчастей Bobcat SEEDER - SEEDER (Main Frame) (72 0180) Компактные тракторы
FIT
1:1
100%

Артикул

Название

Примечание

Количество

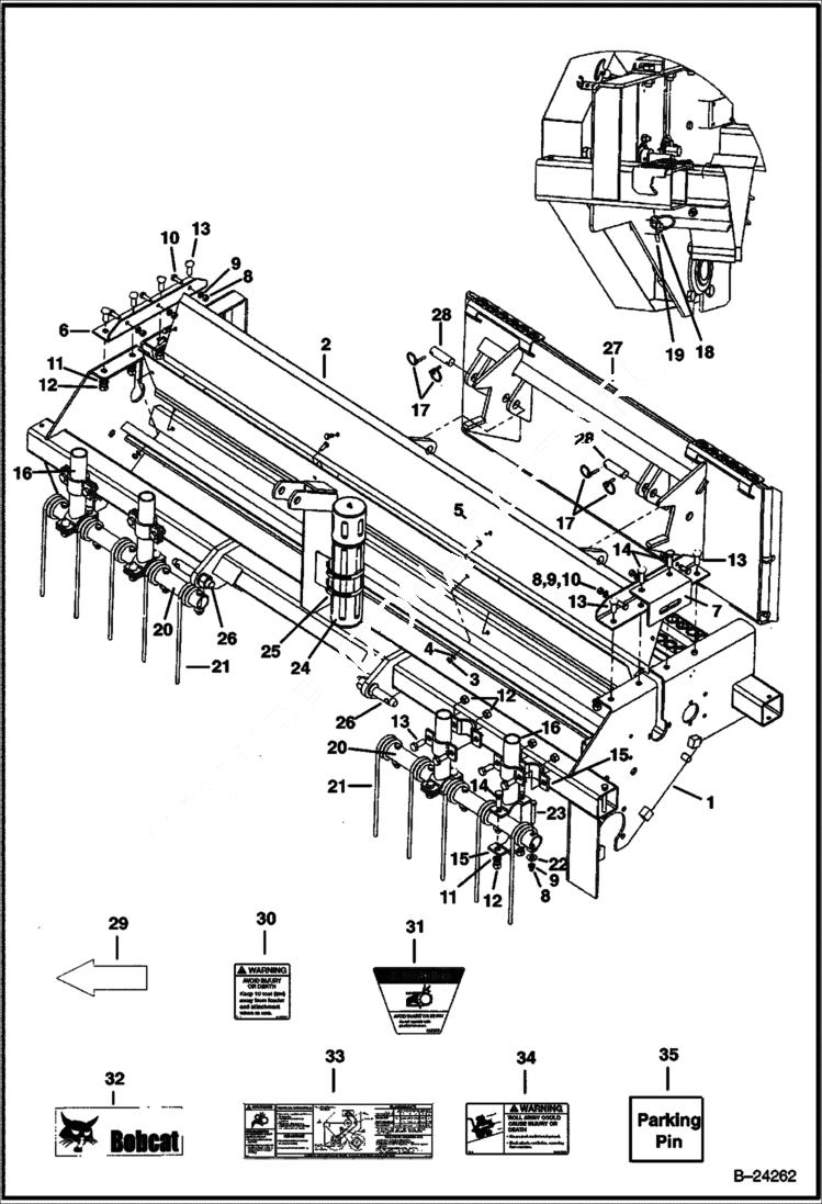
1

6686429

FRAME

2

6686430

DEFLECTOR

3

61D5

NUT

4

4E5

WASHER

5

17C512

BOLT 5

6

6686431

BRACKET

7

6686406

ANGLE

8

61D6

NUT 5

9

4E6

WASHER

10

17C616

BOLT 5

11

4E8

WASHER

12

61D8

NUT 5

13

17C820

BOLT

14

17C824

BOLT 5

15

6686432

CLAMP

16

6686433

SUPPORT

17

6686439

PIN

18

6686434

PIN

19

6656009

PIN

20

6686435

PIPE

21

6686436

TOOTH

22

25E17

WASHER 5

23

17C640

BOLT 5

24

7108147

CONTAINER, MANUAL W/ 6686517 tube - Was 6737260 - A

25

42HL350

HOSE CLAMP

26

6686437

PIN

27

7103047

FRAME Bob-Tach

28

7106013

PIN

29

6533899

DECAL arrow

30

6583862

DECAL, WARNING

31

6673400

DECAL, WARNING

32

6727324

DECAL, LOGO BOBCAT AND HEAD

33

7105231

DECAL warning/rate

34

7105232

DECAL warning

35

7106067

DECAL parking pin

Выбрано товаров: 35