Запчасти Bobcat SILAGE DEFACER SILAGE DEFACER (S/N 0275 00101 & Above) Телескопические мини-погрузчики

Схема запчастей Bobcat SILAGE DEFACER - SILAGE DEFACER (S/N 0275 00101 & Above) Телескопические мини-погрузчики
FIT
1:1
100%

Артикул

Название

Примечание

Количество

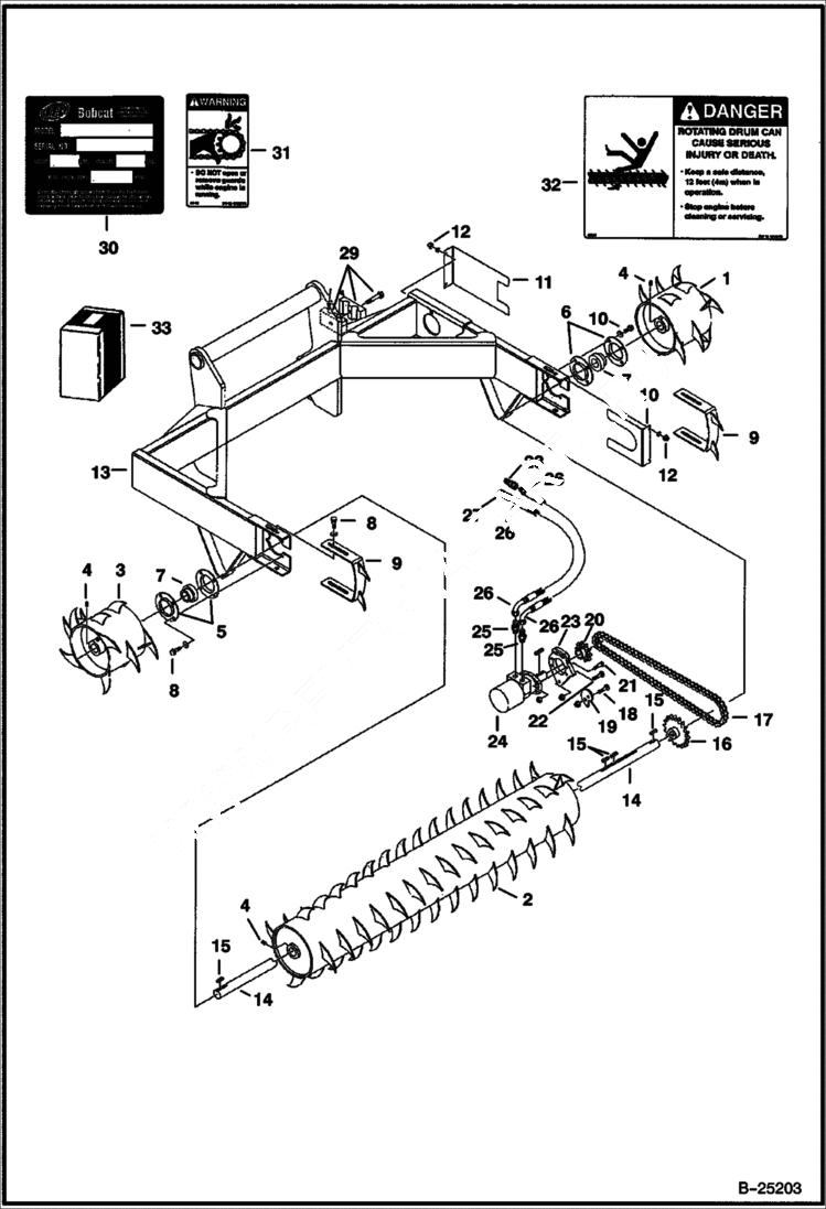
1

6683979

BLADE LT END L.H.

2

6683980

BLADE CENTER center

3

6683978

BLADE RT END R.H.

4

6683970

SCREW SET

5

6683998

FLANGE SET

5

6683974

GREASE ZERK

6

6683982

FLANGE SET

6

6683995

FITTING 90 degrees

7

6683997

BEARING ball - W/collar

7

6683971

SCREW SET

8

17C816

BOLT

8

25E22

WASHER

9

6683991

SHOE weldment

10

6683977

COVER bottom

11

6683986

COVER top

12

57D6

NUT 5

12

25E18

WASHER

13

6683976

ASSY SILAGE DEFACER

14

6683975

SHAFT center

15

6683987

KEY

16

6683988

SPROCKET 18 teeth

17

6683989

CHAIN #80 - 73 pitches

17

6683996

CHAIN LINK

18

37C824

BOLT

18

57D8

NUT 10

19

6683985

CAM LOCK

20

6683990

SPROCKET 10 teeth

21

93G824

BOLT Was 73G824 - A

21

85D8

NUT, 5

22

37C824

BOLT

22

57D8

NUT 10

23

6683984

MOUNT

24

6683981

MOTOR

24

6683973

KEY

25

6683972

FITTING

26

6683992

HOSE 90'' long

27

6672960

COUPLER, FF FEMALE straight

28

6674688

COUPLER, FF MALE straight

29

6683983

CLAMP

30

PLATE serial number

31

6815470

DECAL DANGER danger - Was 6683993 - A

32

6722793

DECAL, WARNING Was 6683994 - A

33

6815979AR

TRANSLATION KIT translation kit - SEE NOTE

33

6815979BR

TRANSLATION KIT translation kit - SEE NOTE

33

6815980AR

DECAL KIT decal - SEE NOTE

33

6815980BR

DECAL KIT decal - SEE NOTE

33

6815980JP

DECAL KIT decal - SEE NOTE

Выбрано товаров: 0