Запчасти Bobcat SILT FENCE INSTALLER SILT FENCE INSTALLER Frame Assembly Loader

Схема запчастей Bobcat SILT FENCE INSTALLER - SILT FENCE INSTALLER Frame Assembly Loader
FIT
1:1
100%

Артикул

Название

Примечание

Количество

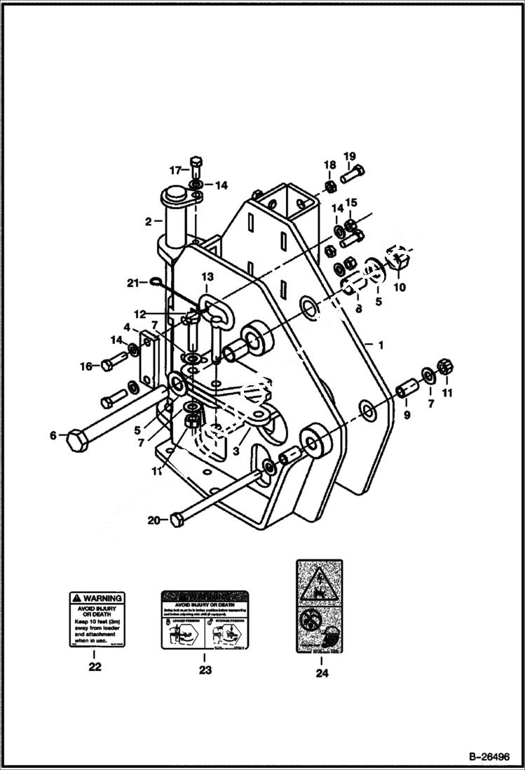
1

6692443

FRAME

2

6692445

PIN

3

6692446

PLATE transport lock

4

6692447

BAR

5

27E16

WASHER

6

6692448

BOLT

7

27E10

WASHER

8

6692449

BUSHING

9

6692450

BUSHING

10

85D16

LOCKNUT

11

85D10

NUT, 5

12

17C1044

BOLT

13

6692437

PIN

14

27E8

WASHER 10

15

85D8

NUT, 5

16

17C828

BOLT

17

17C820

BOLT

18

7D8

NUT 5

19

17C824

BOLT 5

20

17C10136

BOLT

21

6692442

CORD

22

6583862

DECAL, WARNING See Illustration SILT FENCE INSTALLER/ NA6249

22

7130132

DECAL, WARNING See Illustration SILT FENCE INSTALLER/ NA6249 - no-text

23

7137318

DECAL, WARNING See Illustration SILT FENCE INSTALLER/ NA6249

23

7214059

DECAL, WARNING See Illustration SILT FENCE INSTALLER/ NA6249 - no-text

24

7137319

DECAL See Illustration SILT FENCE INSTALLER/ NA6249 - utilities

24

7214058

DECAL, WARNING See Illustration SILT FENCE INSTALLER/ NA6249 - no-text

Выбрано товаров: 27