Запчасти Bobcat SNOW BLADE SNOW BLADE (72 Snow Plow Kit) Универсальный мини-грузовик

Схема запчастей Bobcat SNOW BLADE - SNOW BLADE (72 Snow Plow Kit) Универсальный мини-грузовик
FIT
1:1
100%

Артикул

Название

Примечание

Количество

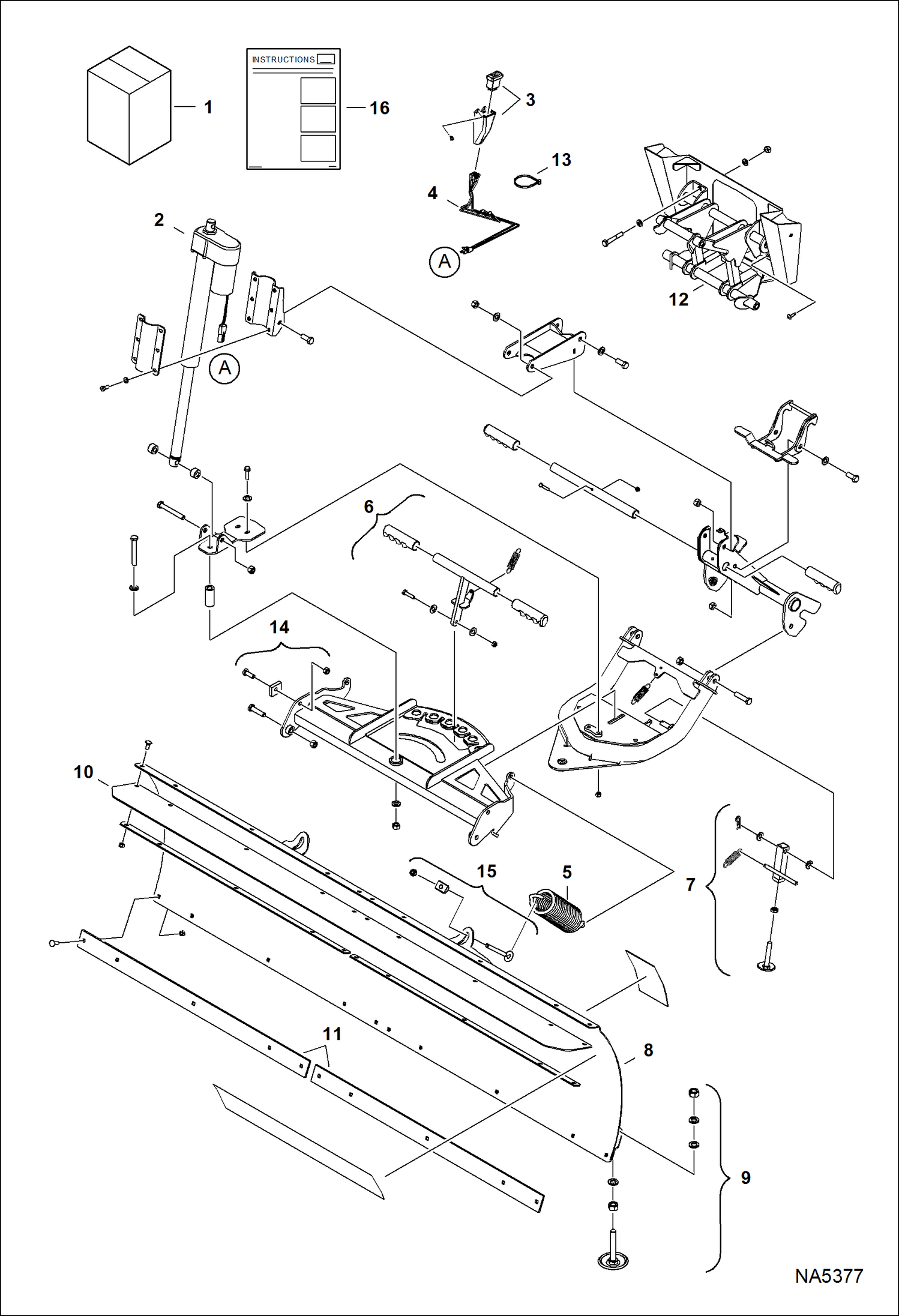
1

7194787

KIT, SNOW PLOW 72'' Ref. 2-15 - Also Order 7193880 terminal kit if not already equipped

2

7022049

ACTUATOR

3

7022050

SWITCH, LIFT W/MOUNT

4

7022051

HARNESS

5

7022052

KIT, SPRING

6

7022053

KIT, HANDLE LOCKING

7

7022054

KIT, KICK-STAND

8

7022055

BLADE

9

7022056

KIT, SHOE SKID

10

7022057

DEFLECTOR, RUBBER

11

7022058

KIT, BAR WEAR

12

7194789

ACCESSORY, MOUNT SNOW PLOW

13

6682345

STRAP, TIE 8

14

7022063

KIT, STOPPER BLADE

15

6989764

INSTRUCTIONS

Выбрано товаров: 15