Запчасти Bobcat SNOW BLADE SNOW BLADE (Front Hitch Kit) Компактные тракторы

Схема запчастей Bobcat SNOW BLADE - SNOW BLADE (Front Hitch Kit) Компактные тракторы
FIT
1:1
100%

Артикул

Название

Примечание

Количество

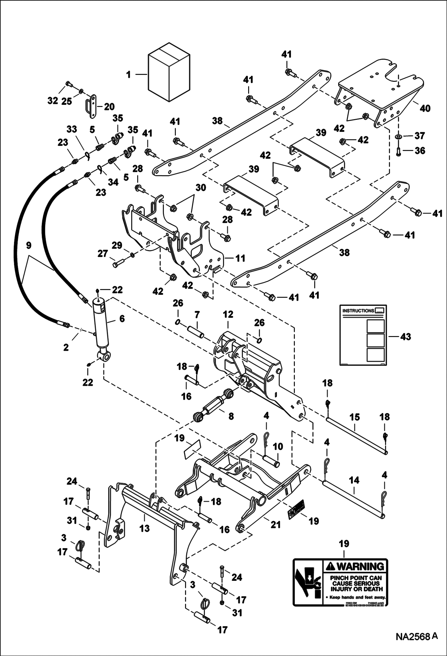
1

KIT, HITCH FRONT SALES #7181051 - Ref. 2-43

2

6586430

ORIFICE

3

6668928

LOCK PIN

4

6675029

PIN

5

7167718

COUPLER, POPPET MALE Parker

5

7013280

O-RING Parker

5

7013281

RING, BACK-UP Parker

5

7190242

COUPLER, POPPET MALE Faster

5

7017076

KIT, SEAL Faster

6

6809501

CYLINDER See Illustration SNOW BLADE/ PE1330B

7

6815505

PIN

8

7003512

LINK, ASSY

9

7171431

HOSE, HYD

10

7176940

PIN

11

7179057

MOUNT

12

7179060

MOUNT

13

7178920

HITCH, LIFT FRONT

14

7179074

PIN

15

7179075

PIN

16

7178969

PIN

17

7183277

PIN

18

7183708

RING, RETAINING

19

7183845

DECAL, WARNING

20

7184983

GUIDE, HOSE

21

7179066

LINK

22

10H25

FITTING, GREASE 5

23

15KB0606

FITTING, HYD CONNECTOR

24

17C736

BOLT

25

1EM120

WASHER

26

21J16

SNAP RING

27

6693651

BOLT

28

29CM1640

BOLT

29

15EM140

WASHER

30

43DM16

NUT

31

59D7

NUT

32

5CM1225

BOLT

33

6693543

BAND, SPIRAL YELLOW

34

6693544

BAND, SPIRAL GREEN

35

7188736

COVER, DUST

36

6693643

BOLT

37

27E8

WASHER 10

38

7192537

PLATE, BRACE

39

7192538

PLATE, BRACE CROSS

40

7192539

MOUNT, BRACKET

41

31C1028

SCREW Was 31C1032 - B,D

42

57D10

NUT

43

6989403

INSTRUCTIONS

Выбрано товаров: 47