Запчасти Bobcat SNOWBLOWER 1412 SNOWBLOWER (Main Frame) (7157) Loader

Схема запчастей Bobcat SNOWBLOWER - 1412 SNOWBLOWER (Main Frame) (7157) Loader
FIT
1:1
100%

Артикул

Название

Примечание

Количество

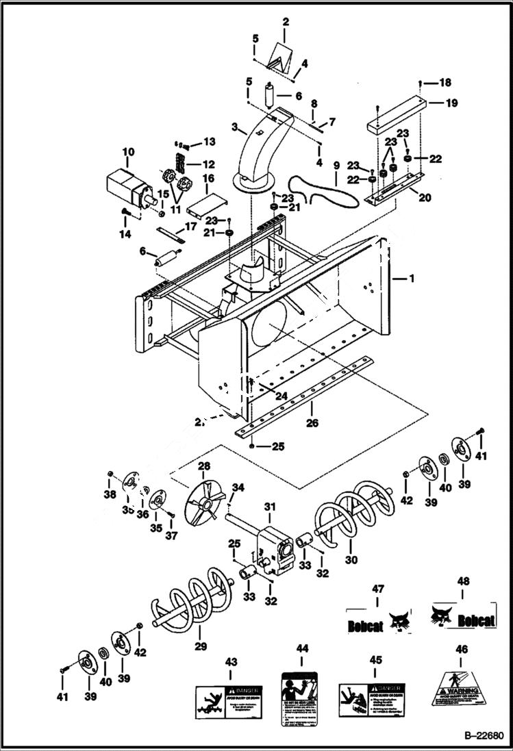
1

6907206

MAIN FRAME

2

6907210

DEFLECTOR

3

6907211

CHUTE

4

17C828

BOLT

5

87D8

NUT

6

6673401

CYLINDER

7

6907306

PIN

8

1F416

PIN

9

6958751

CABLE chute

10

6907192

MOTOR See Illustration 1412 SNOWBLOWER/ B22682

11

6673479

COUPLER

12

6673480

CHAIN

13

6673481

CONNECTOR

14

17C820

BOLT

15

83D8

NUT 5

16

6907231

SHIELD motor

17

6907230

LEVER rotation

18

17C612

BOLT 5

19

6907234

COVER

20

6907240

ROTATOR ASSY

21

6907307

GUIDE roller

22

6907183

PULLEY

23

38C810

BOLT 5/8'' long

23

38C812

SCREW SHOULDER 3/4'' long

23

38C824

SCREW 1.50'' long

24

35C516

BOLT 10 cutting edge

25

87D5

NUT

26

6907239

EDGE, CUTTING WELD ON 48''

27

6907185

SKID SHOE weld on

28

6907235

FAN

29

6907237

AUGER R.H.

30

6907182

AUGER L.H.

31

6907242

GEARBOX See Illustration 1412 SNOWBLOWER/ B22683

32

6679292

SHEAR BOLT

33

6907236

COLLAR

34

7J3200

KEY 1/4'' X 2.00''

35

6907241

FLANGE

36

6907244

BEARING

37

37C512

BOLT

38

85D5

NUT 5

39

6907246

FLANGE

40

6907243

BEARING

41

37C616

BOLT

42

85D6

NUT, 5

43

7117186

DECAL, AUGER Was 6673383 - A

44

6673453

DECAL warning

45

6673384

DECAL, DANGER

46

6673385

DECAL, WARNING

47

6727323

DECAL, LOGO BOBCAT AND HEAD

48

6727324

DECAL, LOGO BOBCAT AND HEAD

Выбрано товаров: 50