Запчасти Bobcat SNOWBLOWER 1812 SNOWBLOWER (Main Frame) Loader

Схема запчастей Bobcat SNOWBLOWER - 1812 SNOWBLOWER (Main Frame) Loader
FIT
1:1
100%

Артикул

Название

Примечание

Количество

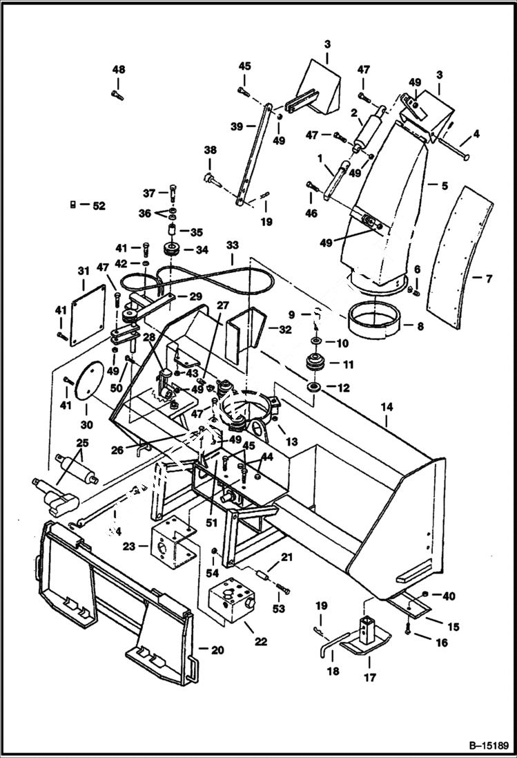
1

6673579

BRACKET

2

CYLINDER See Illustration 1812 SNOWBLOWER/ B15192

3

6673543

DEFLECTOR hydraulic only

3

6673367

DEFLECTOR electric only

4

6673368

PIN

5

6673366

CHUTE

6

6673448

CLAMP

7

6673488

LINER plastic

8

6673370

SEAL

9

6673522

BOLT

10

6673524

WASHER

11

6673523

ROLLER roller

12

6673525

WASHER

13

87D10

NUT lock - Was 6673330 - A

14

6673588

MAIN FRAME 55''(1397mm)

14

6673371

MAIN FRAME 61''(1549mm)

14

6673375

MAIN FRAME 67''(1702mm)

14

6673382

MAIN FRAME 73''(1854mm)

15

6673575

EDGE, CUTTING BOLT ON 53'' 53'' x 3/8'' x 3''(9.5 x76 x1346mm)

15

6958757

EDGE, CUTTING BOLT ON BEVELED 59'' 59'' x 3/8'' x 3''(9.5 x76 x1499mm) Was 6673431 - A

15

6673432

EDGE, CUTTING BOLT ON 65'' 65'' x 3/8'' x 3''(9.5 x76 x1651mm)

15

6673433

EDGE, CUTTING BOLT ON 71'' 71'' x 3/8'' x 3''(9.5 x76 x1803mm)

16

6673489

BOLT

17

6673556

SKID SHOE

18

6673552

PIN

19

6673447

PIN

20

BOBTACH NLA - Was 6673527 - A

21

6674094

BUSHING

22

MANIFOLD See Illustration 1812 SNOWBLOWER/ B15192

23

6673372

MOUNT

24

6673555

STRAP

25

CYLINDER See Illustration 1812 SNOWBLOWER/ B15192

25

6673374

ACTUATOR electric only

26

6674070

CLEVIS PIN

27

6673451

CLAMP

28

6673560

TIGHTENER chain

29

6673576

ROTATOR hydraulic only

29

6673377

ROTATOR electric only

29

6674095

ROTATOR 55''(1397mm) electric only

29

6674096

ROTATOR 55''(1397mm) hydraulic only

30

6673558

COVER round

31

6673559

COVER square

32

6673490

LINER plastic

33

6673376

CABLE

34

6673379

PULLEY

35

6673380

BUSHING

36

6673452

WASHER

37

6673378

BOLT shoulder

38

6673369

PIN

39

6673486

LINK

40

85D8

NUT, 5

41

6673395

BOLT

42

25E17

WASHER 5

43

85D6

NUT, 5

44

17C820

BOLT

45

17C824

BOLT 5

46

17C832

BOLT

47

17C836

BOLT

48

17C856

BOLT

49

85D8

NUT, 5

50

37C820

BOLT

51

1F524

PIN

52

6725614

BREAKER circuit - 25 amp - used with electric chute rotator

53

17C864

BOLT

54

87D8

NUT

Выбрано товаров: 65