Запчасти Bobcat SNOWBLOWER 2118 & 2418 SNOWBLOWER (Main Frame) Loader

Схема запчастей Bobcat SNOWBLOWER - 2118 & 2418 SNOWBLOWER (Main Frame) Loader
FIT
1:1
100%

Артикул

Название

Примечание

Количество

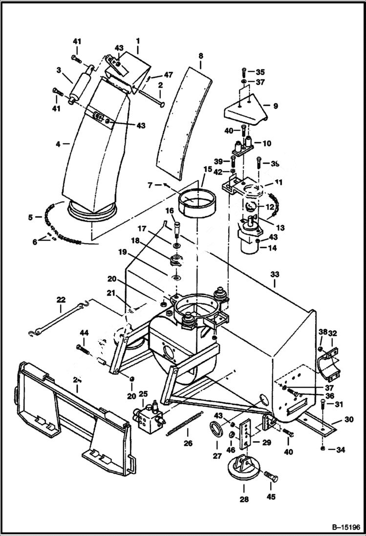
1

6673422

DEFLECTOR

2

6673341

HINGE PIN

3

6673401

CYLINDER deflector

4

6673423

CHUTE

5

6673335

CHAIN #40

6

6673424

LINK #40

7

6673331

POP RIVET #64

8

6673456

LINER

9

6673340

SHIELD

10

6673339

BRACKET

11

6673338

BRACKET

12

6673336

SPROCKET

13

6673337

KEY

14

MOTOR See Illustration 2118 & 2418 SNOWBLOWER/ B15198

15

6673342

SEAL

16

6673521

BOLT

17

6673524

WASHER

18

6673523

ROLLER roller

19

6673525

WASHER

20

87D10

NUT Was 6673330 - A

21

6673332

EYE BOLT

22

6673555

STRAP

23

6674091

BUSHING

24

BOBTACH NLA - Was 6673526 - A

25

MANIFOLD See Illustration 2118 & 2418 SNOWBLOWER/ B15198

26

6673425

SPRING

27

6674097

MOLDING/TRIM

28

6673528

SKID SHOE

29

6673454

LEG

30

6673534

EDGE, CUTTING BOLT ON 59'' 59'' x 1/2'' x 4''(1499 x 12.7 x 102mm)

30

6673596

EDGE, CUTTING BOLT ON BEVELED 65'' 65'' x 1/2'' x 4''(1651 x 12.7 x 102mm)

30

6673334

EDGE, CUTTING BOLT ON 71'' 71'' x 1/2'' x 4''(1803 x 12.7 x 102mm)

30

6673446

EDGE, CUTTING BOLT ON 83'' 83'' x 1/2'' x 4''(2108 x 12.7 x 102mm)

31

6673455

BOLT

32

6673426

SHIELD

33

6673571

MAIN FRAME Model 2118 - 61''(1549mm)

33

6673570

MAIN FRAME Model 2118 - 67''(1702mm)

33

6673569

MAIN FRAME Model 2118 - 73''(1854mm)

33

6673568

MAIN FRAME Model 2118 - 85''(2159mm)

33

6673589

MAIN FRAME Model 2418 - 67''(1702mm)

33

6673511

MAIN FRAME Model 2418 - 73''(1854mm)

33

6673512

MAIN FRAME Model 2418 - 85''(2159mm)

34

85D8

NUT, 5

35

17C612

BOLT 5

36

6673395

BOLT

37

25E17

WASHER 5

38

85D6

NUT, 5

39

17C824

BOLT 5

40

17C832

BOLT

41

17C840

BOLT

42

25E21

WASHER 5

43

85D8

NUT, 5

44

17C1064

BOLT 5

45

17C1232

BOLT

46

85D12

NUT, 5

47

1F416

PIN

Выбрано товаров: 56