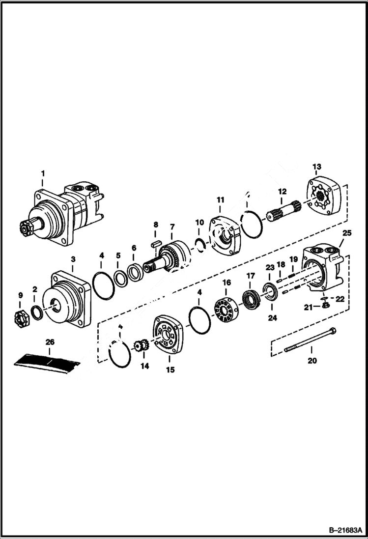
Запчасти Bobcat SNOWBLOWER SB200 & SB240 SNOWBLOWER (Fan Motor) Loader

Схема запчастей Bobcat SNOWBLOWER - SB200 & SB240 SNOWBLOWER (Fan Motor) Loader
FIT
1:1
100%

Артикул

Название

Примечание

Количество

1

6681496

MOTOR W/Ref. 2-25 - For 5.5 motor package - Eaton 105-1399-006, 105-1425-006, 105-1461-006

2

6630029

SEAL shaft - 1.28'' ID x 1.57'' OD x .13'' wide

3

6665333

HOUSING

4

6662955

SEAL

5

6659511

BACKUP RING

6

6689096

SEAL Was 6665224 - A

7

6665334

SHAFT ASSY

8

6630089

KEY

9

5200255

NUTCASTLE

10

1992098

SEAL

11

6632286

WEAR PLATE

12

6682553

SHAFT

13

6682554

GEROLER

14

1992084

DR VALVE

15

6656368

PLATE

16

6632288

VALVE

17

6630027

BALANCE RING

18

1992102

PIN

19

1992088

SPRING

20

6682552

BOLT

21

1992104

PLUG

22

O-RING NSS

23

1992100

SEAL Inner

24

SEAL NLA - Order Ref. 26 seal kit - Was 6653300 - A

25

6632289

HOUSING

26

6648973

KIT, SEAL W/Ref. 2, 4 - 6, 10, 23 & 24

Выбрано товаров: 26