Запчасти Bobcat SNOWBLOWER SBX240 SNOWBLOWER (Control Valve) (72 A00F) (84 7136) Loader

Схема запчастей Bobcat SNOWBLOWER - SBX240 SNOWBLOWER (Control Valve) (72 A00F) (84 7136) Loader
FIT
1:1
100%

Артикул

Название

Примечание

Количество

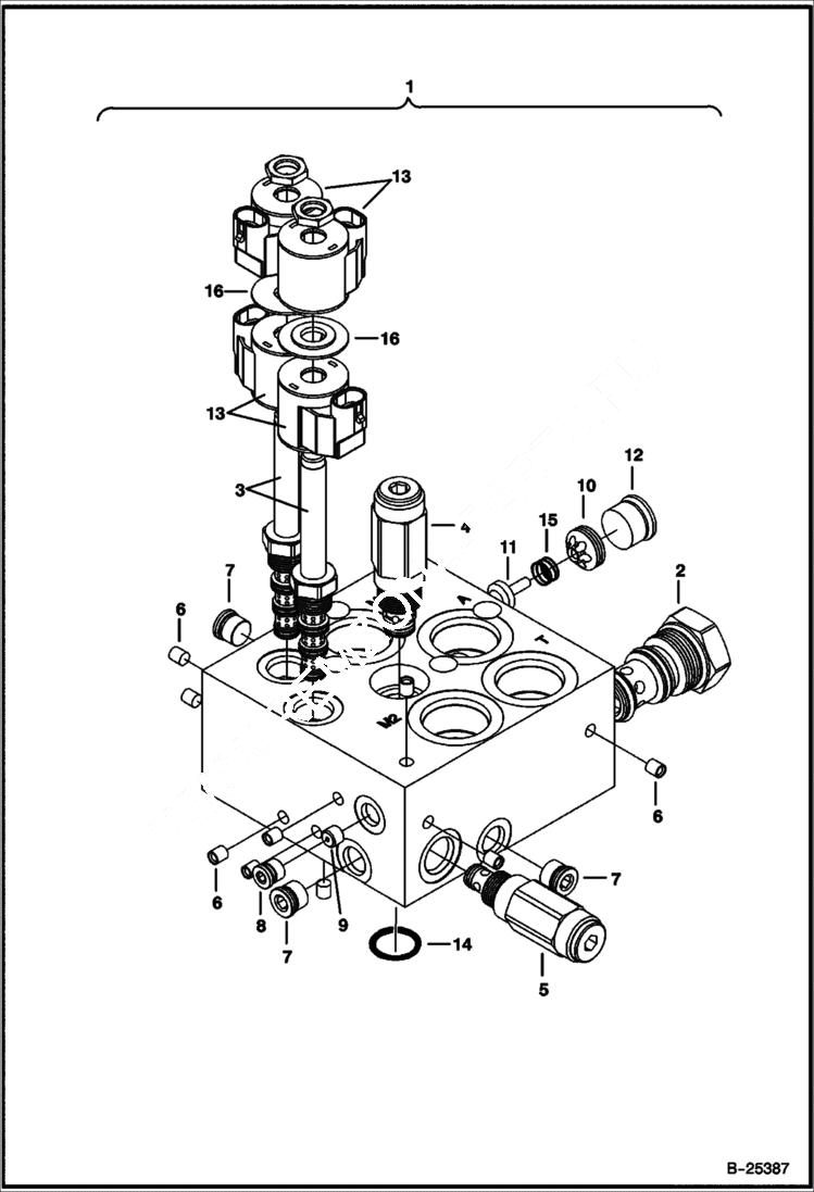
1

6687094

VALVE ASSY W/Ref. 2-16

2

6682478

ELEMENT logic

2

6676314

SEAL KIT

3

6677153

SOLENOID

3

6672756

KIT, SEAL

4

6682477

RELIEF VALVE

4

6673213

KIT, SEAL Was 6664032 - A

5

6689383

RELIEF VALVE

5

6672515

KIT, SEAL

6

PLUG NLA - Was 6673833 - A

7

6669620

PLUG

7

O-RING NSS - Order 6669620 Plug

8

6665719

PLUG

8

O-RING NSS - Order 6665719 Plug

9

6689384

ORIFICE 0.076

10

6689385

RETAINER

11

6689386

POPPET

12

6678563

PLUG

12

O-RING NSS - Order 6678563 Plug

13

6688356

COIL

14

6689387

O-RING between motor & valve

15

6689388

SPRING

16

6689389

SPACER

Выбрано товаров: 23