Запчасти Bobcat SOIL CONDITIONER MAIN FRAME (48 651500101 - 00825) Loader

Схема запчастей Bobcat SOIL CONDITIONER - MAIN FRAME (48 651500101 - 00825) Loader
FIT
1:1
100%

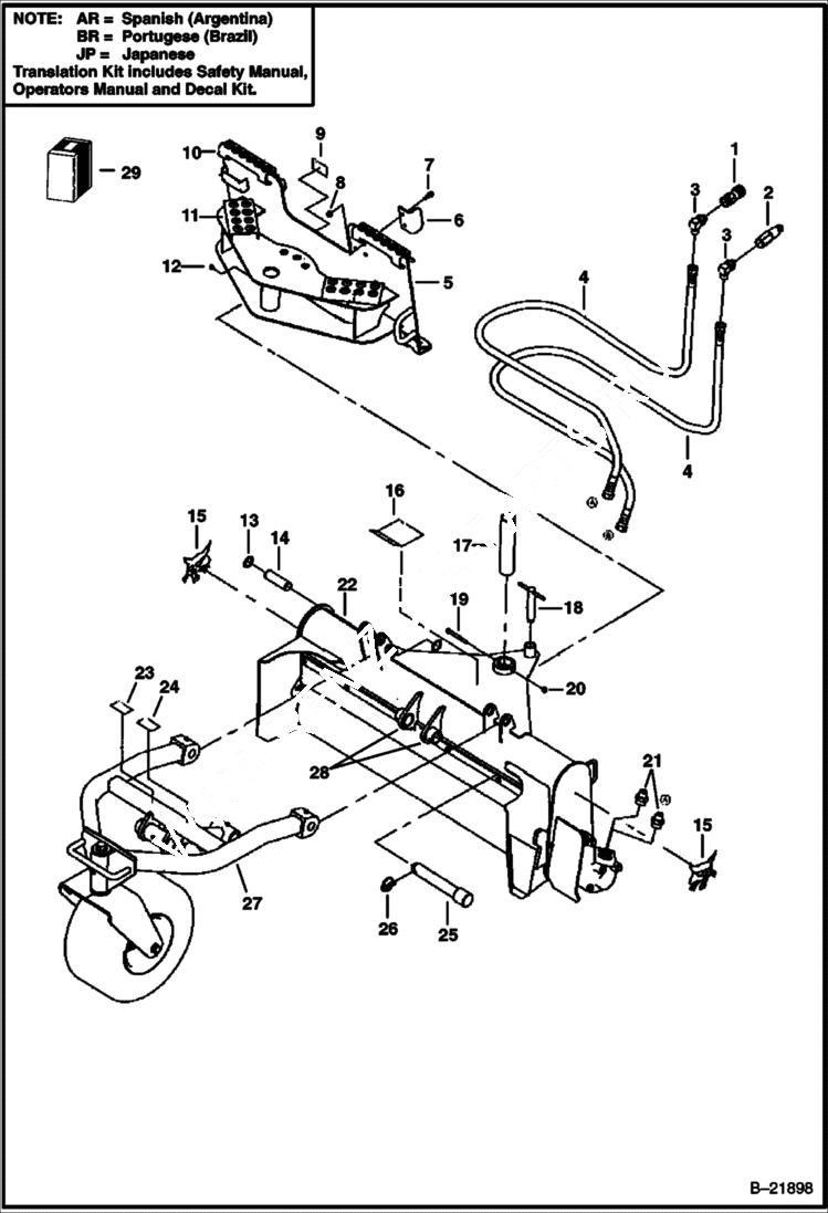
Артикул

Название

Примечание

Количество

1

6672960

COUPLER, FF FEMALE straight

2

6674688

COUPLER, FF MALE straight

3

17KB1212

FITTING, HYD ELBOW

4

6958315

HOSE

5

FRAME See Illustration MAIN FRAME/ NA6624 - NLA - W/ 4 steps - Order 6958122 frame - Was 6958122 - D

6

6958561

STOP

7

35C616

BOLT 5

8

55D6

NUT

9

6958607

DECAL, INSTRUCTION See Illustration DECALS/ NA5838

9

7199919

DECAL, INSTRUCTIONS See Illustration DECALS/ NA5838 - no-text

10

6905263

STEP

11

6905990

STEP

12

10H35

FITTING, GREASE 10

13

22J20

SNAP RING Was 6538287 - A

14

6905684

PIN

15

6700191

DECAL, LOGO BOBCAT HEAD

16

6708822

DECAL, WARNING See Illustration DECALS/ NA5838

16

7130144

DECAL, WARNING See Illustration DECALS/ NA5838 - no-text

17

6714163

PIN

18

7191009

PIN, RETAINING Was 6958727 - A

19

17C656

BOLT

20

59D6

NUT

21

15KB1216

FITTING, HYD CONNECTOR Was 6800566 - B

22

FRAME & ROLLER See Illustration FRAME & ROLLER/ B21899

23

6906489

DECAL, ADJUST HEIGHT See Illustration DECALS/ NA5838

23

7199923

DECAL, ADJUST HEIGHT See Illustration DECALS/ NA5838 - no-text

24

6906488

DECAL, WARNING See Illustration DECALS/ NA5838 - lift

24

7199922

DECAL, WARNING See Illustration DECALS/ NA5838 - no-text - lift

25

6906873

PIN

26

6560382

PIN, LOCK

27

ARM ASSY See Illustration ARM & TIRE ASSY/ B21900

28

6959180

MOUNT ASSY welded assy of bushings and brackets for service replacement

29

6958609AR

TRANSLATION KIT

29

6958609BR

TRANSLATION KIT

29

6958610AR

DECAL KIT

29

6958610BR

DECAL KIT

29

6958610JP

DECAL KIT

Выбрано товаров: 37