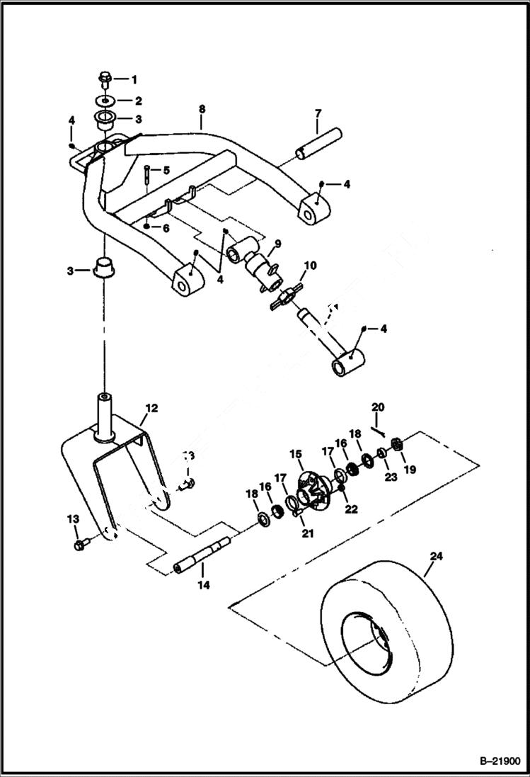
Запчасти Bobcat SOIL CONDITIONER ARM & TIRE ASSY (48 6515) Loader

Схема запчастей Bobcat SOIL CONDITIONER - ARM & TIRE ASSY (48 6515) Loader
FIT
1:1
100%

Артикул

Название

Примечание

Количество

1

31C1224

BOLT Was 35C001224B - A

2

6905689

WASHER

3

6905677

BUSHING

4

10H25

FITTING, GREASE 5

5

17C640

BOLT 5

6

59D6

NUT

7

6906591

PIN

8

6958165

ARM ASSY

9

6958238

LINK

10

6906352

NUT

11

6958237

ROD

12

6905748

YOKE

13

31C1024

BOLT Was 35C001024B - A

14

6905680

SHAFT

15

6906270

HUB ASSY W/Ref. 16 - 22

16

6674366

BEARING

17

6674367

RACE

18

6674368

SEAL

19

6674277

NUT

20

1F420

CTTR PIN

21

6679125

STUD

22

6679123

NUT

23

6905755

BUSHING

24

6676595

TIRE ASSY

24

6677511

TIRE

24

6677512

WHEEL

Выбрано товаров: 26