Запчасти Bobcat SOIL CONDITIONER MAIN FRAME (84 6514) Loader

Схема запчастей Bobcat SOIL CONDITIONER - MAIN FRAME (84 6514) Loader
FIT
1:1
100%

Артикул

Название

Примечание

Количество

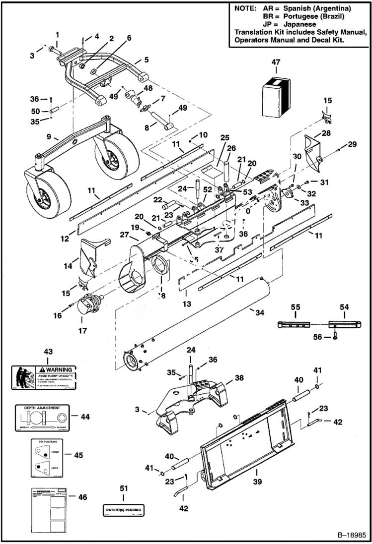
1

6906130

BOLT

2

4D20

NUT

3

10H35

FITTING, GREASE 10

4

1F640

PIN

5

6906592

ARM

5

7125325

ARM long arm accessory

6

8D24

NUT

7

6906352

NUT

8

6958237

ROD

9

TIRE MOUNT ASSY See Illustration TIRE MOUNT ASSY/ B18063

10

55D6

NUT

11

6958114

RETAINER

12

6958113

DEFLECTOR

13

6958112

DEFLECTOR

14

6905730

END WING

15

6700191

DECAL, LOGO BOBCAT HEAD

16

BOLT NLA - Order 31C832 bolt - Was 35C832 - A

17

MOTOR CARRIER ASSY See Illustration MOTOR CARRIER ASSY/ B18990

18

6906330

WEAR PLATE

19

6675128

CAP

20

6538287

LOCK RING Was 6650680 - A

21

6905684

PIN

22

6906873

PIN

23

6560382

PIN, LOCK

24

7102382

PIN Was 6714154 - A

25

6708822

DECAL, WARNING See Illustration DECALS/ NA5838

25

7130144

DECAL, WARNING See Illustration DECALS/ NA5838 - no-text

26

6714163

PIN

27

6958104

FRAME

28

6905729

END WING

29

35C624

BOLT

30

35C824

BOLT

31

35C820

BOLT

32

6905688

WASHER

33

6676594

BEARING W/holder

33

6680179

BEARING

34

ROLLER ASSY See Illustration ROLLER ASSY/ B18989

35

17C640

BOLT 5

36

59D6

NUT

37

17C656

BOLT

38

PIVOT, WEDGE SEE NA6551 -- NLA - W/step - Order 6906135 pivot - Was 6906135 - B,D

39

6905722

FRAME Bob-Tach

40

6714161

PIN

41

6538285

LOCK RING

42

6905724

PIN

43

6906488

DECAL, WARNING See Illustration DECALS/ NA5838 - lift

43

7130144

DECAL, WARNING See Illustration DECALS/ NA5838 - no-text

44

6906489

DECAL, ADJUST HEIGHT See Illustration DECALS/ NA5838

44

7199923

DECAL, ADJUST HEIGHT See Illustration DECALS/ NA5838 - no-text

45

6906490

DECAL, LOCK HEIGHT See Illustration DECALS/ NA5838

45

7199923

DECAL, ADJUST HEIGHT See Illustration DECALS/ NA5838 - no-text

46

6900621

INSTRUCTIONS

47

6906290AR

KIT translation - SEE NOTE

47

6906290BR

KIT translation - SEE NOTE

47

6906291AR

KIT decal - SEE NOTE

47

6906291BR

KIT decal - SEE NOTE

47

6906291JP

KIT decal - SEE NOTE

48

6958238

LINK adjusting

49

10H25

FITTING, GREASE 5

50

6906591

PIN

51

DECAL PATENT PEND NLA - Was 6810666 - C

52

6959180

MOUNT ASSY welded assembly of bushings & brackets for service replacement

53

6906181

MOUNT

54

6906520

BAR for non - hydraulic soil conditioner

55

6906522

BAR for non - hydraulic soil conditioner

56

6906524

PIN for non - hydraulic soil conditioner

Выбрано товаров: 66