Запчасти Bobcat SOIL CONDITIONER MOTOR (48 651500101 - ) (72 232000400 & Above) (72 651300325 - 01555) Loader

Схема запчастей Bobcat SOIL CONDITIONER - MOTOR (48 651500101 - ) (72 232000400 & Above) (72 651300325 - 01555) Loader
FIT
1:1
100%

Артикул

Название

Примечание

Количество

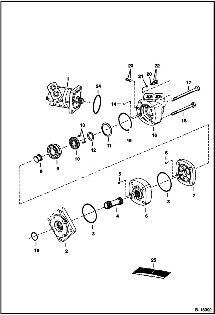
1

MOTOR See BTI431 - Ref. 2-23 - Eaton 114-1100-006 or 114-1114-006 - Was 6679763 - A

2

6679819

FLANGE mounting

3

6513524

O'RING Was 6679818 - A

4

6658758

DRIVE

5

6667332

SEAL

6

6658761

GEROLER

7

6661809

PLATE valve

8

6513518

DRIVE valve

9

6513519

VALVE

10

6658757

RING balance assy.

11

6513520

SEAL

12

6513529

SEAL face - Inner

13

6190121

SPRING

14

25K20010

O RING 10

15

58K44

O RING 10

16

6664820

HOUSING valve

17

6658755

SCREW

18

6658754

BOLT

19

6664815

SEAL, OIL

20

6190116

SPRING

21

10J8

BALL

22

90KV2

PLUG

23

90K3

PLUG Was 90KN00003B - A

24

58K160

O-RING 10 See Illustration MOTOR CARRIER ASSY/ B18990 not part of seal kit - Was 25K030508B - B

25

6660256

KIT, SEAL Ref. 3, 5, 11, 12, 14 & 15

Выбрано товаров: 25