Качественные детали и логистика
Оригинальные и аналоговые запчасти с доставкой по России, Казахстану и Беларуси
©2022 PartSell ООО "Система" ИНН 2463123282 ОГРН 1212400004838
Центральный офис: г. Красноярск, Академика Киренского, д.87, пом.4
Телефон: 8 (800) 777-65-74 Email: zakaz@partsell.ru
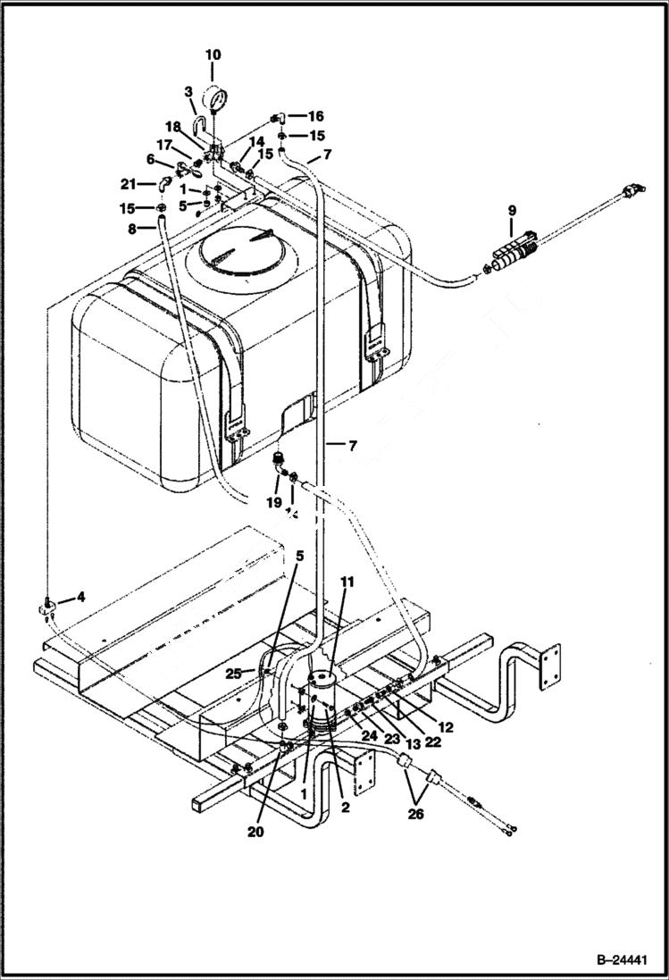
SPRAYER (Plumbing) (50 gal 0059)
№
Артикул
Название
Примечание
Количество
1
25E13
WASHER 5
2
17C420
BOLT
3
6685703
U-BOLT Was 6686832 - A
4
6686833
SWITCH
5
59D4
NUT 5
6
6684976
VALVE, BRASS
7
6684616
HOSE .50 ID - sold per foot
8
6684620
HOSE .375 ID - sold per foot
9
6686834
SPRAY GUN
10
6686835
GAUGE
11
6684962
PUMP See Illustration SPRAYER/ B22773A
12
6686836
NUT
13
6686837
SCREEN 50 mesh
14
6685629
ADAPTER
15
42HL75
CLAMP, HOSE
16
6684987
ELBOW
17
6684991
ADAPTER reducer
18
6686838
TEE
19
6684964
20
6686839
21
6684996
ADAPTER, ELBOW
22
6686840
FITTING hose barb
23
6686841
FITTING strainer
24
6686842
FITTING reducer
25
6686843
TUBE shrink wrap
26
HARNESS See Illustration SPRAYER/ B24443 WIRING
Выбрано товаров: 0