Качественные детали и логистика
Оригинальные и аналоговые запчасти с доставкой по России, Казахстану и Беларуси
©2022 PartSell ООО "Система" ИНН 2463123282 ОГРН 1212400004838
Центральный офис: г. Красноярск, Академика Киренского, д.87, пом.4
Телефон: 8 (800) 777-65-74 Email: zakaz@partsell.ru
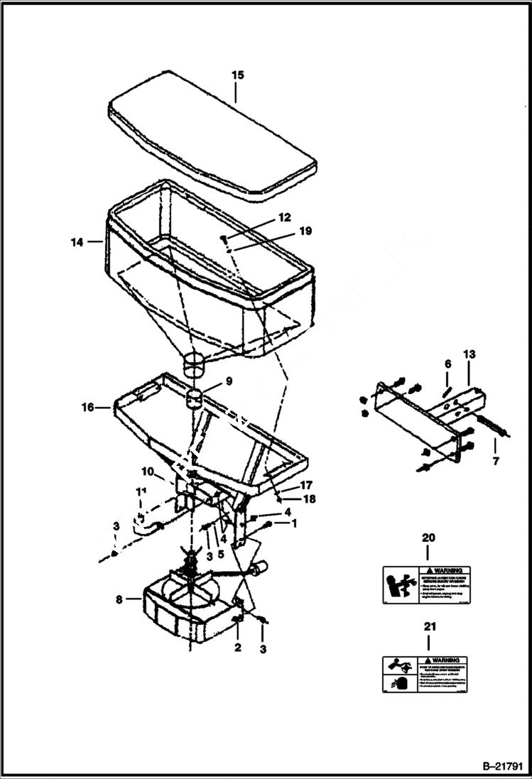
SPREADER (Hopper & Main Frame) (0064)
№
Артикул
Название
Примечание
Количество
1
17C824
BOLT 5
2
85D8
NUT, 5
3
17C616
4
85D6
5
25E17
WASHER 5
6
PIN NLA - Was 1F001028B - A
7
6679515
PIN
8
6683286
DRIVE ASSY See Illustration SPREADER/ B21792
9
6679516
LINER
10
6679517
DEFLECTOR
11
6679518
CLAMP
12
6679519
BOLT
13
6679520
HITCH
14
6679521
HOPPER
15
6679522
COVER
16
6679523
MAIN FRAME
17
4E5
WASHER
18
61D5
NUT
19
20
6732006
DECAL warning
21
6732007
Выбрано товаров: 0