Качественные детали и логистика
Оригинальные и аналоговые запчасти с доставкой по России, Казахстану и Беларуси
©2022 PartSell ООО "Система" ИНН 2463123282 ОГРН 1212400004838
Центральный офис: г. Красноярск, Академика Киренского, д.87, пом.4
Телефон: 8 (800) 777-65-74 Email: zakaz@partsell.ru
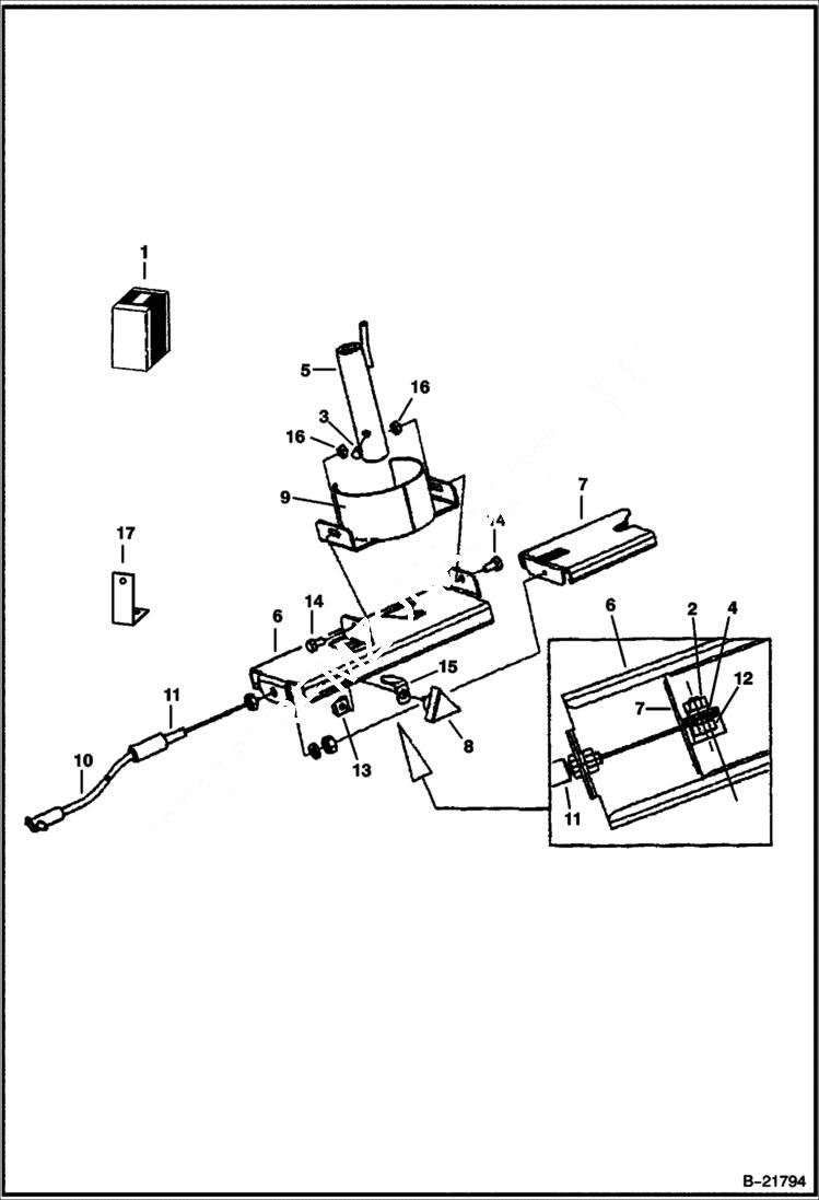
SPREADER (Gate Assembly Kit) (0064)
№
Артикул
Название
Примечание
Количество
1
KIT, ASSEMBLY GATE NLA - Ref. 2-17 - Order components - Was SALES #6731703 - D
2
85D5
NUT 5
3
BOLT NLA - Was 15G000508B - A
4
4E5
WASHER
5
6679543
AGITATOR
6
6679544
FRAME
7
6679545
SLIDE
8
6679546
NUT
9
6679547
MOUNT
10
6679548
CABLE
11
6679549
FITTING
12
6679550
BOLT
13
6679551
14
17C408
15
6679552
STOP PIN
16
85D4
17
6679702
BRACKET, CABLE mounts on hopper
Выбрано товаров: 0