Запчасти Bobcat SPREADER SAND SPREADER (Decals) (0066) Loader

Схема запчастей Bobcat SPREADER - SAND SPREADER (Decals) (0066) Loader
FIT
1:1
100%

Артикул

Название

Примечание

Количество

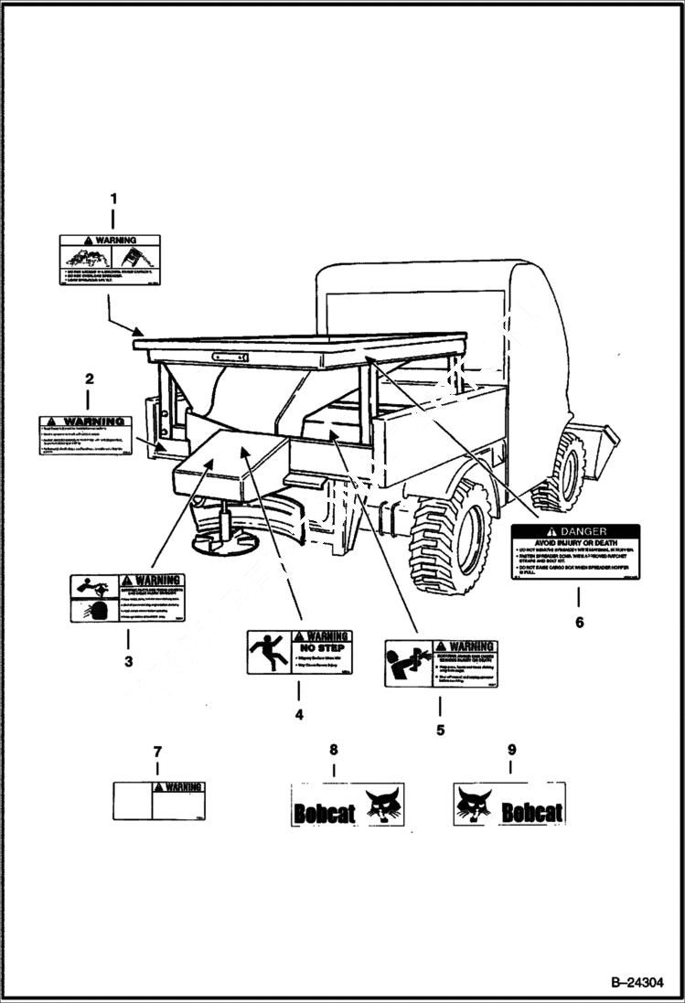
1

7102141

DECAL warning overload

2

6685666

DECAL warning strapping

3

6685664

DECAL warning rotating parts

4

6685665

DECAL warning no step

5

6685667

DECAL warning auger

6

7102140

DECAL danger

7

6686138

DECAL warning drive position

8

6727323

DECAL, LOGO BOBCAT AND HEAD

9

6727324

DECAL, LOGO BOBCAT AND HEAD

Выбрано товаров: 0