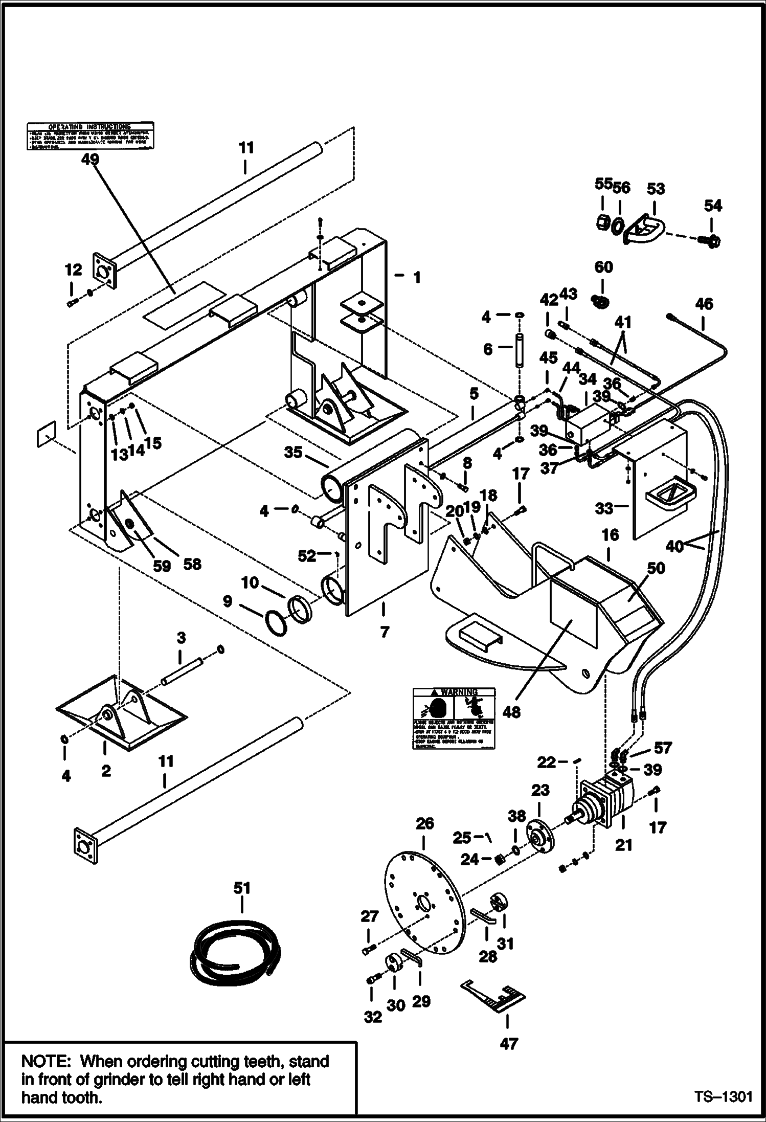
Запчасти Bobcat STUMP GRINDER STUMP GRINDER (Main Frame & Attaching Parts) (SG25 8793) Loader

Схема запчастей Bobcat STUMP GRINDER - STUMP GRINDER (Main Frame & Attaching Parts) (SG25 8793) Loader
FIT
1:1
100%

Артикул

Название

Примечание

Количество

1

6667957

MAIN FRAME

2

6667297

PAD

3

6667298

PIN

4

6664235

RETAINING RING

5

6664253

CYLINDER See Illustration STUMP GRINDER/ B14029

6

6667299

PIN

7

6667300

FRAME

8

17C816

BOLT

9

6667301

SEAL

10

6667302

BEARING

11

6667303

ROD

12

17C620

BOLT

13

27E6

WASHER 5

14

23E6

WASHER

15

61D6

NUT 5

16

6667304

FRAME

17

17C832

BOLT

18

25E21

WASHER 5

19

23E8

WASHER

20

61D8

NUT 5

21

6667563

MOTOR See Illustration STUMP GRINDER/ B14179

22

6630089

KEY

23

6665290

HUB

24

5200255

NUTCASTLE

25

1F420

CTTR PIN

26

6667305

DISC

27

18C816

BOLT

28

6665294

TOOTH, GRINDER RH - SEE NOTE - 12.7 mm (.5'') x 12.7 mm (.5'') x 79,2 mm (3.12'')

29

6665293

TOOTH, GRINDER LH - SEE NOTE - 12.7 mm (.5'') x 12.7 mm (.5'') x 79,2 mm (3.12'')

30

6685770

HOLDER Counterbored - Was 6665292 - A

31

6685771

HOLDER Threaded - Was 6665291 - A

32

6667557

BOLT

33

6667306

GUARD

34

6667307

VALVE ASSY See Illustration STUMP GRINDER/ B14394

35

6667308

TUBE

36

15K7

FITTING

37

21K7

TEE

38

25E31

WASHER

39

79K10

O RING 10

40

6667310

HOSE

41

6667311

HOSE

42

6598756

QUICK COUPLER Female - poppet

42

6672960

COUPLER, FF FEMALE straight - Was 6667807 - A

43

6598755

QUICK COUPLER Male - poppet

43

6674688

COUPLER, FF MALE straight - Was 6667808 - A

43

6679841

SEAL Was 6672026 - A

44

6667312

HOSE

45

11K5

FITTING

46

6667313

HARNESS

47

6665298

GAUGE Tooth

48

6707580

DECAL Warning

49

6707581

DECAL Operating

50

DECAL NLA - Bobcat - Was 6705602 - A

51

6652367

HOSE COVER

52

11H15

GREASE FITTING

53

6706160

GUIDE

54

37C648

BOLT Use on 540's, 640's & 740's

54

37C656

BOLT Use on 750's

54

37C664

BOLT Use on 7753 & 850's

55

83D6

NUT 5

56

872229

WASHER

57

18K7

FITTING

58

BRACKET NLA - Order 6667957 - Was 6669335 - A

59

6669336

BUSHING

60

6669284

ADAPTER, COUPLER Use with flush face couplers

Выбрано товаров: 65