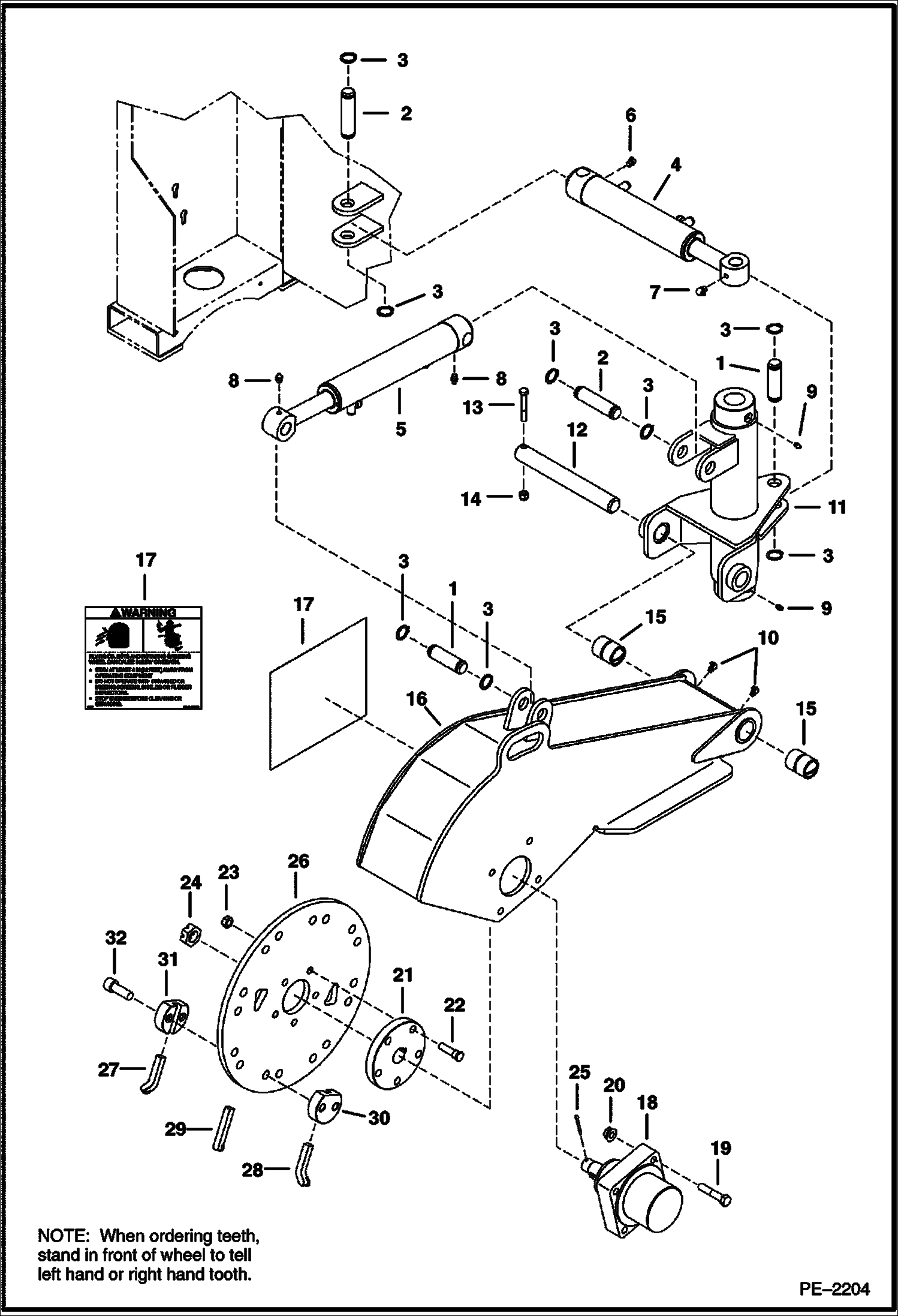
Запчасти Bobcat STUMP GRINDER STUMP GRINDER (Cutting Head) (SG30 0056) Loader

Схема запчастей Bobcat STUMP GRINDER - STUMP GRINDER (Cutting Head) (SG30 0056) Loader
FIT
1:1
100%

Артикул

Название

Примечание

Количество

1

6680986

PIN

2

6680987

PIN

3

22J16

SNAP RING

4

6538415

CYLINDER See Illustration STUMP GRINDER/ TS1165 SWING

5

6586700

CYLINDER, TILT See Illustration STUMP GRINDER/ B18262 LIFT

6

15H15

GREASE ZERK

7

12H15

FITTING, GREASE 5

8

10H25

FITTING, GREASE 5

9

10H35

FITTING, GREASE 10

10

12H25

FITTING

11

7101030

PIVOT TUBE

12

6676517

PIN

13

17C640

BOLT 5

14

59D6

NUT

15

6676531

BUSHING bronze

16

7101031

CUTTING HEAD

17

6808208

DECAL,WARNING See Illustration STUMP GRINDER/ NA6240

17

7199454

DECAL, WARNING See Illustration STUMP GRINDER/ NA6240 - no-text

18

6685229

MOTOR ASSY See Illustration STUMP GRINDER/ B22780

19

17C840

BOLT

20

57D8

NUT 10

21

7101034

HUB

22

7101035

BOLT

23

60D8

NUT Was 87D8 - B

24

6685821

NUT motor

25

1F524

PIN

26

7101033

WHEEL

27

6665293

TOOTH, GRINDER LH - 12.7 mm (.5'') x 12.7 mm (.5'') x 79,2 mm (3.12'')

28

6665294

TOOTH, GRINDER RH - 12.7 mm (.5'') x 12.7 mm (.5'') x 79,2 mm (3.12'')

29

6665295

TOOTH, GRINDER straight & center - 12.7 mm (.5'') x 12.7 mm (.5'') x 89,9 mm (3.54'')

30

6685771

HOLDER W/threaded holes

31

6685770

HOLDER W/thru holes

32

74G1028

BOLT

Выбрано товаров: 33