Запчасти Bobcat STUMP GRINDER STUMP GRINDER (Main Frame & Attaching Parts) (SG50 7021) Loader

Схема запчастей Bobcat STUMP GRINDER - STUMP GRINDER (Main Frame & Attaching Parts) (SG50 7021) Loader
FIT
1:1
100%

Артикул

Название

Примечание

Количество

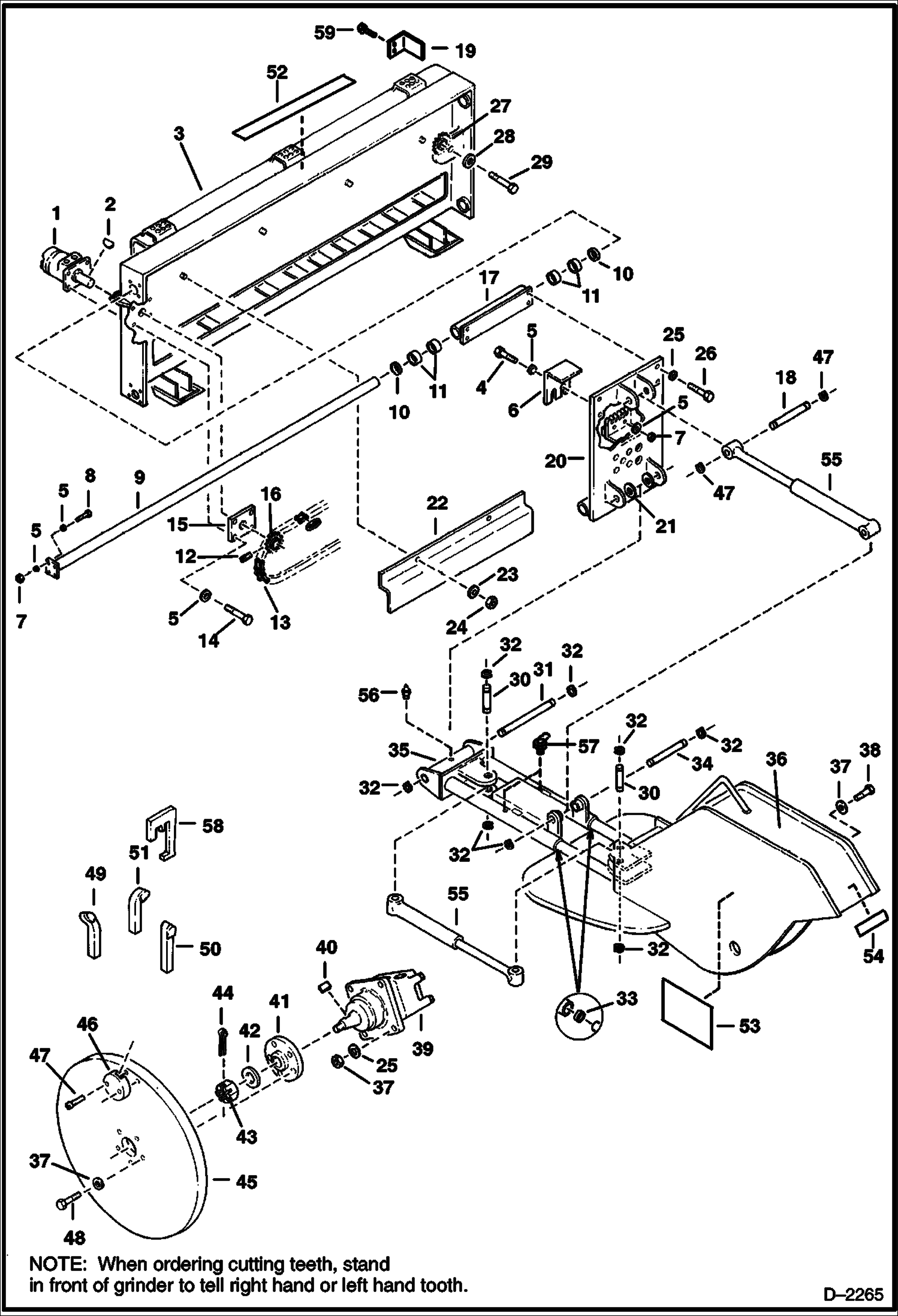
1

MOTOR See Illustration STUMP GRINDER/ B14178 Sideshift

2

6J808

KEY, WOODRUFF

3

6665299

FRAME

4

17C632

BOLT 5

5

25E17

WASHER 5

6

6665359

CLAMP

7

81D6

NUT

8

17C620

BOLT

9

6665301

TUBE

10

6665281

SEAL

11

6665279

BEARING

12

15G505

SCREW Was 35G-505 - D

13

6665282

CHAIN

13

6665283

LINK

14

17C616

BOLT 5

15

6665360

BRACKET

16

6665284

SPROCKET

17

6665304

TUBE

18

6664255

PIN

19

6665486

GUARD

20

6665302

FRAME ASSY slider

21

6665276

BUSHING

22

6665287

CHAIN GUARD

23

25E15

WASHER

24

59D5

NUT 5

25

25E21

WASHER 5

26

17C824

BOLT 5

27

6665285

SPROCKET

28

25E25

WASHER 10

29

17C1028

BOLT

30

6664256

PIN

31

6665289

PIN

32

6664235

RETAINING RING

33

6665280

SEAL

34

6665288

PIN

35

6665303

FRAME ASSY tilt

36

6665300

FRAME ASSY head

37

63D8

NUT

38

17C832

BOLT

39

6665305

MOTOR See Illustration STUMP GRINDER/ B20042 Drive

40

6630089

KEY

41

6665290

HUB

42

25E31

WASHER

43

5200255

NUTCASTLE

44

1F420

CTTR PIN

45

6665296

DISC

46

6685770

HOLDER Counterbored - Was 6665292 - A

46

6685771

HOLDER Threaded - Was 6665291 - A

47

6667557

BOLT

48

18C816

BOLT

49

6665293

TOOTH, GRINDER LH - SEE NOTE - 12.7 mm (.5'') x 12.7 mm (.5'') x 79,2 mm (3.12'')

50

6665295

TOOTH, GRINDER straight & center - 12.7 mm (.5'') x 12.7 mm (.5'') x 89,9 mm (3.54'')

51

6665294

TOOTH, GRINDER RH - SEE NOTE - 12.7 mm (.5'') x 12.7 mm (.5'') x 79,2 mm (3.12'')

52

6707581

DECAL operating

53

6707580

DECAL warning

54

DECAL NLA - Bobcat - Was 6705602 - A

55

6665267

CYLINDER See Illustration STUMP GRINDER/ B14230

56

10H25

FITTING, GREASE 5

57

12H25

FITTING 90 degrees

58

6665298

GAUGE Tooth setting

59

84G3712

BOLT 5

Выбрано товаров: 0