Запчасти Bobcat STUMP GRINDER STUMP GRINDER (Boom & Cutting Head) (SG60 2330) (SGX60 A007) Loader

Схема запчастей Bobcat STUMP GRINDER - STUMP GRINDER (Boom & Cutting Head) (SG60 2330) (SGX60 A007) Loader
FIT
1:1
100%

Артикул

Название

Примечание

Количество

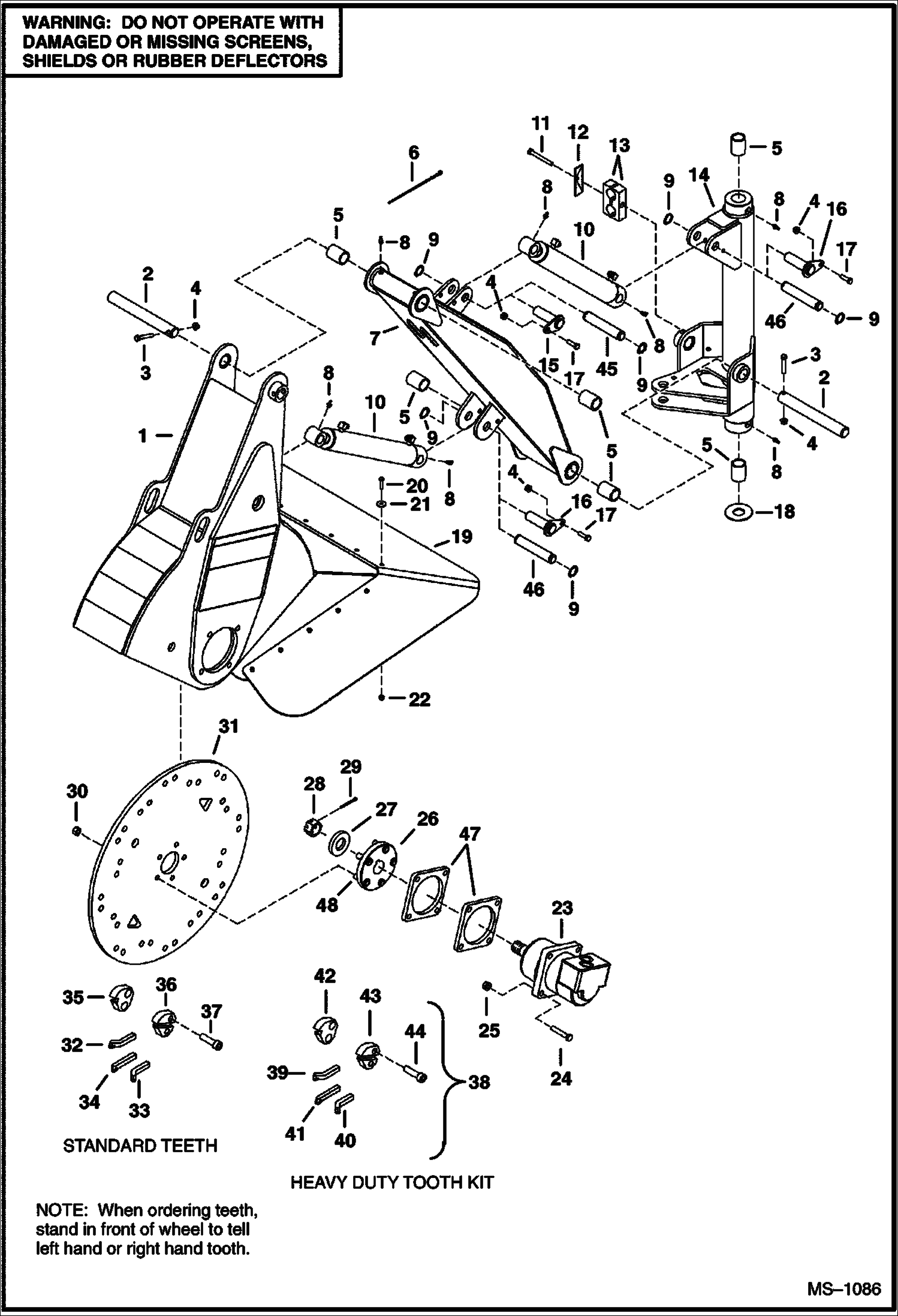
1

6676523

CUTTING HEAD

2

6676517

PIN

3

17C640

BOLT 5

4

55D6

NUT

5

6676531

BUSHING bronze

6

6610510

TIE

7

6676521

BOOM

8

12H25

FITTING

9

1320431

RING, SNAP

10

CYLINDER See Illustration STUMP GRINDER/ B14357

11

17C648

BOLT 5

12

6595356

PLATE

13

6595353

CLAMP

14

6676522

PIVOT

15

PIN NLA - rod end - Order Ref. 45 & (2) of Ref. 9 - Was 6676427 - A

16

PIN NLA - base end - Order Ref. 46 & (2) of Ref. 9 - Was 6676428 - A

17

17C616

BOLT 5

18

6676530

WASHER bronze

19

6676532

SHIELD

20

17C412

BOLT 5

21

6664090

WASHER

22

55D4

NUT

23

MOTOR See Illustration STUMP GRINDER/ B18994 SG60

23

MOTOR See Illustration STUMP GRINDER/ B25261 See BTI389 - SGX60 - Sauer

23

MOTOR See Illustration STUMP GRINDER/ MS2783 See BTI389 - SGX60 - Eaton

24

17C840

BOLT SG60 - 2.50'' long

24

17C1052

BOLT SGX60 - 3.25'' long

24

17C848

BOLT SGX60 - 3.00'' long

25

57D8

NUT 10 SG60 - Was 55D8 - B

25

57D10

NUT SGX60

25

57D8

NUT 10 SGX60

26

6676430

HUB SG60

26

6688413

HUB SGX60

27

6676534

SPACER SG60

27

6688415

SPACER SGX60

28

6669430

NUT, SLOTTED

29

1F532

COTTER PIN

30

60D8

NUT Was 59D000008B - B

31

6676520

WHEEL now with flat spots

32

6665293

TOOTH, GRINDER LH - 12.7 mm (.5'') x 12.7 mm (.5'') x 79,2 mm (3.12'')

33

6665294

TOOTH, GRINDER RH - 12.7 mm (.5'') x 12.7 mm (.5'') x 79,2 mm (3.12'')

34

6665295

TOOTH, GRINDER straight & center - 12.7 mm (.5'') x 12.7 mm (.5'') x 89,9 mm (3.54'')

35

6676529

POCKET threaded

36

6676528

POCKET countersunk

37

74G1028

BOLT

38

6809437

KIT heavy duty tooth - W/Ref. 39-44 instructions are included in the op manual

39

6677134

TOOTH, GRINDER LH - heavy duty - 12,7 mm (.5'') x 20,3 mm (.8'') x 90,4 mm (3.56'')

40

6677133

TOOTH, GRINDER RH - heavy duty - 12,7 mm (.5'') x 20,3 mm (.8'') x 90,4 mm (3.56'')

41

6677132

TOOTH, GRINDER straight & center - heavy duty - 12,7 mm (.5'') x 20,3 mm (.8'') x 94,7 mm (3.73'')

42

6677130

POCKET threaded - H.D.

43

6677131

POCKET countersunk - H.D.

44

6677135

BOLT heavy duty

45

6680986

PIN rod end

46

6680987

PIN base end

47

6688417

PLATE Use with SGX60 only

47

7002708

PLATE, SPACER Use with SGX60 only

48

7101035

BOLT wheel - used with SG60 & SGX60 hubs

Выбрано товаров: 57