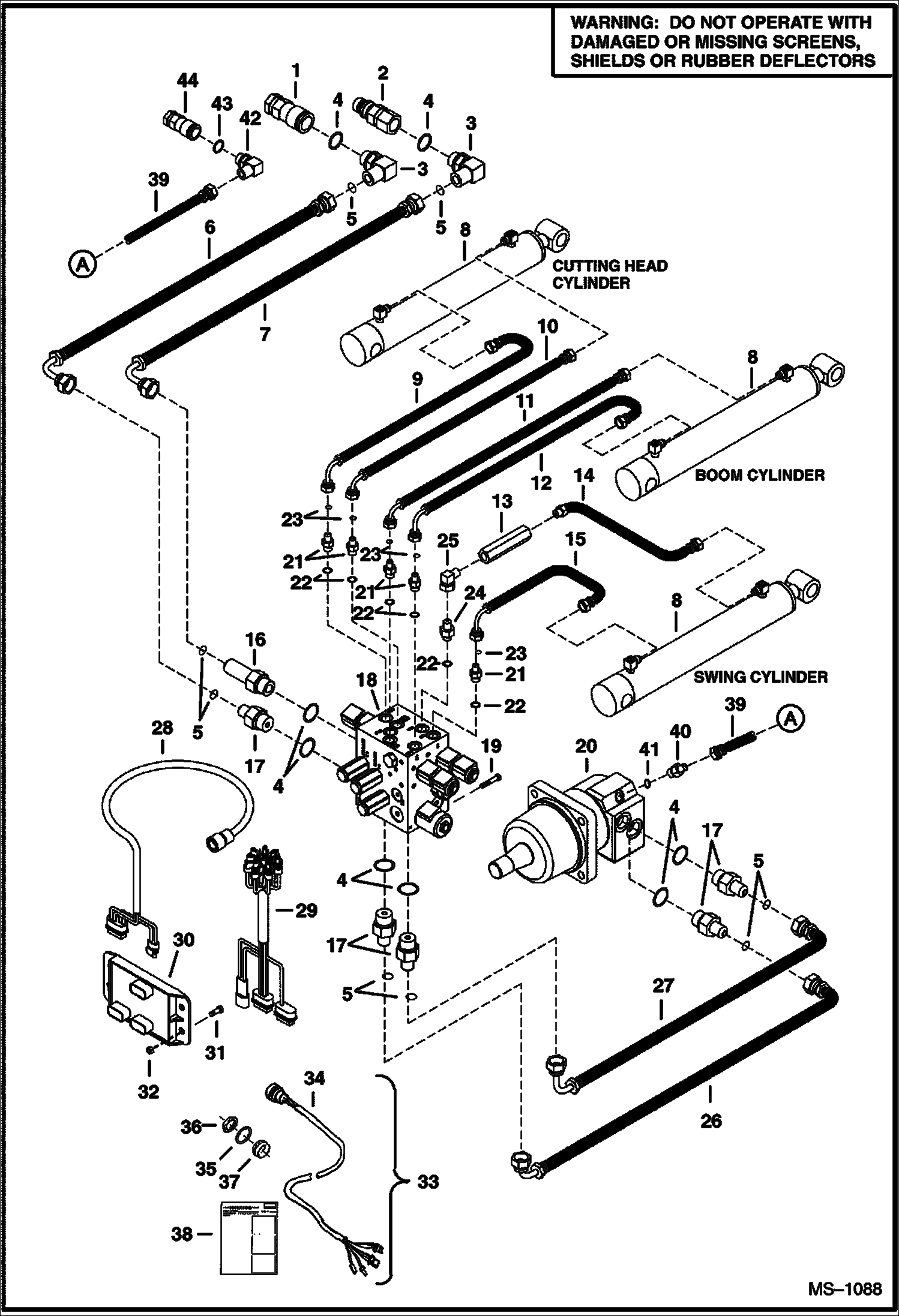
Запчасти Bobcat STUMP GRINDER STUMP GRINDER (Hydraulic System) (SG60 2330) Loader

Схема запчастей Bobcat STUMP GRINDER - STUMP GRINDER (Hydraulic System) (SG60 2330) Loader
FIT
1:1
100%

Артикул

Название

Примечание

Количество

1

6672960

COUPLER, FF FEMALE straight

2

6674688

COUPLER, FF MALE straight - Was 6667808 - A

3

17KB1212

FITTING, HYD ELBOW Was 17KV00008B - A

4

99K12

O RING for tapered boss face

4

79K12

O RING 10 for flat boss face

5

97K12

O'RING flared end

6

HOSE NLA - 1500 PSI - Order 6676228 - Was 6676527 - A

6

6676228

HOSE 3000 PSI

7

6676228

HOSE

8

CYLINDER See Illustration STUMP GRINDER/ B14357

9

6676232

HOSE

10

6676231

HOSE

11

6676233

HOSE

12

6676234

HOSE

13

VALVE NLA - relief/check - Order 6678037 , 6678039 & 6678038 - Was 6676717 - A

13

6678037

VALVE relief/check

14

HOSE NLA - Order 6678039 - Was 6676229 - A

14

6678039

HOSE

15

6676230

HOSE

16

16KB1212

FITTING, HYD CONNECTOR Was 16KN00008B - A

17

15KB1212

FITTING, HYD CONNECTOR Was 15KV00008B - A

18

VALVE See Illustration STUMP GRINDER/ MS1114 control

19

17C632

BOLT 5

20

MOTOR See Illustration STUMP GRINDER/ B18994

21

ADAPTER NLA - tapered boss face - Was 6804359 - A

21

15KB0406

FTG HYD S CONNECTOR

22

99K6

O RING for tapered boss face

22

79K6

O RING 10 for flat boss face

23

97K4

O'RING

24

6676715

ADAPTER

25

ELBOW NLA - Order 6678038 - Was 6676716 - A

25

6678038

ELBOW

26

HOSE NLA - 1500 PSI - Order 6686923 - Was 6676526 - A

26

6686923

HOSE 3000 PSI

27

6676227

HOSE

28

6725385

HARNESS 7-pin

29

6719694

HARNESS ACD to valve

30

6678675

CONTROLLER, ACD Was 6676514 - A

31

17C616

BOLT 5

32

55D6

NUT

33

6725383

KIT 14-pin attachment T-harness - adds a 14-pin harness to a 7-pin SG60 - W/Ref. 34-38

34

6719697

HARNESS 14-pin conversion

35

6664037

WASHER

36

6664036

NUT

37

6673680

RECEPTACLE, TWIST-LOC

38

6901005

INSTRUCTIONS

39

6686921

HOSE case drain

40

15KB0404

FTG HYD S Connector

41

79K4

O RING 10

42

17KB0608

FITTING, HYD ELBOW

43

79K8

O RING 10

44

6667805

COUPLER, FF FEMALE straight

Выбрано товаров: 52