Запчасти Bobcat STUMP GRINDER STUMP GRINDER (Motor) (Eaton) (SG60 2330) Loader

Схема запчастей Bobcat STUMP GRINDER - STUMP GRINDER (Motor) (Eaton) (SG60 2330) Loader
FIT
1:1
100%

Артикул

Название

Примечание

Количество

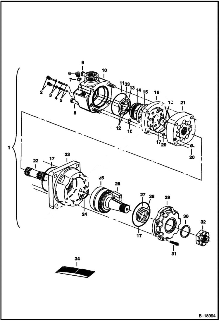
1

6675939

MOTOR Eaton 110-1082-006 - W/Ref. 2 - 32

2

1992107

PLUG W/Ref. 3

3

1992109

O RING

4

6190116

SPRING

5

10J8

BALL

6

1992104

PLUG W/Ref. 7

7

6664822

O-RING

8

6677145

BOLT

9

18C788

BOLT Was 6632275 - A

10

6666945

HOUSING

11

6513537

O-RING

12

6190121

SPRING

13

6513530

SEAL outer

14

6630042

PLATE balancing

15

6513507

VALVE

16

6513505

PLATE

17

6666942

SEAL

18

6513506

DRIVE

19

25K20010

O RING 10

20

6667332

SEAL

21

6677144

GEROLER

22

6677143

DRIVE

23

6669424

HOUSING

24

6513529

SEAL

25

6669423

SHAFT ASSY

26

7J6102

KEY Was 6669431 - B

27

6666943

SEAL

28

6666939

RING backup

29

6669425

RETAINER

30

6630796

SEAL

31

6666938

BOLT

32

6669430

NUT, SLOTTED

33

6513531

SEAL inner

34

6669432

KIT, SEAL W/Ref. 3, 7, 11, 13, 17, 19, 20, 24, 27, 30 & 33

Выбрано товаров: 34