Запчасти Bobcat SWEEPER SWEEPER (Motor 103-1037-010) Loader

Схема запчастей Bobcat SWEEPER - SWEEPER (Motor 103-1037-010) Loader
FIT
1:1
100%

Артикул

Название

Примечание

Количество

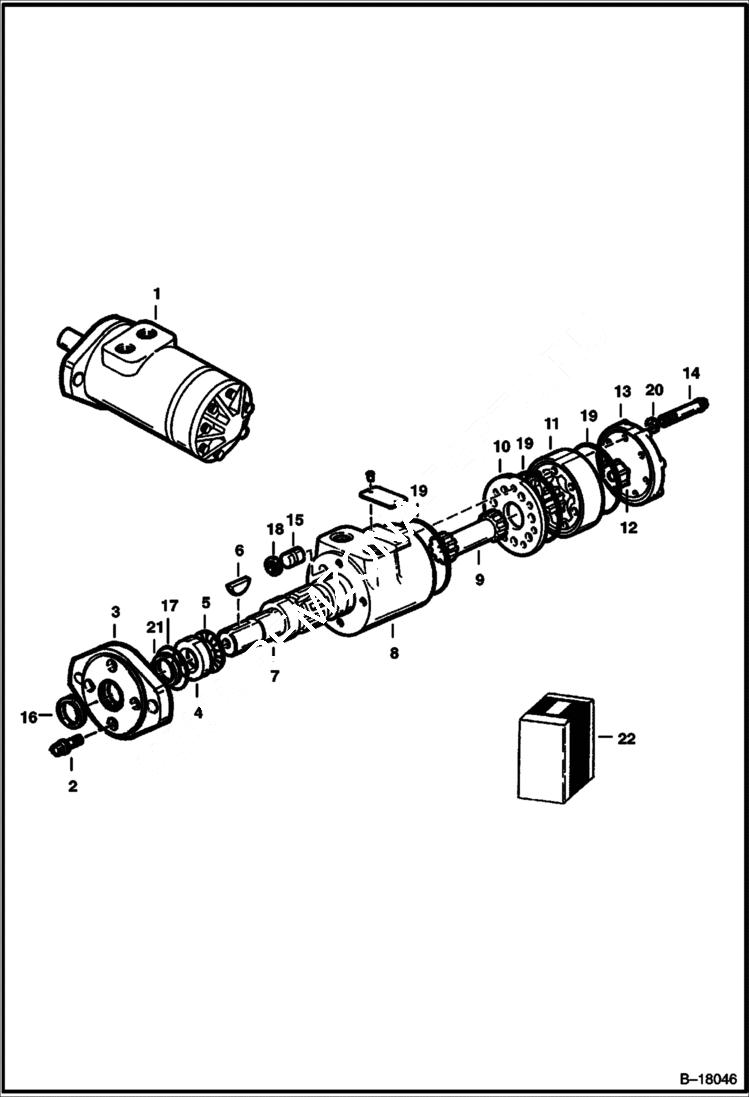
1

MOTOR See Illustration SWEEPER/ D1757A - NLA - Order 7001716 motor, 7165291 sprocket, 21J20 snap ring & 7125868 mount - Was 6650113 - A

2

94G514

BOLT cap - Was 93G000510B - B

3

7022754

FLANGE, MOUNTING 1.09'' ID - Was 6651239 - A

4

7019134

CUP, BEARING Was 6513279 - A

5

6513280

BEARING thrust needle

6

6634899

KEY woodruff

7

6634900

SHAFT straight

8

HOUSING NLA - Was 6646750 - B

9

6646751

DRIVE

10

6646752

SPACER

11

GEROTOR NLA - Was 6646753 - A

12

6651241

WASHER

13

6646755

END CAP

14

6646756

SCREW

15

6635663

PLUG

16

SEAL NSS

17

SEAL NSS

18

SEAL NSS

19

SEAL NSS

20

SEAL NSS

21

SEAL NSS

22

6651242

KIT, SEAL W/Ref. 16 - 21

Выбрано товаров: 22