Запчасти Bobcat SWEEPER SWEEPER (54) Loader

Схема запчастей Bobcat SWEEPER - SWEEPER (54) Loader
FIT
1:1
100%

Артикул

Название

Примечание

Количество

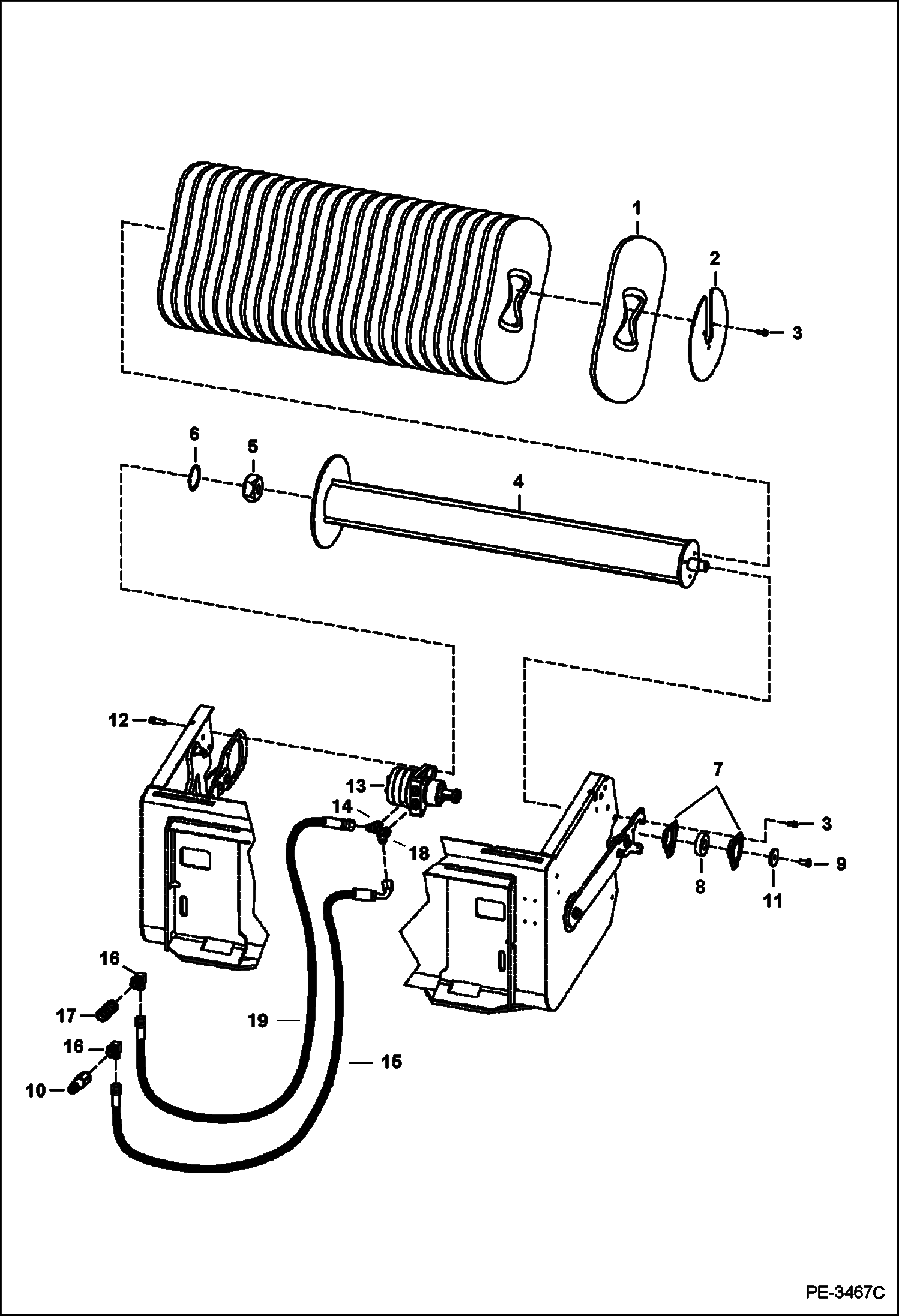
1

6652802

BRUSH, POLY CONVOLUTED 21 3/8'' factory option

1

6988131

WAFER, 21 3/8' EARTHFORCE CONVOLUTED

1

6989020

BRISTLE, POLY HD 21 3/8'' CONVOLUTED

1

6989142

BRISTLE, POLY/WIRE 21 3/8'' CONVOLUTED

2

7102381

DISC, RETAINING

3

84G3712

BOLT 5

4

7138879

TUBE

5

7146431

DRIVE

6

21J44

RING, SNAP

7

6599441

FLANGE

8

6599429

BEARING

9

17C816

BOLT

10

6674688

COUPLER, FF MALE straight

11

6564692

WASHER

12

93G824

BOLT

13

MOTOR

14

18KB1010

FITTING, HYD ELBOW 45 degree

14

17KB1010

FITTING, HYD ELBOW 90 degree

15

7140338

HOSE for 44'', 48'' & 54'' sweepers

16

17KB1012

FITTING, HYD ELBOW

17

6672960

COUPLER, FF FEMALE straight

18

18KB1010

FITTING, HYD ELBOW 45 degree

18

15KB1010

FITTING, HYD CONNECTOR straight

19

7140338

HOSE for 44'', 48'', & 54'' Sweepers - with 90 degree hose end - used with 45 degree elbow to motor

19

7169465

HOSE, HYD for 44'', 48'', & 54'' Sweepers - with straight hose end - used with 90 degree elbow to motor

Выбрано товаров: 25