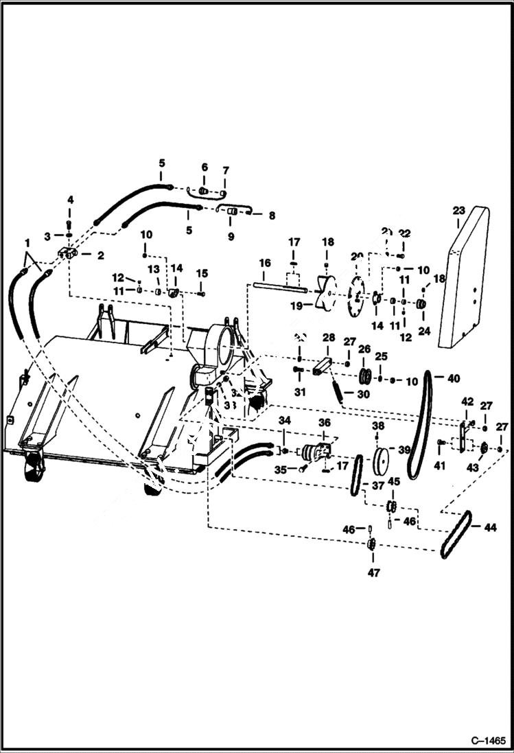
Запчасти Bobcat SWEEPER SWEEPER (Blower & Brush Drive) (M-662) Loader

Схема запчастей Bobcat SWEEPER - SWEEPER (Blower & Brush Drive) (M-662) Loader
FIT
1:1
100%

Артикул

Название

Примечание

Количество

1

550873

HOSE

2

VALVE See Illustration SWEEPER/ B1154A cushion

3

4E5

WASHER

4

17C532

BOLT 5

5

547340

HOSE

6

6598755

QUICK COUPLER male

7

6515168

CAP

8

6515167

PLUG

9

6598756

QUICK COUPLER female

9

25K40026

O RING 10

10

81D6

NUT

11

COLLAR NSS - Order Ref. 14

12

SET SCREW NLA - Was 16G000404B

13

BEARING NSS - Order Ref. 14

14

BEARING NLA - W/Ref. 11-13 - Was 6518122 - A

15

17C620

BOLT

16

6520682

SHAFT blower

17

7J2104

KEY

18

15G505

SCREW

19

6520684

FAN blower

20

6520594

COVER

21

4E4

WASHER

22

6520683

SCREW

23

6520589

SHIELD

24

6520784

PULLEY

25

25E17

WASHER 5

26

6504892

PULLEY idler

27

59D10

NUT

28

6520570

BRACKET

29

25E25

WASHER 10

30

6520785

SPRING

31

17C660

BOLT

32

61D7

NUT

33

4E7

WASHER

34

19F9

BUSHING

35

17C724

BOLT

36

MOTOR See Illustration SWEEPER/ B18053 hydraulic

37

6520603

CHAIN No. 40 - 80 pitches - W/Connector Link

37

6564943

LINK connector

38

15G406

SCREW

39

6520572

PULLEY W/Sprocket

40

BELT NLA - Was 6520783 - A

41

17C1032

BOLT

42

6520580

ARM

43

SPROCKET NLA - W/Sealed Bearing - Was 6520577 - A

44

6520604

CHAIN No. 40 - 102 pitches - W/Connector Link

45

6520588

SPROCKET

46

PIN Was 1313911 - A

47

6520651

SPROCKET

Выбрано товаров: 49