Запчасти Bobcat SWEEPER SWEEPER (Gutter Brush) (M-562) (M-562A) Loader

Схема запчастей Bobcat SWEEPER - SWEEPER (Gutter Brush) (M-562) (M-562A) Loader
FIT
1:1
100%

Артикул

Название

Примечание

Количество

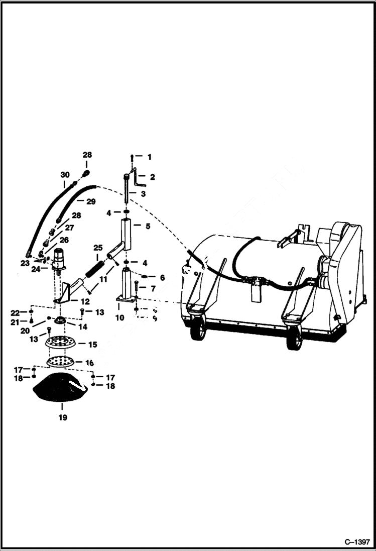
1

1F416

PIN

2

6520771

CRANK

3

6520755

SCREW

4

25E27

WASHER

5

6520754

FRAME

6

6520769

NUT square

7

17C836

BOLT

8

4E8

WASHER

9

61D8

NUT 5

10

6520756

BASE jack

11

SET SCREW NLA - Was 13G000814B - A

12

6520753

BRACKET

13

17C412

BOLT 5

14

6520757

HUB

15

6520760

PLATE

16

RING NLA - brush retainer

17

4E4

WASHER

18

61D4

NUT 5

19

BRISTLE NLA - polypropylene - Was 6520768 - A

19

BRISTLE NLA - steel - Was 6520774

20

SET SCREW NLA - Was 15G000608B - A

21

17C612

BOLT 5

22

4E6

WASHER

23

79K10

O RING 10 Was 91F000007B - A

24

MOTOR See Illustration SWEEPER/ B1218 hydraulic

25

6520770

SPRING

26

429978

ELBOW W/Ref. 23

27

6598755

QUICK COUPLER male half

28

6598756

QUICK COUPLER female half

28

25K40026

O RING 10

29

547340

HOSE

30

6520767

HOSE W/Ref. 23

Выбрано товаров: 32