Запчасти Bobcat TILLER TILLER (Main Frame) (463) (500 Series) (38 6144) Loader

Схема запчастей Bobcat TILLER - TILLER (Main Frame) (463) (500 Series) (38 6144) Loader
FIT
1:1
100%

Артикул

Название

Примечание

Количество

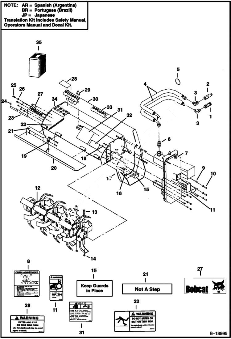
1

6672960

COUPLER, FF FEMALE straight

2

6674688

COUPLER, FF MALE straight

3

17KB1212

FITTING, HYD ELBOW Was 17KV00008B - A

4

6906617

HOSE

5

6624289

STRAP, TIE Was 6674414 - A

6

15KB1212

FITTING, HYD CONNECTOR Was 15KV00008B - A

7

CHAINCASE ASSY See Illustration TILLER/ B18996

8

6722792

DECAL chain

9

17C620

BOLT

10

17C616

BOLT 5

11

6722793

DECAL, WARNING

12

TINE ASSY See Illustration TILLER/ B18997

13

17C848

BOLT

14

87D8

NUT

15

6657354

DECAL guards warning

16

4E6

WASHER

17

6906495

MOUNT

17

6906887

MOUNT

18

61D6

NUT 5

19

6664535

MID-LINK

20

6906185

DOOR

21

6657351

DECAL, STEP See Illustration TILLER/ NA6246

21

7130136

DECAL, STEP See Illustration TILLER/ NA6246 - no-text

22

6906608

CHAIN

23

6906240

HINGE ROD

24

14J2520

PIN

25

17C716

BOLT

26

4E7

WASHER

27

6727324

DECAL, LOGO BOBCAT AND HEAD

28

6594488

DECAL, WARNING exit

29

6665094

CLEVIS PIN Was 6669054 - D

30

6906191

MAIN FRAME

31

6708822

DECAL, WARNING See Illustration TILLER/ NA6246

31

7130144

DECAL, WARNING See Illustration TILLER/ NA6246 - no-text

32

6701391

DECAL, EXIT See Illustration TILLER/ NA6246

32

7130141

DECAL, EXIT See Illustration TILLER/ NA6246 - no-text

33

6905263

STEP

34

6905990

STEP

35

6906609AR

KIT translation - SEE NOTE

35

6906609BR

KIT translation - SEE NOTE

35

6716954AR

KIT decal - SEE NOTE

35

6716954BR

KIT decal - SEE NOTE

35

6716954JP

KIT decal - SEE NOTE

Выбрано товаров: 43